电脑桌面
添加小米粒文库到电脑桌面
安装后可以在桌面快捷访问

奖惩管理流程

奖惩管理流程_第1页
1/8
奖惩管理流程_第2页
2/8
奖惩管理流程_第3页
3/8
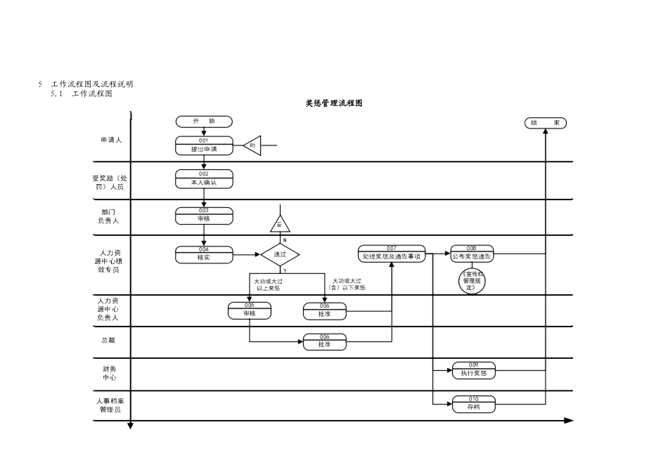
奖惩管理流程文件代码:拟制: 发布日期: 版本:B0页次:1/8 文件修〔制〕订履历一览表N0. 版次?管理文件审查单?编号发布日期修〔制〕订说明拟制审核批准备注12A0B0070116001首次发布。优化?奖惩管理方法?〔文件编号:MC-RS-002〕增加流程关系图,文件格式发生变化。文件发放范围及份数〔在“( )中打“√表示需分发的单位,在 “〞〞[ ]中填写该单位发放文件份〞数〕:(√) 总裁办[ 1 ]( ) 管理者代表[ ] (√) 研发工程中心[ 1 ] (√) 营销中心[ 1 ](√) 品质中心[ 1 ](√) 电池事业部〔制造部〕[ 1 ](√) 电池事业部〔PMC〕[ 1 ](√) 物流中心〔采购〕[ 1 ](√) 物流中心〔仓库〕[ 1 ] ( ) 信息中心[ ] (√) 财务中心[ 1 ](√) 人力资源中心[ 2 ]( ) 蓝牙事业部[ ](√) 精密模具事业部[ 1 ](√) 精密塑胶事业部[ 1 ]( ) 其他: [ ] 文控员备注唯盖有红色的 DCC 正本受控章方为正式有效文件。 5 工作流程图及流程说明 5.1 工作流程图奖惩管理流程图5.2流程说明活动编号活动名称责任人输入要点说明输出作业指导文件001提出申请申请人〔包括各部门文员或人力资源中心绩效专员〕?奖惩申请表?1 提出奖惩申请1.1 当发生奖惩事项时,各部门管理人员根据相关规定及附录 1〔奖惩管理标准〕提出奖惩,统一由部门文员或人力资源中心绩效专员填写?奖惩申请表?。1.2 提出申请时间为奖惩事件发生后的第二个工作日,申请单上需详细注明奖惩事件的具体发生时间、地点、责任人〔姓名、工号、所属部门〕、事件简单描述、奖惩类别等。2 处分依据:申请人需要根据公司相关规定来作为奖惩的依据。3 奖惩分类:3.1 奖励:通报表扬、嘉奖、记功、记大功、晋级、特别奉献奖及其它。3.2 处分:通报批判、警告、记过、记大过、降级、留厂观察、开除及其它。4 申请人填写?奖惩申请表?后转受奖励〔处分〕员工本人确认 再根据批准权限逐级呈核。?奖惩申请表?/002本人确认 受 奖 励 〔 处分〕员工?奖惩申请表?1 确认?奖惩申请表?上奖惩事件事实说明的真实性。2 确认奖惩情况,并签字。?奖惩申请表?/003审核各部门负责人 ?奖惩申请表?1 掌握部门最新动态。2 审核奖惩事件的真实性。3 大功、大过〔包含〕以上处分需要对员工进行思想沟通。?奖惩申请表?/004核实人力资源中心绩效专员?奖惩申请表?1 人力资源中心绩效专员针对描述不清楚的申请单以及大功或大过〔含〕以上的奖惩,需进行调...

1、当您付费下载文档后,您只拥有了使用权限,并不意味着购买了版权,文档只能用于自身使用,不得用于其他商业用途(如 [转卖]进行直接盈利或[编辑后售卖]进行间接盈利)。
2、本站所有内容均由合作方或网友上传,本站不对文档的完整性、权威性及其观点立场正确性做任何保证或承诺!文档内容仅供研究参考,付费前请自行鉴别。
3、如文档内容存在违规,或者侵犯商业秘密、侵犯著作权等,请点击“违规举报”。

碎片内容

奖惩管理流程

您可能关注的文档

确认删除?
VIP
微信客服
  • 扫码咨询
会员Q群
  • 会员专属群点击这里加入QQ群
客服邮箱
回到顶部