电脑桌面
添加小米粒文库到电脑桌面
安装后可以在桌面快捷访问

小型露天采石场安全生产标准化评审得分明细表

小型露天采石场安全生产标准化评审得分明细表_第1页
1/51
小型露天采石场安全生产标准化评审得分明细表_第2页
2/51
小型露天采石场安全生产标准化评审得分明细表_第3页
3/51
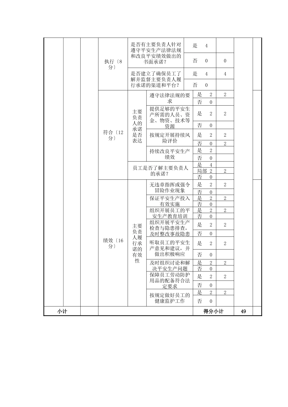
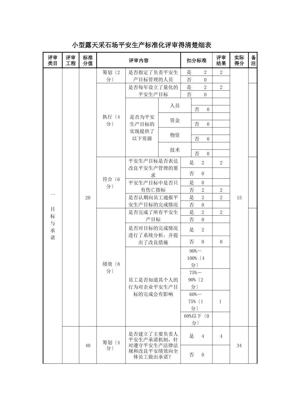
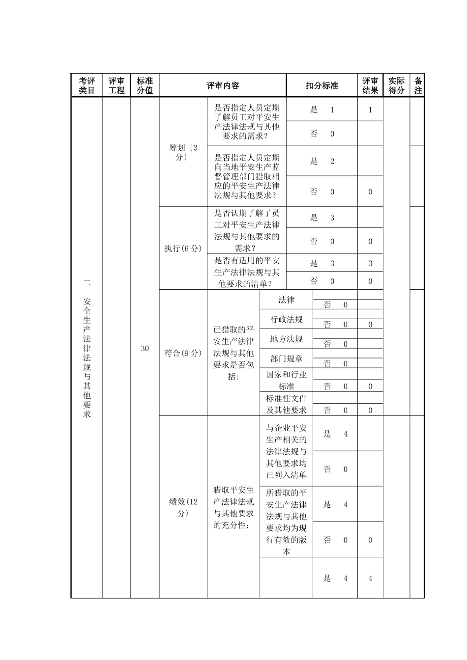
小型露天采石场平安生产标准化评审得清楚细表评审类目评审工程标准分值评审内容扣分标准评审结果实际得分备注一目标与承诺20筹划〔2分〕是否指定了负责平安生产目标管理的人员是 2215否 0执行〔4分〕是否每年设立了量化的平安生产目标是 22否 0是否为平安生产目标的实现提供了以下资源人员否 0资金否 0物资否 0技术否 0符合〔6分〕平安生产目标是否表达改良平安生产管理的要求是 22否 0平安生产目标中是否只有伤亡指标是 0否 22是否认期向员工通报平安生产目标的完成情况是 22否 0绩效〔8分〕是否完成了所有平安生产目标是 22否 0是否对目标的完成情况进行了系统分析,并提出了改良措施是 2否 00员工是否知道其个人的行为对企业平安生产目标的完成会有影响90%-100%〔4分〕75%-90%〔2分〕60%-75%〔1分〕160%以下〔0分〕40筹划〔4分〕是否建立了主要负责人平安生产承诺机制,针对遵守平安生产法律法规和改良平安绩效向全体员工做出承诺?是 4434否 0执行〔8分〕是否有主要负责人针对遵守平安生产法律法规和改良平安绩效做出的书面承诺?是 4否 00是否建立了确保员工了解并监督主要负责人履行承诺的渠道和平台?是 44否 0符合〔12分〕主要负责人的承诺是否表达遵守法律法规的要求是 22否 0提供足够的平安生产所需的人员、资金、物资、技术等资源是 22否 0按规定开展持续风险评价是 22否 02持续改良平安生产绩效是 2否 0员工是否了解主要负责人的承诺?是 4局部 22否 0绩效〔16分〕主要负责人履行承诺的有效性无违章指挥或强令冒险作业现象是 22否 0保证平安生产投入有效实施是 22否 0组织开展员工的平安生产教育培训是 22否 0组织开展平安生产检查与隐患排查,及时整改事故隐患是 22否 0听取员工的平安生产意见和建议,并做出积极响应是 22否 0及时组织讨论和解决平安生产问题是 22否 0保障员工劳动防护用品的配备符合法定要求是 22否 0按规定做好员工的健康监护工作是 22否 0小计得分小计49考评类目评审工程标准分值评审内容扣分标准评审结果实际得分备注二安全生产法律法规与其他要求30筹划〔3分〕是否指定人员定期了解员工对平安生产法律法规与其他要求的需求?是 11否 0是否指定人员定期向当地平安生产监督管理部门猎取相应的平安生产法律法规与其他要求?是 2否 00执行(6 分)是否认期了解了员工对平安生产法律法规与其他要求的需求?是 3否 00是否有适用的平安生产法律法规与其他...

1、当您付费下载文档后,您只拥有了使用权限,并不意味着购买了版权,文档只能用于自身使用,不得用于其他商业用途(如 [转卖]进行直接盈利或[编辑后售卖]进行间接盈利)。
2、本站所有内容均由合作方或网友上传,本站不对文档的完整性、权威性及其观点立场正确性做任何保证或承诺!文档内容仅供研究参考,付费前请自行鉴别。
3、如文档内容存在违规,或者侵犯商业秘密、侵犯著作权等,请点击“违规举报”。

碎片内容

小型露天采石场安全生产标准化评审得分明细表

您可能关注的文档

确认删除?
VIP
微信客服
  • 扫码咨询
会员Q群
  • 会员专属群点击这里加入QQ群
客服邮箱
回到顶部