电脑桌面
添加小米粒文库到电脑桌面
安装后可以在桌面快捷访问

工程竣工验收备案程序及表格

工程竣工验收备案程序及表格_第1页
1/37
工程竣工验收备案程序及表格_第2页
2/37
工程竣工验收备案程序及表格_第3页
3/37
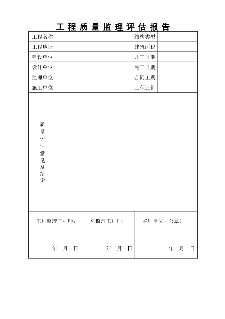
工程竣工验收备案程序及表格备案文件审查目录序号文 件 内 容份 数审查结果1工程竣工报告〔施工单位报送〕2工程质量监理评估报告3工程质量设计检查报告4单位工程竣工验收报告5建设工程竣工验收书6工程施工许可证7施工图设计文件审查意见8单位工程质量综合验收文件9规划、消防、环保部门认可文件10工程质量保修书11住宅质量保证书12住宅使用说明书13工程质量监督报告〔质监站出具〕14备案表15其他文件:审查人: 审查日期: 年 月 日工 程 竣 工 报 告工程名称结构类型工程地址建筑面积建设单位开工日期设计单位完工日期监理单位合同工期施工单位工程造价竣工条件具备情况项 目 内 容施工单位自检情况完成工程设计和合同约定的情况技术档案和施工管理资料主要建筑材料、建筑构配件和设备的进场试验报告〔含监督抽检〕资料工程款支付情况工程质量保修书监督站责令整改问题的执行情况已完成设计和合同约定的各项内容,工程质量符合有关法律、法规和工程建设强制性标准,特申请办理工程竣工验收手续。工程经理: 总监理工程师: 企业技术负责人:法定代表人: 监理单位〔公章〕 〔施工单位公章〕 年 月 日工 程 质 量 监 理 评 估 报 告工程名称结构类型工程地址建筑面积建设单位开工日期设计单位完工日期监理单位合同工期施工单位工程造价质量评估意见及结论工程监理工程师: 年 月 日总监理工程师: 年 月 日监理单位〔公章〕 年 月 日工 程 设 计 检 查 报 告工程名称结构类型工程地址建筑面积建设单位联系 勘察单位联系 设计单位联系 施工单位联系 设计及变更检查情况 、检查结论工程设计负责人: 年 月 日设计单位负责人: 年 月 日设计单位〔公章〕 年 月 日 表 1清溪凯旋门一期工程质量保修书根据?中华人民共和国建筑法?、?建设工程质量管理条例?和?房屋建筑工程质量保修方法?,建设单位、施工单位经协商,一致同意对位于 的 工程,签定工程质量保修书。从竣工验收合格的 年 月 日起,施工单位根据有关法律、法规的规定和双方工程合同约定,承担本工程质量保修责任。发包人: 法定代表人:建设单位〔公章〕: 经办人:承包人: 法定代表人:施工单位〔公章〕: 经办人: 签订日期 年 月 日附:工程保修工程表 表 2序号工 程 保 修 项 目最 低 保 修 期 限一地基根底工程和主体结构工程按设计文件规定的合理使用年限二屋 面 防 水 、 有 防 水...

1、当您付费下载文档后,您只拥有了使用权限,并不意味着购买了版权,文档只能用于自身使用,不得用于其他商业用途(如 [转卖]进行直接盈利或[编辑后售卖]进行间接盈利)。
2、本站所有内容均由合作方或网友上传,本站不对文档的完整性、权威性及其观点立场正确性做任何保证或承诺!文档内容仅供研究参考,付费前请自行鉴别。
3、如文档内容存在违规,或者侵犯商业秘密、侵犯著作权等,请点击“违规举报”。

碎片内容

工程竣工验收备案程序及表格

您可能关注的文档

确认删除?
VIP
微信客服
  • 扫码咨询
会员Q群
  • 会员专属群点击这里加入QQ群
客服邮箱
回到顶部