电脑桌面
添加小米粒文库到电脑桌面
安装后可以在桌面快捷访问

换热器的传热计算

换热器的传热计算_第1页
1/17
换热器的传热计算_第2页
2/17
换热器的传热计算_第3页
3/17
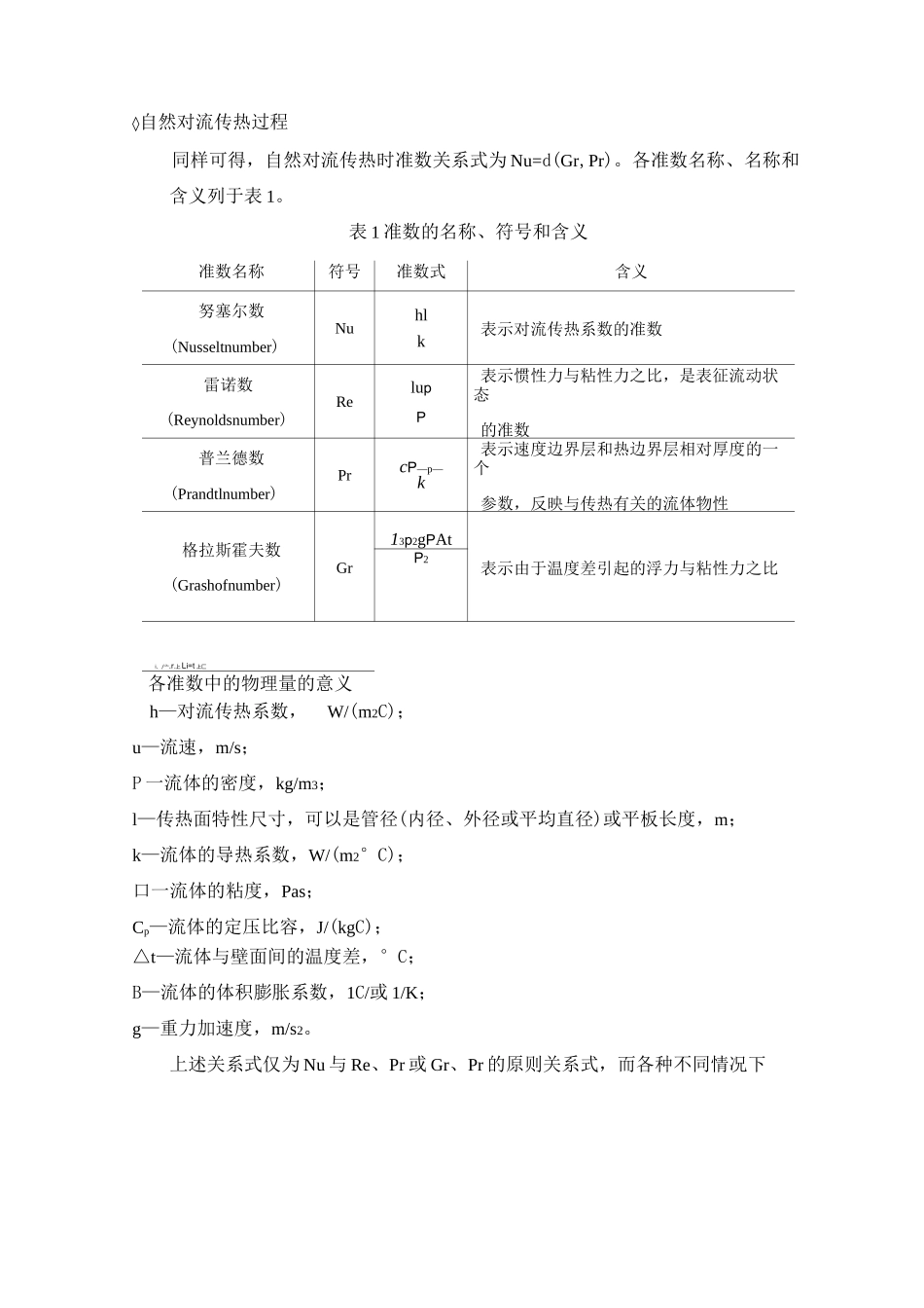
其中总传热系数1换热器的传热计算换热器的传热计算包括两类:一类是设计型计算,即根据工艺提出的条件,确定换热面积;另一类是校核型计算,即对已知换热面积的换热器,核算其传热量、流体的流量或温度。这两种计算均以热量衡算和总传热速率方程为基础。换热器热负荷 Q 值一般由工艺包提供,也可以由所需工艺要求求得°Q=WCpAt,若流体有相变,Q=cpr。热负荷确定后,可由总传热速率方程(Q=KSAt)求得换热面积,最后根据《化工设备标准系列》确定换热器的选型。ddbd10+Rs+o+Rs+hdidkdohiiim0在实际计算中,总传热系数通常采用推荐值,这些推荐值是从实践中积累或通过实验测定获得的,可以从有关手册中查得。在选用这些推荐值时,应注意以下几点:1.设计中管程和壳程的流体应与所选的管程和壳程的流体相一致。2. 设计中流体的性质(粘度等)和状态(流速等)应与所选的流体性质和状态相一致。3. 设计中换热器的类型应与所选的换热器的类型相一致。4. 总传热系数的推荐值一般范围很大,设计时可根据实际情况选取中间的某一数值。若需降低设备费可选取较大的 K 值;若需降低操作费用可取较小的 K 值。5. 为保证较好的换热效果,设计中一般流体采用逆流换热,若采用错流或折流换热时,可通过安德伍德(Underwood)和鲍曼(Bowman)图算法对 At进行修正。虽然这些推荐值给设计带来了很大便利,但是某些情况下,所选 K 值与实际值出入很大,为避免盲目烦琐的试差计算,可根据式(1)对 K 值估算。式(1)可分为三部分,对流传热热阻、污垢热阻和管壁导热热阻,其中污垢热阻和管壁导热热阻可查相关手册求得。由此,K 值估算最关键的部分就是对流传热系数 h 的估算。影响对流传热系数的因素主要有:1.流体的种类和相变化的情况液体、气体和蒸气的对流传热系数都不相同。牛顿型和非牛顿型流体的也有区别,这里只讨论牛顿型对流传热系数。流体有无相变化,对传热有不同的影响。2.流体的性质对 h 影响较大的流体物性有比热、导热系数、密度和粘度等。对同一种流体,这些物性又是温度的函数,而其中某些物性还和压强有关。3.流体的流动状态当流体呈湍流时,随着 Re 数的增加,滞流内层的厚度减薄,故 h 就增大。而当流体呈滞流时,流体在热流方向上基本没有混杂流动,故 h 就较湍流时为小。4.流体流动的原因自然对流是由于流体内部存在温度差,因而各部分的流体密度不同,引起流体质点的相对位移。设 P]和 P2分别代表温度为 t1和 ...

1、当您付费下载文档后,您只拥有了使用权限,并不意味着购买了版权,文档只能用于自身使用,不得用于其他商业用途(如 [转卖]进行直接盈利或[编辑后售卖]进行间接盈利)。
2、本站所有内容均由合作方或网友上传,本站不对文档的完整性、权威性及其观点立场正确性做任何保证或承诺!文档内容仅供研究参考,付费前请自行鉴别。
3、如文档内容存在违规,或者侵犯商业秘密、侵犯著作权等,请点击“违规举报”。

碎片内容

换热器的传热计算

wxg+ 关注
实名认证
内容提供者

该用户很懒,什么也没介绍

相关文档

确认删除?
VIP
微信客服
  • 扫码咨询
会员Q群
  • 会员专属群点击这里加入QQ群
客服邮箱
回到顶部