电脑桌面
添加小米粒文库到电脑桌面
安装后可以在桌面快捷访问

某污水站污水除臭方案

某污水站污水除臭方案_第1页
1/8
某污水站污水除臭方案_第2页
2/8
某污水站污水除臭方案_第3页
3/8
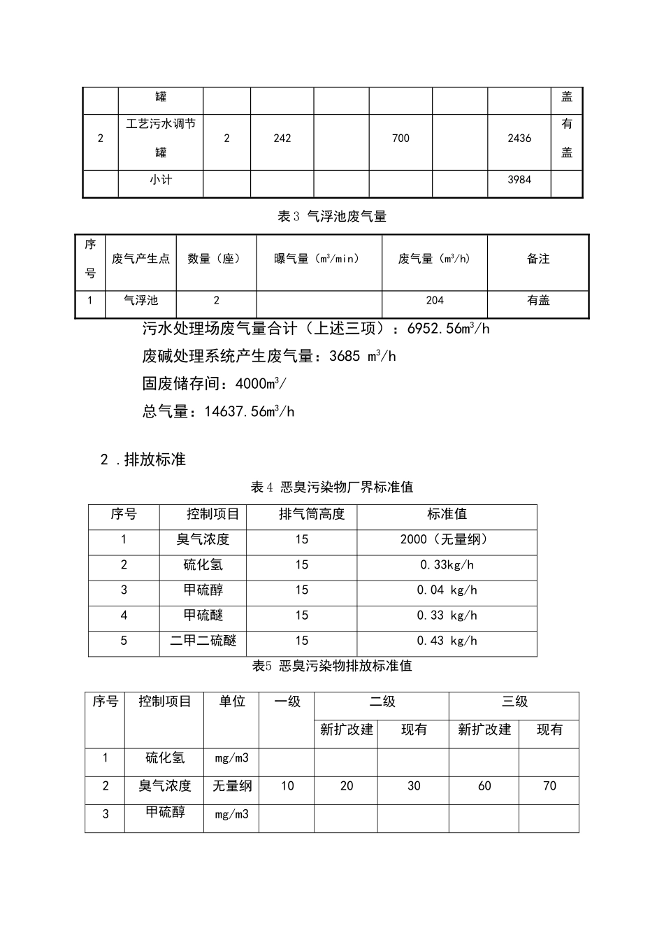
污水处理场除臭装置投用方案1.废气来源与气量污水处理过程中产生的臭气主要来自调节罐、污泥处理系统、生化池、废碱液处理系统等。各部分废气量如下:表 1 恒定水面池体(建筑物)废气量序号废气产生点数量(座)平面尺寸m2水面上空间高(m)换气次数(次/h)废气量(m3/h)备注1混凝反应槽2452有玻璃钢盖2气浮污泥池141416无盖3污泥浓缩池28114648无盖4废水收集池122014880有混凝土盖5水解酸化池22902812有混凝土盖6综合废水池114374有混凝土盖小计 表 2 调节罐废气量序号废气产生点数量(座)最大进液量(m3/h)通气量(m3/h)热呼吸量(m3/h)废气量(m3/h)总废气量(m3/h)备注1生产污水调节21285001548有罐盖2工艺污水调节罐22427002436有盖小计3984表 3 气浮池废气量序号废气产生点数量(座)曝气量(m3/min)废气量(m3/h)备注1气浮池2204有盖污水处理场废气量合计(上述三项):6952.56m3/h废碱处理系统产生废气量:3685 m3/h固废储存间:4000m3/总气量:14637.56m3/h2 .排放标准表 4 恶臭污染物厂界标准值序号控制项目排气筒高度(m)标准值1臭气浓度152000(无量纲)2硫化氢150.33kg/h3甲硫醇150.04 kg/h4甲硫醚150.33 kg/h5二甲二硫醚150.43 kg/h表5 恶臭污染物排放标准值序号控制项目单位一级二级三级新扩改建现有新扩改建现有1硫化氢mg/m32臭气浓度无量纲10203060703甲硫醇mg/m34甲硫醚mg/m35二甲二硫醚mg/m33 .臭气处理工艺流程恶臭气体经收集后进入恶臭污染治理成套装置预处理段进行除油、温度调节、除尘及增湿后,进入生物处理段,废气中的污染物与填料上的微生物接触,被微生物捕获降解、氧化,使污染物分解为无害的 CO2 和 H2O,无害气体达标排放。在废气浓度很低时,营养液由循环泵送至生物填料床顶部,均匀的喷淋在生物填料上,供微生物吸取营养物质,生长繁殖。臭气处理设备采纳多段处理工艺;多段处理工艺为预处理段、生物处理 1 段、生物处理 2 段和尾气深化处理的组合式除臭工艺。本项目相对传统的除臭工艺,本工程增加了除油工艺和尾气处理工艺,并采纳了两级生物处理,确保除臭处理效果。 说明:本处理流程仅供参考,由各投标方自行优化,确保臭气达标排放。 预处理段预处理设独立的预处理塔;采纳隔油除油工艺,加强除臭系统去除油类物质的能力;保证后段生物处理效果。洗涤液根据需要可以是自来水或中水。预处理部分的含油滤料经气液混合泵曝气冲洗,油份被集中在预处理段生物处理 1 段增...

1、当您付费下载文档后,您只拥有了使用权限,并不意味着购买了版权,文档只能用于自身使用,不得用于其他商业用途(如 [转卖]进行直接盈利或[编辑后售卖]进行间接盈利)。
2、本站所有内容均由合作方或网友上传,本站不对文档的完整性、权威性及其观点立场正确性做任何保证或承诺!文档内容仅供研究参考,付费前请自行鉴别。
3、如文档内容存在违规,或者侵犯商业秘密、侵犯著作权等,请点击“违规举报”。

碎片内容

某污水站污水除臭方案

确认删除?
VIP
微信客服
  • 扫码咨询
会员Q群
  • 会员专属群点击这里加入QQ群
客服邮箱
回到顶部