电脑桌面
添加小米粒文库到电脑桌面
安装后可以在桌面快捷访问

楼板强度的计算

楼板强度的计算_第1页
1/13
楼板强度的计算_第2页
2/13
楼板强度的计算_第3页
3/13
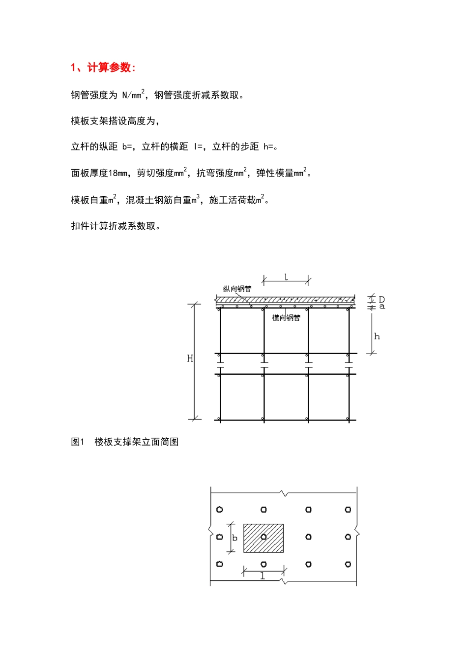
楼板强度的计算(1)计算楼板强度说明验算楼板强度时根据最不利考虑,楼板的跨度取,梁板承受的荷载根据线均布考虑。宽度范围内配筋2级钢筋,配筋面积As=,fy=mm2。板的截面尺寸为 b×h=5600mm×220mm,截面有效高度 h0=200mm。根据楼板每12天浇筑一层,所以需要验算12天、24天、36天...的承载能力是否满足荷载要求,其计算简图如下: (2)计算楼板混凝土12天的强度是否满足承载力要求楼板计算长边,短边×=,楼板计算范围内摆放8×7排脚手架,将其荷载转换为计算宽度内均布荷载。第2层楼板所需承受的荷载为 q=1××+×+ 1×××8×7/+ ×+=m2计算单元板带所承受均布荷载q=×=m板带所需承担的最大弯矩根据四边固接双向板计算 Mmax=×ql2=××= 根据混凝土的强度换算得到12天后混凝土强度达到%,混凝土强度近似等效为。混凝土弯曲抗压强度设计值为fcm=mm2则可以得到矩形截面相对受压区高度: ξ= Asfy/bh0fcm = ×××=查表得到钢筋混凝土受弯构件正截面抗弯能力计算系数为 αs=此层楼板所能承受的最大弯矩为: M1=αsbh02fcm = ××××10-6=结论:由于∑Mi = = > Mmax=所以第12天以后的各层楼板强度和足以承受以上楼层传递下来的荷载。第2层以下的模板支撑可以拆除。钢管楼板模板支架计算满足要求!(十六)180厚屋面板模板(扣件式)计算书1、计算参数:钢管强度为 N/mm2,钢管强度折减系数取。模板支架搭设高度为,立杆的纵距 b=,立杆的横距 l=,立杆的步距 h=。面板厚度18mm,剪切强度mm2,抗弯强度mm2,弹性模量mm2。模板自重m2,混凝土钢筋自重m3,施工活荷载m2。扣件计算折减系数取。 图1 楼板支撑架立面简图 图2 楼板支撑架荷载计算单元根据模板法律规范条规定确定荷载组合分项系数如下:由可变荷载效应控制的组合S=××++×=m2由永久荷载效应控制的组合S=××+××=m2由于可变荷载效应控制的组合S最大,永久荷载分项系数取,可变荷载分项系数取采纳的钢管类型为φ×。钢管按φ×计算。钢管惯性矩计算采纳 I=π(D4-d4)/64,抵抗距计算采纳 W=π(D4-d4)/32D。2、模板面板计算面板为受弯结构,需要验算其抗弯强度和刚度。模板面板的根据三跨连续梁计算。考虑的结构重要系数,静荷载标准值 q1 = ×××+×=m考虑的结构重要系数,活荷载标准值 q2 = ×+×=m面板的截面惯性矩I和截面抵抗矩W分别为:本算例中,截面惯性矩I和截面抵抗矩W分别为: W = ××6 = ; I = ×××12 = ;(1)抗弯强度计算 f = M ...

1、当您付费下载文档后,您只拥有了使用权限,并不意味着购买了版权,文档只能用于自身使用,不得用于其他商业用途(如 [转卖]进行直接盈利或[编辑后售卖]进行间接盈利)。
2、本站所有内容均由合作方或网友上传,本站不对文档的完整性、权威性及其观点立场正确性做任何保证或承诺!文档内容仅供研究参考,付费前请自行鉴别。
3、如文档内容存在违规,或者侵犯商业秘密、侵犯著作权等,请点击“违规举报”。

碎片内容

楼板强度的计算

不二商店+ 关注
实名认证
内容提供者

我是你的不二选择

相关文档

确认删除?
VIP
微信客服
  • 扫码咨询
会员Q群
  • 会员专属群点击这里加入QQ群
客服邮箱
回到顶部