电脑桌面
添加小米粒文库到电脑桌面
安装后可以在桌面快捷访问

围堰设计计算书

围堰设计计算书_第1页
1/13
围堰设计计算书_第2页
2/13
围堰设计计算书_第3页
3/13
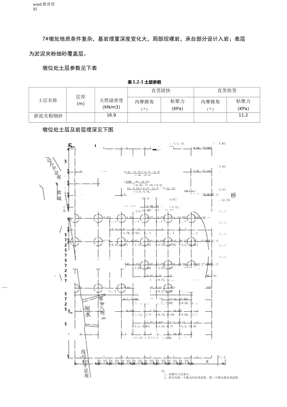
word 教育资料0705^1工程概况1.1 7#墩概述7#主墩承台长 35.7m,宽 19.7m,承台顶标高 0.0m,底标高为-5.0m,总高度为 5m。承台总体布置如下所示。5x5503570图 1.1-1 承台平面尺寸图(单位:cm)7#墩所处所处位置环境复杂,紧邻寺庙及水闸,平面位置如下图所示:观景平台边线老防洪堤边线碧寺幼水闸房屋平边二层砖房观景平台边1.2 水文地质条件1.2.1 水文条件瓯江为不规则的半日潮,落潮历时大于涨潮历时,平均潮差超过 4m,潮流强劲,表面平均流速大于 1m/s;瓯江潮汐特征值详见下表:表 1.2-1 瓯江港区潮差特征值(基准面:85 年高程系潮汐特征温州郭公山龙湾最高潮位(m)5.444.5最低潮位(m)-2.43-2.02平均高潮位(m)2.522.49平均低潮位(m)-1.39-2.02平均潮差(m)3.924.521.2.2 地质条件word 教育资料word 教育资料5756572'-0.08,--9.92,-14.75)(-8.75,-21.8)-7.86,-16.9)8.67)(-,5->1.33,--1.33/-1_1-._亠 13,-213.2)(0.08,-8.-―)59)(-1.54,-16.:4.18)(-0.6.18)5.87)3.85)4.31)桥,-22.79)(-,-)(-,-)(-,-)(-,-)(-,-)注:1、本图尺寸以米计。2、括号内第一个数为河床顶高程,第二个数为基岩顶高程。7#墩处地质条件复杂,基岩埋置深度变化大,局部现裸岩,承台部分设计入岩;表层为淤泥夹粉细砂覆盖层。墩位处土层参数见下表表 1.2-1 土层参数土层名称层厚(m)天然湿密度(KN/m3)直男固快直男快男内摩擦角(°)粘聚力(KPa)内摩擦角(°)粘聚力(KPa)淤泥夹粉细砂16.911.2墩位处土层及岩层埋深见下图-,-)55■■(,-2,--362,-679)72)3.3:-7.4,-15.78)54) ( -5.51-2「未测, - 88,-10.57)(-6.38,-17.18)(-6.91,64,-6.54)(-6.43,-12.41_'-6.55,-25.(-4.9,-6.76,-0_8.12)7,-!-字!--0.22,-4.水03-,-(+1.5,-13.8).8)_.(+1.44,-1.5)(+1.3,.5-5.0,-(-4.72,-22.93)5725757257572555+019,-65^2.)1-,---.word 教育资料图 1.2-17#墩地形实测图(单位:m)1.3 气象条件工程区域属于亚热带海洋性季风湿润气候,温暖湿润,日照充足,雨量充沛,四季分明。多年降水量 1100~2200mm,年平均降水量 1700mm。夏季盛行偏南至西南风,冬季以北至东风为主,多年平均风速 2.0m/s。台风是区域主要的灾害天气 7~9 月是台风活动频繁起,占总数的84%,常伴随狂风暴雨,诱发滑坡、坍塌、泥石流等不良地质现象的发生。1.4 结构描述围堰通过双排钢管桩间填土形成,堰内填土,并在钢管桩悬臂范围内设置 1~2 道支撑系统。在靠近观景平...

1、当您付费下载文档后,您只拥有了使用权限,并不意味着购买了版权,文档只能用于自身使用,不得用于其他商业用途(如 [转卖]进行直接盈利或[编辑后售卖]进行间接盈利)。
2、本站所有内容均由合作方或网友上传,本站不对文档的完整性、权威性及其观点立场正确性做任何保证或承诺!文档内容仅供研究参考,付费前请自行鉴别。
3、如文档内容存在违规,或者侵犯商业秘密、侵犯著作权等,请点击“违规举报”。

碎片内容

围堰设计计算书

确认删除?
VIP
微信客服
  • 扫码咨询
会员Q群
  • 会员专属群点击这里加入QQ群
客服邮箱
回到顶部