电脑桌面
添加小米粒文库到电脑桌面
安装后可以在桌面快捷访问

变压器交流耐压试验[1]

变压器交流耐压试验[1]_第1页
1/6
变压器交流耐压试验[1]_第2页
2/6
变压器交流耐压试验[1]_第3页
3/6
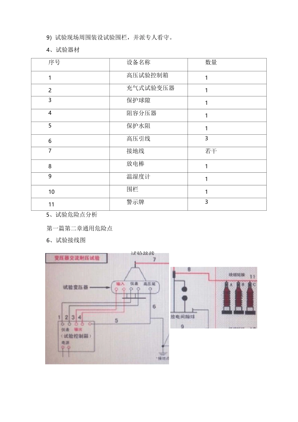
电力变压器交流耐压试验1、交流耐压试验的目的交流耐压试验是鉴定电力设备绝缘强度最有效和最直接的方法,电力设备在运行中,绝缘长期受着电场、温度和机械振动的作用会逐渐发生劣化,其中包括整体劣化和部分劣化,形成缺陷。各种预防性试验方法,各有所长,均能分别发现一些缺陷,反应出绝缘的状况,但其他试验方法的试验电压往往都低于电力设备的工作电压,但交流耐压试验一般比运行电压高,因此通过试验已成为保证变压器安全运行的一个重要手段。2、试验对象绕组连同套管的交流耐压试验,应符合下列规定:1. 容量为 8000kVA 以下、绕组额定电压在 llOkV 以下的变压器,线端试验应按表 1进行交流耐压试验;2. 容量为 8000kVA 及以上、绕组额定电压在 llOkV 以下的变压器,在有试验设备时,可按表 1 验电压标准,进行线端交流耐压试验;3. 绕组额定电压为 110kV 及以上的变压器,其中性点应进行交流耐压试验,试验耐受电压标准为出厂试验电压值的 80%(见表 2)。3、准备工作1) 填写第一种工作票,编写作业控制卡、质量控制卡,班里工作许可手续。2) 向工作班组人员交危险点告知,交代工作内容、人员分工、带电部位,并履行确认手续后开工。3) 准备试验用仪器、仪表、工具,所用仪器仪表良好,所用仪器、仪表、工具在合格周期内。4) 检查变压器外壳,应可靠接地。5) 利用绝缘操作杆带地线上去将变压器带电部位放电。6) 放电后,拆除变压器高压、中压低压引线,其他作业人员撤离现场。7) 检查变压器外观,清洁表面污垢。8)接取电源,先测量电源电压是否符合实验要求,电源线必须牢固,防止突然断开,检查漏电保护装置是否灵敏动作。9)试验现场周围装设试验围栏,并派专人看守。4、试验器材序号设备名称数量1高压试验控制箱12充气式试验变压器13保护球隙14阻容分压器15保护水阻16高压引线37接地线若干8放电棒19温湿度计110围栏111警示牌35、试验危险点分析第一篇第二章通用危险点6、试验接线图试验接线7、试验步骤(1)先将被试品绕组 A、B、C 三相用裸铜线短路连接;(2)其余绕组也用裸铜线短路连接,并与外壳一起接地;(3)将变压器、保护球隙、分压器、接地棒可靠接地(接地线采用 4mm 及以上的多股裸铜线或外覆透明绝缘层的铜质软绞线);(4)将高压控制箱的接地线街道变压器高压尾上;(5)连接控制箱与试验变压器的高压侧接线;(6)导线连接变压器高压端、保护球隙高压端和分压器高压端;(7)连接分压器和测量仪器;(8)接线...

1、当您付费下载文档后,您只拥有了使用权限,并不意味着购买了版权,文档只能用于自身使用,不得用于其他商业用途(如 [转卖]进行直接盈利或[编辑后售卖]进行间接盈利)。
2、本站所有内容均由合作方或网友上传,本站不对文档的完整性、权威性及其观点立场正确性做任何保证或承诺!文档内容仅供研究参考,付费前请自行鉴别。
3、如文档内容存在违规,或者侵犯商业秘密、侵犯著作权等,请点击“违规举报”。

碎片内容

变压器交流耐压试验[1]

您可能关注的文档

确认删除?
VIP
微信客服
  • 扫码咨询
会员Q群
  • 会员专属群点击这里加入QQ群
客服邮箱
回到顶部