电脑桌面
添加小米粒文库到电脑桌面
安装后可以在桌面快捷访问

落地式脚手架计算书

落地式脚手架计算书_第1页
1/9
落地式脚手架计算书_第2页
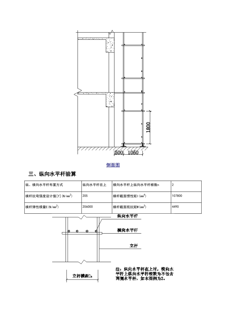
2/9
落地式脚手架计算书_第3页
3/9
落地式脚手架计算书 计算依据: 1、《建筑施工扣件式钢管脚手架安全技术法律规范》JGJ130-2024 2、《建筑地基基础设计法律规范》GB50007-2024 3、《建筑结构荷载法律规范》GB50009-2024 4、《钢结构设计法律规范》GB50017-2024 一、脚手架参数脚手架搭设方式双排脚手架脚手架钢管类型Ф48×3脚手架搭设高度H(m)22脚手架沿纵向搭设长度L(m)243立杆步距h(m)立杆纵距或跨距la(m)立杆横距lb(m)内立杆离建筑物距离a(m)双立杆计算方法不设置双立杆 二、荷载设计脚手板类型竹芭脚手板脚手板自重标准值Gkjb(kN/m2)脚手板铺设方式1步1设密目式安全立网自重标准值Gkmw(kN/m2)挡脚板类型木挡脚板栏杆与挡脚板自重标准值Gkdb(kN/m)挡脚板铺设方式9步1设每米立杆承受结构自重标准值gk(kN/m)结构脚手架作业层数njj1结构脚手架荷载标准值Gkjj(kN/m2)3装修脚手架作业层数nzj1装修脚手架荷载标准值Gkzj(kN/m2)2地区上海上海安全网设置全封闭基本风压ω0(kN/m2)风荷载体型系数μs风压高度变化系数μz(连墙件、单立,风荷载标准值ωk(kN/m2)(连墙件、单,杆稳定性)立杆稳定性) 计算简图:立面图侧面图 三、纵向水平杆验算纵、横向水平杆布置方式纵向水平杆在上横向水平杆上纵向水平杆根数n2横杆抗弯强度设计值[f](N/mm2)205横杆截面惯性矩I(mm4)107800横杆弹性模量E(N/mm2)206000横杆截面抵抗矩W(mm3)4490纵、横向水平杆布置 承载能力极限状态 q=×+Gkjb×lb/(n+1))+×Gk×lb/(n+1)=×+×(2+1))+×3×(2+1)=m 正常使用极限状态 q'=+Gkjb×lb/(n+1))+Gk×lb/(n+1)=+×(2+1))+3×(2+1)=m 计算简图如下: 1、抗弯验算 Mmax==××=·m σ=Mmax/W=×106/4490=mm2≤[f]=205N/mm2 满足要求! 2、挠度验算 νmax='la4/(100EI)=××15004/(100×206000×107800)= νmax=≤[ν]=min[la/150,10]=min[1500/150,10]=10mm 满足要求! 3、支座反力计算 承载能力极限状态 Rmax==××= 正常使用极限状态 Rmax'='la=××= 四、横向水平杆验算 承载能力极限状态 由上节可知F1=Rmax= q=×=m 正常使用极限状态 由上节可知F1'=Rmax'= q'=m 1、抗弯验算 计算简图如下: 弯矩图(kN·m) σ=Mmax/W=×106/4490=mm2≤[f]=205N/mm2 满足要求! 2、挠度验算 计算简图如下: 变形图(mm) νmax=≤[ν]=min[lb/150,10]=min[1050/150,10]=7mm 满足要求! 3、支座反力计算 承载能力极限状态 Rmax= 五、扣件抗滑承载力验算横杆与立杆连接方式...

1、当您付费下载文档后,您只拥有了使用权限,并不意味着购买了版权,文档只能用于自身使用,不得用于其他商业用途(如 [转卖]进行直接盈利或[编辑后售卖]进行间接盈利)。
2、本站所有内容均由合作方或网友上传,本站不对文档的完整性、权威性及其观点立场正确性做任何保证或承诺!文档内容仅供研究参考,付费前请自行鉴别。
3、如文档内容存在违规,或者侵犯商业秘密、侵犯著作权等,请点击“违规举报”。

碎片内容

落地式脚手架计算书

人从众+ 关注
实名认证
内容提供者

欢迎光临小店,本店以公文和教育为主,希望符合您的需求。

相关文档

确认删除?
VIP
微信客服
  • 扫码咨询
会员Q群
  • 会员专属群点击这里加入QQ群
客服邮箱
回到顶部