电脑桌面
添加小米粒文库到电脑桌面
安装后可以在桌面快捷访问

中央空调节能改造项目可研报告VIP专享

中央空调节能改造项目可研报告_第1页
1/14
中央空调节能改造项目可研报告_第2页
2/14
中央空调节能改造项目可研报告_第3页
3/14
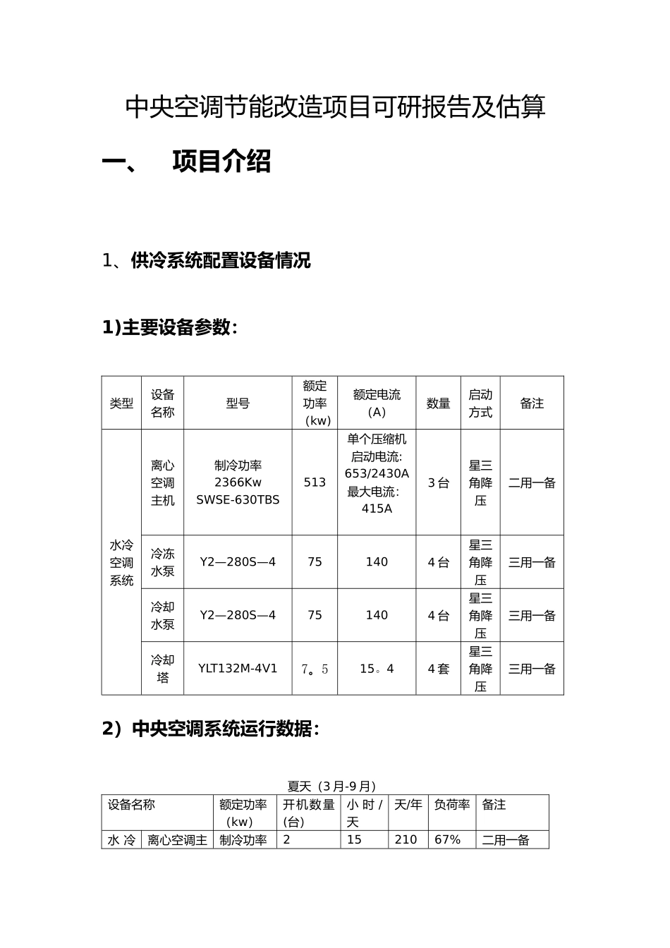
中央空调节能改造项目可研报告及估算一、项目介绍1、供冷系统配置设备情况1)主要设备参数:类型设备名称型号额定功率(kw)额定电流(A)数量启动方式备注水冷空调系统离心空调主机制冷功率2366KwSWSE-630TBS513单个压缩机启动电流:653/2430A最大电流:415A3 台星三角降压二用一备冷冻水泵Y2—280S—4751404 台星三角降压三用一备冷却水泵Y2—280S—4751404 台星三角降压三用一备冷却塔YLT132M-4V17。515。44 套星三角降压三用一备2)中央空调系统运行数据:夏天(3 月-9 月)设备名称额定功率(kw)开机数量(台)小 时 /天天/年负荷率备注水 冷离心空调主制冷功率21521067%二用一备空 调系统机2366冷冻水泵7521521067%二用二备冷却水泵7521521067%二用二备冬季(10 月-2 月)设备名称额定功率(kw)开机数量(台)小 时 /天天/年负荷率备注水 冷空 调系统离心空调主机制冷功率236611215067%一用二备冷冻水泵7521215067%二用一备冷却水泵7521215067%二用一备3、中央空调系统现状分析存在的几个问题1)按 GB50019—2024《采暖通风与空气调节设计法律规范》的相关要求,中央空调系统的控制,应建立集中监控系统,此套系统的核心是各执行元件及各个终端实行连锁、联动保护功能,重点是监控,而系统的节能优化运行在这样的中央空调控制系统中是难以实现的.2)中央空调机组的选型和设计时必须考虑满足高峰期的候机楼制冷/热需要,系统是按最大负载能力、根据气温最高、负荷最大的工作环境来设计的,会留有一定的工作余量,但是,由于自然温度以及人员流动不同,其系统都是在恒定用电情况,不能随着现场需求量及外界条件的变化而变化,在进行系统优化之前,其输入功率不能随之做出相应的调整,导致电能的大量浪费。根据能耗监测统计,中央空调设备 90%的时间在 70%负荷以下波动运行,所以实际负荷并不是满负荷;在冷气需求量较少时,主机负荷量低,存在一定的节能潜力。3)由于历史的原因,在采纳中央空调系统时,选择厂家制冷主机的控制方式,这原来无可厚非的。但由于这种控制方式是简单以进、出水口的温度变化控制主机的启/停,控制策略为固定模式,没有办法做到有针对性的控制,而且循环水泵是长开的,其终端也是常开的,终端的使用情况要人为控制,那么在人的责任心影响下,不该开空调的位置在用着,管道给主机带来的负荷始终存在着,循环水泵始终在开着,造成了能源的极大浪费。所以冷水机组的控制系统只能用于本身机组的控制上,对...

1、当您付费下载文档后,您只拥有了使用权限,并不意味着购买了版权,文档只能用于自身使用,不得用于其他商业用途(如 [转卖]进行直接盈利或[编辑后售卖]进行间接盈利)。
2、本站所有内容均由合作方或网友上传,本站不对文档的完整性、权威性及其观点立场正确性做任何保证或承诺!文档内容仅供研究参考,付费前请自行鉴别。
3、如文档内容存在违规,或者侵犯商业秘密、侵犯著作权等,请点击“违规举报”。

碎片内容

中央空调节能改造项目可研报告

确认删除?
VIP
微信客服
  • 扫码咨询
会员Q群
  • 会员专属群点击这里加入QQ群
客服邮箱
回到顶部