电脑桌面
添加小米粒文库到电脑桌面
安装后可以在桌面快捷访问

临时用电施工方案(金岛路-桥梁)

临时用电施工方案(金岛路-桥梁)_第1页
1/17
临时用电施工方案(金岛路-桥梁)_第2页
2/17
临时用电施工方案(金岛路-桥梁)_第3页
3/17
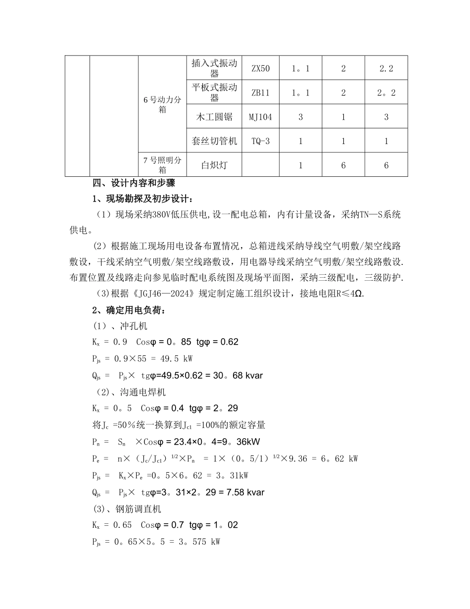
一、工程概况1、工程名称:三灶镇金岛路改造工程—桥梁工程2、建设单位:金湾区三灶镇市政管理服务中心3、监理单位:珠海城市开发建设监理有限公司4、施工单位:深圳市旭生骏鹏建筑工程有限公司5、工程地点:金湾区三灶镇金海岸中学旁6、工程概况:天桥位于金海岸中学旁,采纳 2×16。15m 钢筋砼连续箱梁,天桥桥面全宽 5.0m,设置中间两边低的 1%纵坡以便于排水,主体部分设有钢结构顶棚,两侧桥墩采纳小盖梁接桩柱式,桩柱直径分别为 D130cm、D120cm,天桥中间桥墩采纳墩梁固结,桩柱直径同边墩,人行楼梯下采纳 D50+D80cm 的墩柱尺寸。 二、编制依据《低压配电设计法律规范》GB50054—95中国建筑工业出版社《建筑工程施工现场供电安全法律规范》GB50194—93中国建筑工业出版社《通用用电设备配电设计法律规范》GB50055—93中国建筑工业出版社《供配电系统设计法律规范》GB50052—95中国建筑工业出版社《施工现场临时用电安全技术法律规范》JGJ46—2024中国建筑工业出版社《建筑施工安全检查标准》JGJ59—99三、施工条件三灶镇金岛路改造工程-—桥梁工程施工现场用电量统计表:总箱干线分箱机具名称型号安装功率(kW)数量合计功率(kW)总配电箱1 号干线1 号动力分箱冲孔机JK8T551552 号动力分箱冲孔机JK8T551552 号干线3 号动力分箱沟通电焊机BX3-200-223。4123.44 号动力分箱沟通电焊机BX3-200-223.4123.43 号干线5 号动力分箱钢筋调直机GT6/85。515.5钢筋切断机QJ40-15.515。5钢筋弯曲机GW40313钢筋直螺纹机3136 号动力分箱插入式振动器ZX501。122.2平板式振动器ZB111。122。2木工圆锯MJ104313套丝切管机TQ-31117 号照明分箱白炽灯166四、设计内容和步骤1、现场勘探及初步设计:(1)现场采纳380V低压供电,设一配电总箱,内有计量设备,采纳TN—S系统供电。(2)根据施工现场用电设备布置情况,总箱进线采纳导线空气明敷/架空线路敷设,干线采纳空气明敷/架空线路敷设,用电器导线采纳空气明敷/架空线路敷设.布置位置及线路走向参见临时配电系统图及现场平面图,采纳三级配电,三级防护.(3)根据《JGJ46—2024》规定制定施工组织设计,接地电阻R≤4Ω.2、确定用电负荷:(1)、冲孔机Kx = 0.9 Cosφ = 0。85 tgφ = 0.62Pjs = 0.9×55 = 49.5 kWQjs = Pjs× tgφ=49.5×0.62 = 30。68 kvar(2)、沟通电焊机Kx = 0。5 Cosφ = 0.4 tgφ = 2。29将Jc =50%统一换算到Jc1 =100%的额定容量Pn = Sn ×Co...

1、当您付费下载文档后,您只拥有了使用权限,并不意味着购买了版权,文档只能用于自身使用,不得用于其他商业用途(如 [转卖]进行直接盈利或[编辑后售卖]进行间接盈利)。
2、本站所有内容均由合作方或网友上传,本站不对文档的完整性、权威性及其观点立场正确性做任何保证或承诺!文档内容仅供研究参考,付费前请自行鉴别。
3、如文档内容存在违规,或者侵犯商业秘密、侵犯著作权等,请点击“违规举报”。

碎片内容

临时用电施工方案(金岛路-桥梁)

您可能关注的文档

确认删除?
VIP
微信客服
  • 扫码咨询
会员Q群
  • 会员专属群点击这里加入QQ群
客服邮箱
回到顶部