电脑桌面
添加小米粒文库到电脑桌面
安装后可以在桌面快捷访问

产品编号管理办法

产品编号管理办法_第1页
1/1
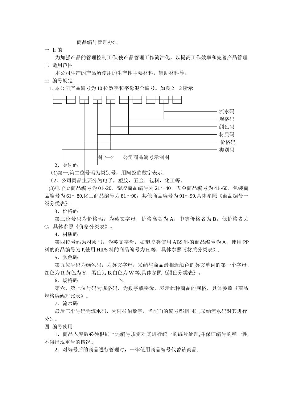
商品编号管理办法一 目的为加强产品的管理控制工作,使产品管理工作简洁化,以提高工作效率和完善产品管理.二 适用范围本公司生产的产品所使用的生产性主要材料,辅助材料等。三 编号规定 1. 本公司产品编号为 10 位数字和字母混合编号。如图 2—2 所示流水码规格码颜色码材质码价格码类别码图 2—2 公司商品编号示例图2.类别码 (1)第一,第二位号码为类别号,用阿拉伯数字表示. (2)公司商品主要分为电子,塑胶,五金,包料,化工等。 (3)电子类商品编号为 01~20,塑胶商品编号为 21~40,五金商品编号为 41~60,包装商品编号为 61~80,化工商品编号为 81~90,其他商品编号为 91~99.具体参照《商品编号一级分类表》.3.价格码第三位号码为价格码,为英文字母,价格高者为 A,中等价格者为 B,低价格者为C,具体参照《价格分类表》。4.材质码第四位号码为材质码,为英文字母,如塑胶类使用 ABS 料的商品编号为 A,使用 PP料的商品编号为 P,使用 HIPS 料的商品编号为 H 等,具体参照《材质分类表》.5.颜色码第五位号码为颜色码,为英文字母,采纳与商品最相近颜色的英文单词的第一个字母 .红色为 R,黄色为 Y,黑色为 B,白色为 W 等,具体参照《颜色分类表》。6.规格码第六,第七位号码为规格码,为数字或字母,表示此种商品的规格,具体参照《商品规格编码对比表》。7.流水码最后三个号码为流水码,为阿拉伯数字,当前面的编号都相同时,采纳流水码对其进行分别。四 编号使用1.商品入库后必须根据上述编号规定对其进行统一的编号处理,并保证编号的唯一性,不得出现重号的情况。2.对编号后的商品进行管理时,一律使用商品编号代替该商品.

1、当您付费下载文档后,您只拥有了使用权限,并不意味着购买了版权,文档只能用于自身使用,不得用于其他商业用途(如 [转卖]进行直接盈利或[编辑后售卖]进行间接盈利)。
2、本站所有内容均由合作方或网友上传,本站不对文档的完整性、权威性及其观点立场正确性做任何保证或承诺!文档内容仅供研究参考,付费前请自行鉴别。
3、如文档内容存在违规,或者侵犯商业秘密、侵犯著作权等,请点击“违规举报”。

碎片内容

产品编号管理办法

确认删除?
VIP
微信客服
  • 扫码咨询
会员Q群
  • 会员专属群点击这里加入QQ群
客服邮箱
回到顶部