电脑桌面
添加小米粒文库到电脑桌面
安装后可以在桌面快捷访问

基于PLC控制变频器恒压供水系统电路图和PLC程序

基于PLC控制变频器恒压供水系统电路图和PLC程序_第1页
1/3
基于PLC控制变频器恒压供水系统电路图和PLC程序_第2页
2/3
基于PLC控制变频器恒压供水系统电路图和PLC程序_第3页
3/3
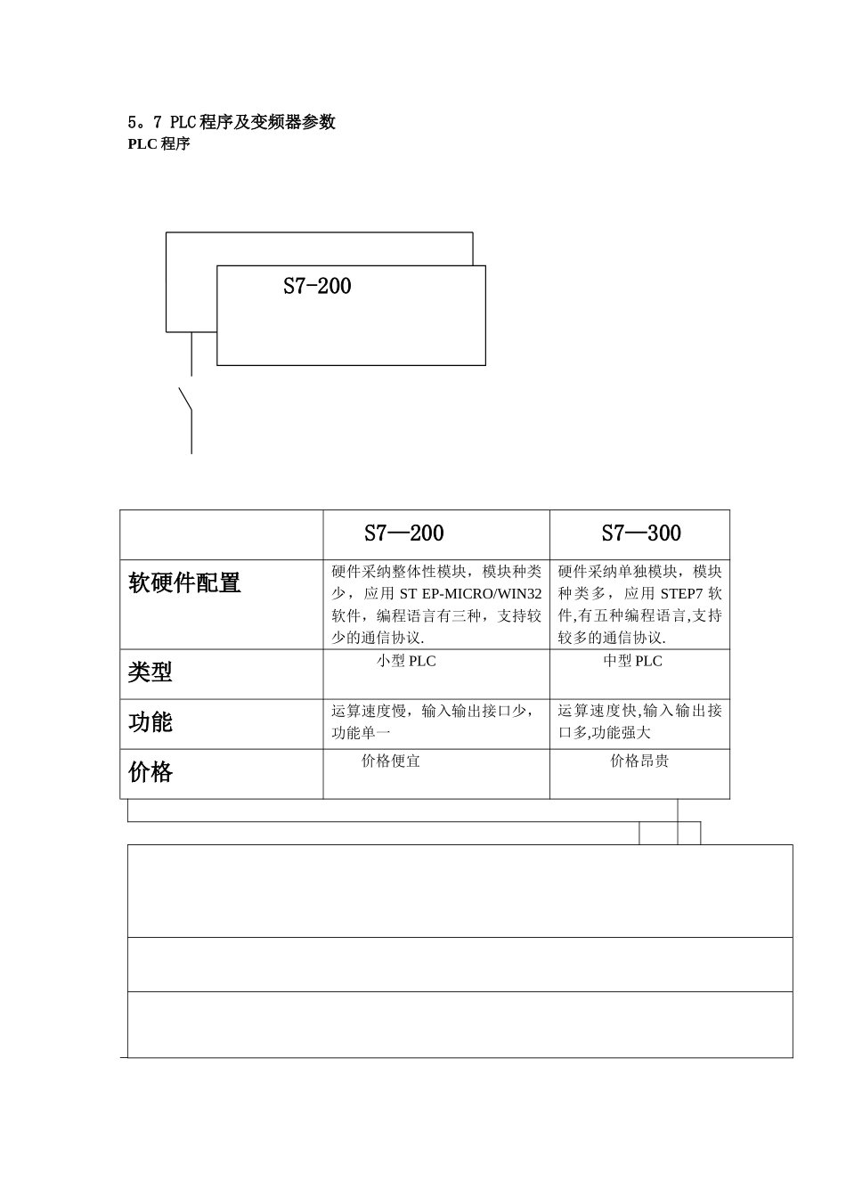
5。7 PLC 程序及变频器参数PLC 程序S7—200S7—300软硬件配置硬件采纳整体性模块,模块种类少,应用 ST EP-MICRO/WIN32软件,编程语言有三种,支持较少的通信协议.硬件采纳单独模块,模块种类多,应用 STEP7 软件,有五种编程语言,支持较多的通信协议.类型小型 PLC中型 PLC功能运算速度慢,输入输出接口少,功能单一运算速度快,输入输出接口多,功能强大价格价格便宜价格昂贵 S7-200CPU221CPU222CPU224输入输出口6 输入/4 输出共 10 个数字量 I/O 点8 输入/6 输出共 14 个数字量 I/O 点14 输入/10 输出共 24个数字量 I/O 点, 2 输入/1 输出共 3 个模拟量 I/O 点扩展模块无2 个7 个高速计数器4 个独立的 30kHz 高速计数器4 个独立的 30kHz6 个 独 立 的 100KHz高速计数器程序和数据存储空间6K6K20K高速脉冲输出2 路独立的 20kHz2 路独立的 20kHz2 个 100KHz通讯协议PPI MPIPPI MPIPPI MPIRS485 通 讯 / 编程口1 个1 个2 个变频恒压供水系统 :一般用电位器设定压力(也可采纳面板内部设定压力),采纳一个压力传感器(反馈为 4~20mA 或 0-10V)检测管网中压力,压力传感器将信号送入变频器 PID回路,PID 回路处理之后,送出一个水量增加或减少信号,控制马达转速。如在一定延时时间内,压力还是不足或过大,则通过 PLC 作工频/变频切换,使实际管网压力与设定压力相一致。

1、当您付费下载文档后,您只拥有了使用权限,并不意味着购买了版权,文档只能用于自身使用,不得用于其他商业用途(如 [转卖]进行直接盈利或[编辑后售卖]进行间接盈利)。
2、本站所有内容均由合作方或网友上传,本站不对文档的完整性、权威性及其观点立场正确性做任何保证或承诺!文档内容仅供研究参考,付费前请自行鉴别。
3、如文档内容存在违规,或者侵犯商业秘密、侵犯著作权等,请点击“违规举报”。

碎片内容

基于PLC控制变频器恒压供水系统电路图和PLC程序

阳光书坊+ 关注
实名认证
内容提供者

阳光书坊,传播未来

确认删除?
VIP
微信客服
  • 扫码咨询
会员Q群
  • 会员专属群点击这里加入QQ群
客服邮箱
回到顶部