电脑桌面
添加小米粒文库到电脑桌面
安装后可以在桌面快捷访问

基站设备安装工程管理计划

基站设备安装工程管理计划_第1页
1/16
基站设备安装工程管理计划_第2页
2/16
基站设备安装工程管理计划_第3页
3/16
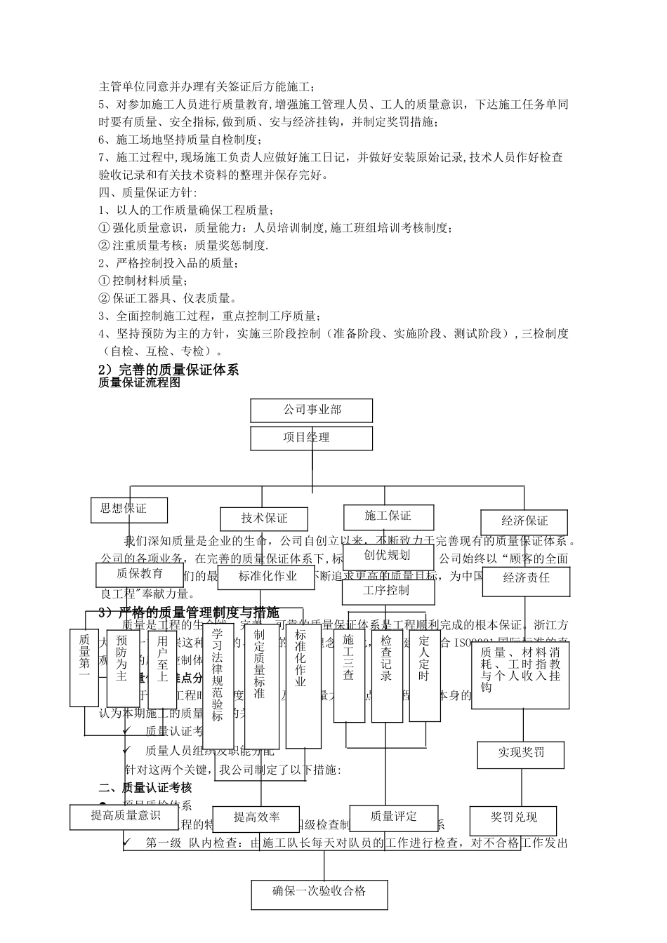
3.4。1 工程管理计划经过十余年的积累和沉淀,方大通信已经形成了一支专业化的服务团队。至今承建的全业务/管线/宏站工程遍布全国十余个省,工程站点数以万计.为了与运营商搭建友好的合作平台,方大通信积极参加通信运营商近10年以来的各项业务合作,包括:基站设备安装、室内外分布系统、小区分布分系统、传输管道工程、光缆线路接入工程、集客信息化和数据专线工程、驻地网工程方案的设计、实施方面有着丰富的经验,包括站址资源谈判、方案设计、系统集成、系统开通及后期优化等服务。另外还承接了浙江移动运营商全业务综合代维工作.方大通信凭借与运营商长期合作积累了具有丰富经验的项目管理团队,能够达成各种类型的专业施工工作。各类专业项目从前期的协调工作——工程勘测——方案设计-—工程实施—-测试—-工程验收--竣工资料提交—-工程终验结束,都是由我公司来完成。我们公司在针对此项目有充足的人力、物力、财力,完全能够满足该项目实施!为了更好的保障本次招标所含项目的顺利实施,方大通信在当地已经建立了地市级项目管理体系,同时在全省建立对技术、工程的质量监察体系。并为本次招标项目配备了最优的施工团队和技术团队。我司非常重视此次招投标活动,专门成立了应标组织机构,公司主要负责人牵头召集业务骨干,行业专家,一线经验丰富的管理与技术骨干,充分学习招标文件及其附件与澄清答疑文件,分析技术法律规范,合同相关要求,结合我司在河北电信服务的实际特点,针对工程质量把控能力的各个方面,从实际管理与施工各个角度,提供服务的不同层面,提出具体详实的方案建议.工程管理计划分为质量管理目标及计划、进度管理目标及计划、安全管理目标及计划、环境管理目标及计划、成本管理目标及计划。表 3—43。4。1.1 质量管理目标及计划1)工程质量控制目标与计划一、质量控制的目标:我公司本着质量第一、顾客至上、诚信守法、务实创新的质量方针,根据通信相关工程施工法律规范,设立简洁、实效的工程质量管理组织机构,对工程进行有效的质量控制。我们承诺:服务质量达到全部合格、竣工交验一次合格率100%,顾客满意率100%以上;承诺实施全天候服务,八小时工作制,二十四小时责任制。二、质量控制的依据:工程质量控制的依据包括:信息产业部有关通信工程施工的相关法律规范、河北电信公司制定的相关技术法律规范及工程设计的相关技术规定.三、质量控制的内容:1、施工质量符合法律规范要求;2、严格按公司制定的《工程质量考核...

1、当您付费下载文档后,您只拥有了使用权限,并不意味着购买了版权,文档只能用于自身使用,不得用于其他商业用途(如 [转卖]进行直接盈利或[编辑后售卖]进行间接盈利)。
2、本站所有内容均由合作方或网友上传,本站不对文档的完整性、权威性及其观点立场正确性做任何保证或承诺!文档内容仅供研究参考,付费前请自行鉴别。
3、如文档内容存在违规,或者侵犯商业秘密、侵犯著作权等,请点击“违规举报”。

碎片内容

基站设备安装工程管理计划

您可能关注的文档

确认删除?
VIP
微信客服
  • 扫码咨询
会员Q群
  • 会员专属群点击这里加入QQ群
客服邮箱
回到顶部