电脑桌面
添加小米粒文库到电脑桌面
安装后可以在桌面快捷访问

家装水电验收表

家装水电验收表_第1页
1/1
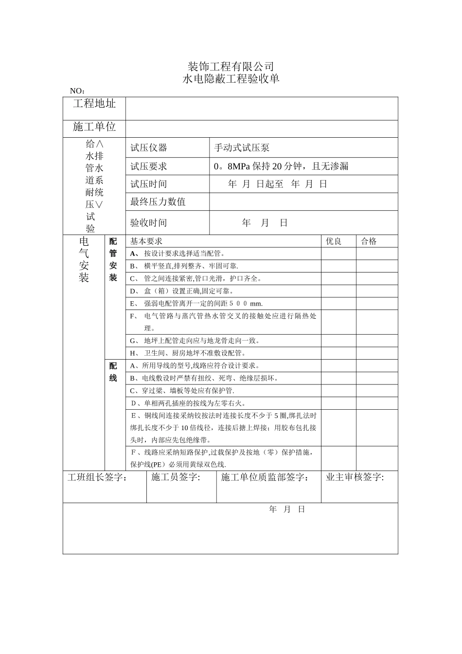
装饰工程有限公司水电隐蔽工程验收单NO:工程地址施工单位给∧水排管水道系耐统压∨试验试压仪器手动式试压泵试压要求0。8MPa 保持 20 分钟,且无渗漏试压时间年 月 日起至 年 月 日最终压力数值验收时间年 月 日电气安装配管安装基本要求优良合格A、 按设计要求选择适当配管。B、 横平竖直,排列整齐、牢固可靠.C、 管之间连接紧密,管口光滑,护口齐全。D、 盒(箱)设置正确,固定可靠。E、 强弱电配管离开一定的间距500 mm.F、 电气管路与蒸汽管热水管交叉的接触处应进行隔热处理。G、 地坪上配管走向应与地龙骨走向一致。H、 卫生间、厨房地坪不准敷设配管。配线A、所用导线的型号,线路应符合设计要求。B、电线敷设时严禁有扭绞、死弯、绝缘层损坏。C、穿过梁、墙板等处应有保护管.D、单相两孔插座的按线为左零右火。E、铜线间连接采纳铰按法时连接长度不少于 5 圈,绑扎法时绑扎长度不少于 10 倍线径,连接后搪上焊接;用胶布包扎接头时,内部应先包绝缘带。F、线路应采纳短路保护,过载保护及按地(零)保护措施,保护线(PE)必须用黄绿双色线.工班组长签字:施工员签字:施工单位质监部签字:业主审核签字: 年 月 日

1、当您付费下载文档后,您只拥有了使用权限,并不意味着购买了版权,文档只能用于自身使用,不得用于其他商业用途(如 [转卖]进行直接盈利或[编辑后售卖]进行间接盈利)。
2、本站所有内容均由合作方或网友上传,本站不对文档的完整性、权威性及其观点立场正确性做任何保证或承诺!文档内容仅供研究参考,付费前请自行鉴别。
3、如文档内容存在违规,或者侵犯商业秘密、侵犯著作权等,请点击“违规举报”。

碎片内容

家装水电验收表

确认删除?
VIP
微信客服
  • 扫码咨询
会员Q群
  • 会员专属群点击这里加入QQ群
客服邮箱
回到顶部