电脑桌面
添加小米粒文库到电脑桌面
安装后可以在桌面快捷访问

对讲机使用管理规定

对讲机使用管理规定_第1页
1/3
对讲机使用管理规定_第2页
2/3
对讲机使用管理规定_第3页
3/3
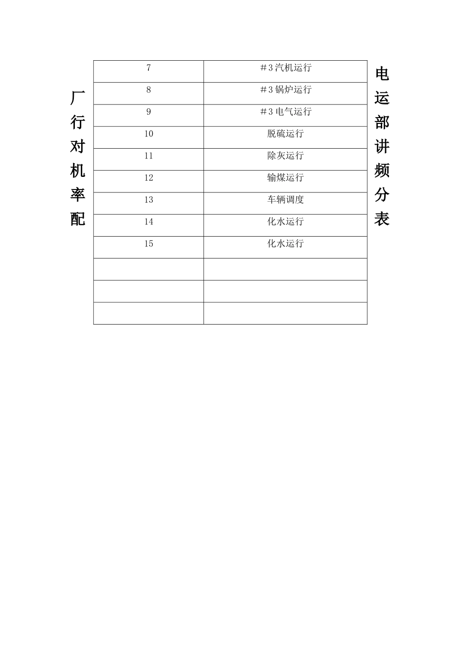
对讲机使用管理1、配有对讲机人员在上班时间内必须随身携带,以便工作联络,为了不影响办公室其它人的正常工作持对讲机进入办公室时必须将音量调小.2、工作联络对讲机呼叫最多三次必须回应,无回应者当以呼叫失败,不可继续呼叫,可实行手机联络。3、共用的班别交接班时,必须做好对讲机的移交、验收工作并签字确认。如未按交接班制度要求,出现故障无法确认责任方时,由交接双方班或该班上司共同承担相应的赔偿责任。发现使用故障必须及时上报 IT 部。4、使用方法:(一)按下发射键(也叫 PTT 键)并开始讲话,讲话完毕松开 PTT 键。(二)对讲机发射时,距离头部或身体至少 2.5 厘米.(三)讲话时不必大声,只需在距对讲机 5—10 厘米处以正常音量讲话即可5、操作行为管理(一)严禁私自乱拆、乱调、抛扔、敲打等行为。(二)不可将对讲机放在极度多尘、潮湿环境.(三)不可让对讲机受长时间的阳光直射及放置在加热装置附近。(四)假如发现对讲机发生异常气味和冒烟,应立即关闭电源,并取出电池,然后送至 IT 部维修处理。(五)、严格按规定频率使用(运行部新规划频率),严禁乱调乱按其频率、将天线拆下来或随意拆卸。(六)、严格不按对讲机程序关电、更换电池,以保障对讲机的性能,寿命和使用效果。(七)、电池不能常常更换,电池充电时间不能超过 15 小时.对讲机通话法律规范用语1、不准用对讲机谈论与上班无关的事情和不文明的言语,其称呼必须是姓/名+职称或全姓名,呼叫时:先称呼待回应后再讲述联络内容。2、接班时,交机人要讲明对讲机当班使用状况,接班者当场查验,发现损坏或通讯失灵立即报告检修.3、遵守“谁使用,谁保管;谁损坏,谁负责"的原则 创源电厂运行部 2024 年 10 月 1 日频道使用部位1#1 汽机运行2#1 锅炉运行3#1 电气运行4#2 汽机运行5#2 锅炉运行6#2 电气运行电厂运行部对讲机频率分配表7#3 汽机运行8#3 锅炉运行9#3 电气运行10脱硫运行11除灰运行12输煤运行13车辆调度14化水运行15化水运行

1、当您付费下载文档后,您只拥有了使用权限,并不意味着购买了版权,文档只能用于自身使用,不得用于其他商业用途(如 [转卖]进行直接盈利或[编辑后售卖]进行间接盈利)。
2、本站所有内容均由合作方或网友上传,本站不对文档的完整性、权威性及其观点立场正确性做任何保证或承诺!文档内容仅供研究参考,付费前请自行鉴别。
3、如文档内容存在违规,或者侵犯商业秘密、侵犯著作权等,请点击“违规举报”。

碎片内容

对讲机使用管理规定

您可能关注的文档

确认删除?
VIP
微信客服
  • 扫码咨询
会员Q群
  • 会员专属群点击这里加入QQ群
客服邮箱
回到顶部