电脑桌面
添加小米粒文库到电脑桌面
安装后可以在桌面快捷访问

工程竣工验收申请质监站

工程竣工验收申请质监站_第1页
1/2
工程竣工验收申请质监站_第2页
2/2
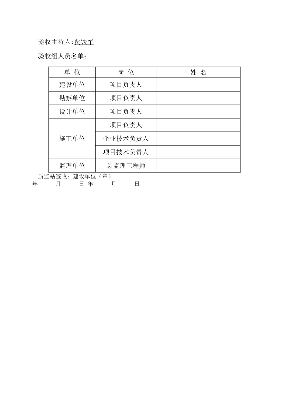
工程竣工验收申请银川市建 设 工程质量监督站 宁东 分站 : 宁东能源化工基地南湖中水厂项目设计采购施工 (EPC ) 工程 总承包 工程,建筑面积 16774 。 57 ㎡,地下 0 层,地上 1-2 层,结构类型 框架、排架、钢筋混凝 土结构、钢混结构 ,已具备下列验收条件: 1、完成工程设计和合同约定的各项内容;2、施工单位在工程完工后对工程质量已进行了检查,确认工程质量符合有关法律、法规和工程建设强制性标准,符合设计文件及合同要求,并提出工程竣工报告。工程竣工报告已经项目经理和施工单位有关技术负责人审核签字;3、对于委托监理的工程项目,监理单位对工程进行了质量评价,具有完整的监理资料,并提出工程质量评估报告.工程质量评估报告已经总监理工程师和监理单位有关负责人审核签字;4、勘察、设计单位对勘察、设计文件及施工过程中由设计单位签署的设计变更通知书已进行了检查,并提出质量检查报告。质量检查报告已经项目勘察、设计负责人和勘察、设计单位有关技术负责人审核签字;5、有完整的工程技术档案和施工管理资料,并已提交建设(或监理)单位审查符合要求,并随《工程竣工验收申请表》报送质量监督站审核;6、有工程使用的主要建筑材料、建筑构配件和设备的出厂合格证、进场试验报告,并已提交建设(或监理)单位审查符合要求;7、住宅工程质量通病按《住宅工程质量通病防治任务书》所确定的内容防治到位,并有施工单位的《住宅工程质量通病防治内容总结报告》和监理单位的《住宅工程质量通病防治工作评估报告》;8、有施工单位签署的工程质量保修书;9、有公安消防、环保、规划、节能等部门的认可文件或者准许使用文件;10、住宅工程质量进行了分户验收,并按户出具了《住宅工程质量分户验收表》;11、建设行政主管部门及其委托的工程质量监督机构等有关部门责令整改的问题已全部整改完毕。现拟定于 2024 年 07 月 20 日 由建设单位组织竣工验收,请监督站派员监督检查.验收地点:宁东马家滩镇石马公路里程碑 47 公里、公路南侧距离公里 200 米处 验收主持人:贾铁军验收组人员名单:单 位岗 位姓 名建设单位项目负责人勘察单位项目负责人设计单位项目负责人施工单位项目负责人企业技术负责人项目技术负责人监理单位总监理工程师质监站签收:建设单位(章) 年 月 日 年 月 日

1、当您付费下载文档后,您只拥有了使用权限,并不意味着购买了版权,文档只能用于自身使用,不得用于其他商业用途(如 [转卖]进行直接盈利或[编辑后售卖]进行间接盈利)。
2、本站所有内容均由合作方或网友上传,本站不对文档的完整性、权威性及其观点立场正确性做任何保证或承诺!文档内容仅供研究参考,付费前请自行鉴别。
3、如文档内容存在违规,或者侵犯商业秘密、侵犯著作权等,请点击“违规举报”。

碎片内容

工程竣工验收申请质监站

您可能关注的文档

确认删除?
VIP
微信客服
  • 扫码咨询
会员Q群
  • 会员专属群点击这里加入QQ群
客服邮箱
回到顶部