电脑桌面
添加小米粒文库到电脑桌面
安装后可以在桌面快捷访问

工装分级管理规定

工装分级管理规定_第1页
1/3
工装分级管理规定_第2页
2/3
工装分级管理规定_第3页
3/3
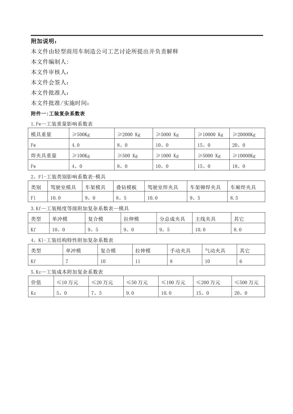
工装分级管理规定JAC-QXCZ—JS13—20241 目的与范围为了使轻型商用车制造公司工装管理科学化、精细化,做到“保证重点,兼顾普遍,分级管控,全面监督", 特制订本管理规定。本管理规定适用于各专业厂和托管单位模具、夹具和检具等。2 职责2.1 工艺讨论所2。1。1 负责工装分级标准的制定;2。1。2 负责公司级工装分级台帐的汇总、建立及更新;2.1。3 负责公司工装分级管理推动监督和考评。2。2 使用单位2。3。1 负责按工装分级标准确认本单位所属工装的管理级别并纳入台账;2。3.2 负责收集和反馈工装的使用状态。3 项目内容3。1 工装分级标准3.1.1 工装分级依据工装关键性(CR)进行分类.工装关键性(CR)指标包括:对产品质量影响程度(P)工装结构复杂程度(K)工装易损程度(E)维修保养难度(U)各指标评分依据见下表:分值指标1 分2 分3 分对产品质量影响程度 P1.有重要影响2。工序特性为关键、特别1.有较大影响2。工序特性为重要1.有一般影响2。工序特性为一般工装复杂程度 K复杂系数 K≥55复杂系数 K≥40复杂系数 K<40工装易损程度 E1.重复使用≥150 次/日2。每月常常维修1。重复使用≥80 次/日2。每月间或维修1。重复使用〈80 次/日2。部件基本不更换维修保养难度 U1。使用定额已重置工装2.维修保养难度较高1。使用定额≥50%工装2.维修保养难度一般1.新制工装2.闲置封存工装3。一般不需维修其中工装复杂系数是表示工装复杂程度的数值,以其成本、结构特性、精度,以及保证产品尺寸的要求难易程度和总体尺寸、工装净重等一系列因素来确定的,计算公式为:K= Fw + Fl + Kf + Kl + Kz 式中 K —工装复杂系数 Fw-工装重量影响系数Fl-工装类别影响系数 Kf-工装精度等级附加复杂系数,Kl—工装结构特性附加复杂系数, Kz—工装成本附加复杂系数。 各影响系数由各单位工装管理员参照附件 1 计算.3。1.2 工装关键性计算公式为:CR=P×K×E×U,其中 CR 值越低,表示工装关键性越高。3.1.3 工装关键性评估分级标准为:A 类工装:1≤CR≤4B 类工装:4<CR≤36C 类工装:CR>363.2 工装分级管理要求3.2。1 工装分级管理,以工装分类为依据,对工装使用保养、预防性维护、检定进行分级管理。其中 A 类工装管理频次应多于 B、C 类工装;3。2.2 使用单位每年根据工装分类标准、实际生产任务、工装维修保养情况和下一年度需求确认本单位模具、焊夹具的管理级别,并将确认资料和结果上报工艺讨论所;3.2...

1、当您付费下载文档后,您只拥有了使用权限,并不意味着购买了版权,文档只能用于自身使用,不得用于其他商业用途(如 [转卖]进行直接盈利或[编辑后售卖]进行间接盈利)。
2、本站所有内容均由合作方或网友上传,本站不对文档的完整性、权威性及其观点立场正确性做任何保证或承诺!文档内容仅供研究参考,付费前请自行鉴别。
3、如文档内容存在违规,或者侵犯商业秘密、侵犯著作权等,请点击“违规举报”。

碎片内容

工装分级管理规定

确认删除?
VIP
微信客服
  • 扫码咨询
会员Q群
  • 会员专属群点击这里加入QQ群
客服邮箱
回到顶部