电脑桌面
添加小米粒文库到电脑桌面
安装后可以在桌面快捷访问

悬臂式挡土墙施工技术交底

悬臂式挡土墙施工技术交底_第1页
1/18
悬臂式挡土墙施工技术交底_第2页
2/18
悬臂式挡土墙施工技术交底_第3页
3/18
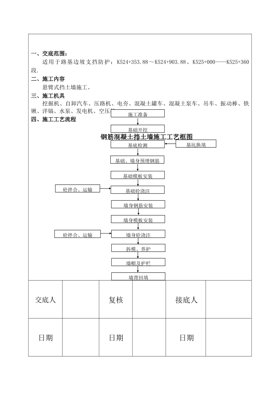
技术交底单第 1 页,共 9 页工程名称银川车站站改工程接受班组轨道架子队交底项目悬臂挡土墙施工交底日期2024—2—14一、交底范围:适用于路基边坡支挡防护: K524+353.88~K524+903.88、K525+000——K525+360段.二、施工内容悬臂式挡土墙施工。三、施工机具挖掘机、自卸汽车、压路机、电夯、混凝土罐车、混凝土泵车、吊车、振动棒、铁锹、洋镐、水泵、发电机、空压机。四、施工工艺流程钢筋混凝土挡土墙施工工艺框图交底人复核接底人日期日期日期施工准备基础开挖砼拌合、运输墙帽及护栏基础砼浇注拆模、养护基础模板安装墙背回填基坑换填基底检测基础、墙身预埋钢筋墙身砼浇注墙身模板安装砼拌合、运输墙身钢筋安装技术交底单第 2 页,共 9 页工程名称银川车站站改工程接受班组轨道架子队交底项目悬臂挡土墙施工交底日期2024-2—14五、操作要点1、基坑开挖施工方案:机械配合人工施工方法:挖掘机开挖土方、直接装入汽车运出,人工配合。(l)基坑开挖前,必须挖设探沟,明确光电缆位置,无法改移的光电缆必须进行防护或深埋。 (2)测量放线、定点定位、打入标识桩、测量必须复测、符合精度要求后,打入标桩,做好防护,地面撒上白灰线。(3)挖掘机挖土,汽车运土,要按 1:1 放坡,严禁超挖(4)基坑开挖时用挖机开挖至设计标高 20cm 处,然后采纳人工清除,人工清理基底覆土,基底要平整,不得凹凸不平。(5)平整基底后,用夯机夯实,经试验、监理验槽后,立即换填碎石。(6)清除挡土墙基底软土均换填为碎石层,碎石换填至稳定的细砂面,并于挡墙基底碎石层内铺设两层土工格栅,层间距 0。3m.基坑开挖尺寸允许偏差及挡墙施工要求允许偏差要求见附表 12、铺设土工格栅(1)土工格栅应选用防腐性较强的土工格栅.(2)格栅避开阳光长时间直接照射,铺设前碎石表面必须平整,不得有坚硬凸出物,严禁机械设备直接在格栅表面碾压.(3)格栅铺设时拉紧不得有褶皱,接头间必须绑扎粘牢,连接长度不得低于其容许抗拉强度,确保挡墙基底整体稳定.3、钢筋加工钢筋要求平直、无损伤,表面无裂纹、油污、颗粒状或片状老锈。(1)钢筋按设计长度用钢筋切断机切断,按规格分堆码放,做好标识,底部放木方与地面隔离 30cm。(2)钢筋按设计尺寸弯制,弯曲的钢筋要平顺、光滑、无扭曲、翅曲。(3)挡墙纵向钢筋采纳闪光对焊,焊接接头强度不低于钢筋本身的杭拉强度;(4)焊接接头应设在承受应力较小处并相互错开,“同一截面”[35d(d 为接头钢筋的较大直接)...

1、当您付费下载文档后,您只拥有了使用权限,并不意味着购买了版权,文档只能用于自身使用,不得用于其他商业用途(如 [转卖]进行直接盈利或[编辑后售卖]进行间接盈利)。
2、本站所有内容均由合作方或网友上传,本站不对文档的完整性、权威性及其观点立场正确性做任何保证或承诺!文档内容仅供研究参考,付费前请自行鉴别。
3、如文档内容存在违规,或者侵犯商业秘密、侵犯著作权等,请点击“违规举报”。

碎片内容

悬臂式挡土墙施工技术交底

您可能关注的文档

确认删除?
VIP
微信客服
  • 扫码咨询
会员Q群
  • 会员专属群点击这里加入QQ群
客服邮箱
回到顶部