电脑桌面
添加小米粒文库到电脑桌面
安装后可以在桌面快捷访问

普光气田220kV变电站定期检修项目施工组织设计

普光气田220kV变电站定期检修项目施工组织设计_第1页
1/13
普光气田220kV变电站定期检修项目施工组织设计_第2页
2/13
普光气田220kV变电站定期检修项目施工组织设计_第3页
3/13
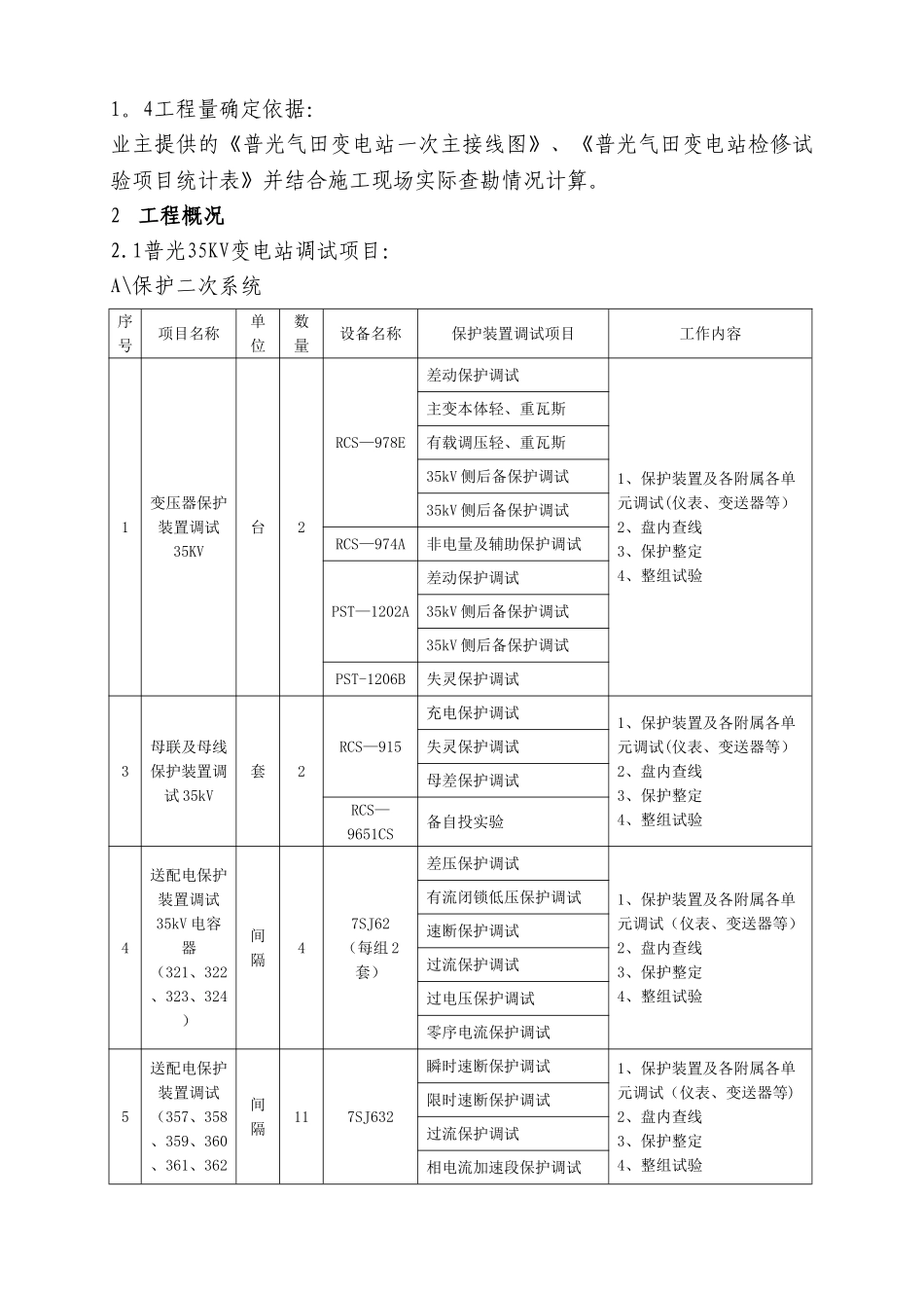
普光气田35kV变电站定期检修项目施工组织设计批 准: 审 核: 校 核: 郑 专 编 写: 先伟 四川惠特电力投资建设有限公司变电分公司二 O 一 0 年五月二十日第一章 工程概况及特点1 编写依据1。1施工措施编制依据:根据《电力建设工程施工技术管理导则》、《电气装置安装工程施工及验收法律规范》、《普光气田变电站一次主接线图》和施工现场实际查勘编制此计划书。1。2工程造价编制依据:定额采纳2024版《电力建设工程预算定额》第六册调试,该定额由中国电力企业联合会根据国家进展和改革委员会发改办能源[2024]247号文的有关规定,以中电联技经[2024]15号文件《关于发布《电力建设工程预算定额(2024年版)》的通知》批准发布,自2007年3月1日起执行.1。3费用划分和计算标准依据:执行2024版《电力工业基本建设预算管理制度及规定》,该规定经国家进展和改革委员会发改办能源[2024]1808号文批准,以中电联技经[2024]139号文件《关于发布《电网工程建设预算编制与计算标准》和《火力发电工程建设预算编制与计算标准》的通知》颁布,自2007年12月1日起施行.1。4工程量确定依据:业主提供的《普光气田变电站一次主接线图》、《普光气田变电站检修试验项目统计表》并结合施工现场实际查勘情况计算。2 工程概况2.1普光35KV变电站调试项目:A\保护二次系统序号项目名称单位数量设备名称保护装置调试项目工作内容1变压器保护装置调试35KV台2RCS—978E差动保护调试1、保护装置及各附属各单元调试(仪表、变送器等) 2、盘内查线 3、保护整定 4、整组试验 主变本体轻、重瓦斯有载调压轻、重瓦斯35kV 侧后备保护调试35kV 侧后备保护调试RCS—974A非电量及辅助保护调试PST—1202A差动保护调试35kV 侧后备保护调试35kV 侧后备保护调试PST-1206B失灵保护调试3母联及母线保护装置调试 35kV套2RCS—915充电保护调试1、保护装置及各附属各单元调试(仪表、变送器等) 2、盘内查线 3、保护整定 4、整组试验 失灵保护调试母差保护调试RCS—9651CS备自投实验4送配电保护装置调试35kV 电容器 (321、322、323、324)间隔47SJ62 (每组 2套)差压保护调试1、保护装置及各附属各单元调试(仪表、变送器等) 2、盘内查线 3、保护整定 4、整组试验 有流闭锁低压保护调试速断保护调试过流保护调试过电压保护调试零序电流保护调试5送配电保护装置调试(357、358、359、360、361、362间隔117SJ632瞬时速断保护调试1、保护装置及各附属各单...

1、当您付费下载文档后,您只拥有了使用权限,并不意味着购买了版权,文档只能用于自身使用,不得用于其他商业用途(如 [转卖]进行直接盈利或[编辑后售卖]进行间接盈利)。
2、本站所有内容均由合作方或网友上传,本站不对文档的完整性、权威性及其观点立场正确性做任何保证或承诺!文档内容仅供研究参考,付费前请自行鉴别。
3、如文档内容存在违规,或者侵犯商业秘密、侵犯著作权等,请点击“违规举报”。

碎片内容

普光气田220kV变电站定期检修项目施工组织设计

确认删除?
VIP
微信客服
  • 扫码咨询
会员Q群
  • 会员专属群点击这里加入QQ群
客服邮箱
回到顶部