电脑桌面
添加小米粒文库到电脑桌面
安装后可以在桌面快捷访问

智能雷达光电探测监视系统单点基本方案

智能雷达光电探测监视系统单点基本方案_第1页
1/10
智能雷达光电探测监视系统单点基本方案_第2页
2/10
智能雷达光电探测监视系统单点基本方案_第3页
3/10
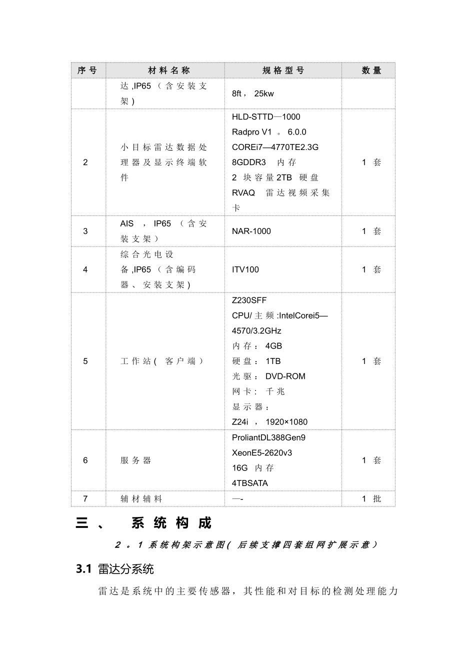
智能雷达光电探测监视系统单点基本方案一 、系 统 概 述根 据 监 控 需 求 :岸 基 对 海 3 ~ 10公 里 范 围 内 主 要 大 小 批 量 目 标 ;主 动 雷 达 光 电 探 测 和 识 别 ;多 目 标 闯 入 和 离 去 自 动 报 警 智 能 职 守 ;系 统 接 入 指 挥 中 心 进 行 远 程 监 控 管 理 ;目 标 海 图 显 示 管 理 ;系 统 能 够 自 动 发 现 可 疑 目 标 、 跟 踪 锁 定 侵 入 目 标 、 根 据 设 定条 件 进 行 驱 散 、 同 时 自 动 生 成 事 件 报 告 记 录 ,可 以 实 现 事 故 发 生 后的 事 件 追 溯 , 协 助 事 故 调 查 。1.项 目 建 设 主 要 目 的为 监 控 区 域 安 全 提 供 综 合 性 的 早 期 预 警 信 息 ;通 过 综 合 化 监 测 提 高 处 置 和 应 对 紧 急 突 发 事 件 的 指 挥 能力 。2.基 本 需 求 分 析 :需 配 置 全 自 动 、 全 量 程 具 备 远 距 离 小 目 标 智 能 雷 达 探 测 监 视 和光 电 识 别 系 统 ,系 统 具 备 多 目 标 自 动 持 续 稳 定 跟 踪 、 多 种 智 能 报 警功 能 、 支 持 雷 达 视 频 实 时 存 储 、 支 持 留 查 取 证 的 雷 达 视 频 联 动 回 放功 能 等 ;同 时 后 期 系 统 需 具 备 根 据 用 户 需 求 的 功 能 完 善 二 次 开 发 能力 。 同 时 支 持 后 续 相 关 功 能 、 扩 点 组 网 应 用 需 求 .根 据 需 求 和 建 设 主 要 目 的 , 选 型 国 际 同 类 技 术 先 进 水 平 , 拥 有相 关 技 术 自 主 知 识 产 权 , 具 备 二 次 技 术 深 化 开 发 的 北 京 海 兰 信 数 据科 技 股 份 有 限 公 司 ( 2001年 成 立 , 2024年 国 内 创 业 板 上 市 , 股 票 代码 : 300065,致 力 于 航 海 智 能 化 与 海 洋 防 务 /信 息 化 的 国 内 唯 一 上市 企 业 ) 的 智 能 监 视 雷 达 光 电 系 统 。 该 系 统 在 国 内 外 有 众 多 海 事 相关 成 熟 应 用 案 例 ,熟 悉 国 内 海 事...

1、当您付费下载文档后,您只拥有了使用权限,并不意味着购买了版权,文档只能用于自身使用,不得用于其他商业用途(如 [转卖]进行直接盈利或[编辑后售卖]进行间接盈利)。
2、本站所有内容均由合作方或网友上传,本站不对文档的完整性、权威性及其观点立场正确性做任何保证或承诺!文档内容仅供研究参考,付费前请自行鉴别。
3、如文档内容存在违规,或者侵犯商业秘密、侵犯著作权等,请点击“违规举报”。

碎片内容

智能雷达光电探测监视系统单点基本方案

您可能关注的文档

范哲铺+ 关注
实名认证
内容提供者

想你所想,急你所急,你需要的都在店铺里可以找到。

确认删除?
VIP
微信客服
  • 扫码咨询
会员Q群
  • 会员专属群点击这里加入QQ群
客服邮箱
回到顶部