电脑桌面
添加小米粒文库到电脑桌面
安装后可以在桌面快捷访问

服装厂西服生产工艺流程

服装厂西服生产工艺流程_第1页
1/7
服装厂西服生产工艺流程_第2页
2/7
服装厂西服生产工艺流程_第3页
3/7
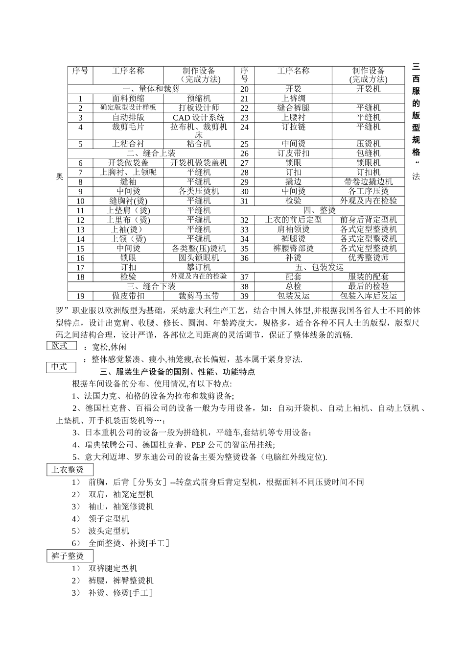
服装厂西服生产工艺流程一、流程: ::整理尺码-—输入尺码--打印麦头:排版〔归类〕—-拉布——开剪--编号-—压衬--精裁 ——订标签--验片-—分包,扎包 (大约 3 天) :开包-—分工(做领、袖、前片、后片…)-—中检——拼叶子片-—烫-—开袋-—复衬——门襟——拼缝—-检验——上领袖(大约 7 天) :后检配套:打套结——锁眼——订纽扣——拆线头——立体整烫-—补烫——总检 (大约 4-5 天) 整个生产周期大约 15 天 整个生产工序:共 445 道工序二、生产工艺介绍: 服装版型以欧洲版型为基础,宽肩、收腰、修长、圆润,总体有“H"型感觉,具有轻、挺、柔、薄的特点。专业量体师进行量体时,首先对人体的着装进行目测,确定哪一种版型.然后,对不同的体型,如凸肚、塌肩等体态采纳不同的手势,掌握好收放尺码的技术处理.再次采纳样衣套穿,对尺寸进行技术处理的方法,量定尺寸后,尺码输入电脑进行分类整理,打印出所有人员的花名册及尺码表,生产工人能时时时核对,以免发生误差。 同时,根据中国人的体型特点,设计出了符合国人穿着的版型,版型的尺码之间结构合理、设计严谨,对各部位之间的距离进行灵活的调节,保证整体线条的流畅.然后,利用法国力克电脑设计系统专门设计各种款式.专职人员将客户量体资料输入电脑,并在电脑排版系统上自动排版,排好版后,通过网络传输到法国力克自动裁床上直接进行裁剪。在裁剪前先对面料进行预缩处理,保证裁剪的精确,裁剪下来的毛皮经粘合衬高温粘合后,再对毛片进行第二次精心裁剪,保证尺寸的稳定。然后各部位打上尺码,保证各部分毛片能准确无误的缝合在一起. 整件衣服的上袖、上领、上胸衬、开袋、上里布等工艺皆由专门的德国杜克普专用设备完成,并由整烫机整烫后进入下道工序。整烫时,整套衣服按胸、肩、领、脖、腰、裤腿、臀的顺序,由专门男、女人体模具整烫机进行大烫,最后要按人身体的曲线进行补烫。整个过程一丝不苟,使各部位之间的线条过渡自然、圆润。我司还引进了法国力克自动拉布机和瑞典铱腾公司的自动吊挂系统,提高了服装生产的自动化程度,使服装的生产工艺更加完美。主要工艺一览表:量体裁剪缝制整烫三西服的版型规格“奥法罗”职业服以欧洲版型为基础,采纳意大利生产工艺,结合中国人体型,并根据我国各省人士不同的体型特点,设计出宽肩、收腰、修长、圆润、年龄跨度大,规格多,适合各种不同人士的版型,版型尺码之间结构合理,设计严谨,各部位之间距离的灵活调...

1、当您付费下载文档后,您只拥有了使用权限,并不意味着购买了版权,文档只能用于自身使用,不得用于其他商业用途(如 [转卖]进行直接盈利或[编辑后售卖]进行间接盈利)。
2、本站所有内容均由合作方或网友上传,本站不对文档的完整性、权威性及其观点立场正确性做任何保证或承诺!文档内容仅供研究参考,付费前请自行鉴别。
3、如文档内容存在违规,或者侵犯商业秘密、侵犯著作权等,请点击“违规举报”。

碎片内容

服装厂西服生产工艺流程

您可能关注的文档

确认删除?
VIP
微信客服
  • 扫码咨询
会员Q群
  • 会员专属群点击这里加入QQ群
客服邮箱
回到顶部