电脑桌面
添加小米粒文库到电脑桌面
安装后可以在桌面快捷访问

桩芯灌浆封堵施工方案

桩芯灌浆封堵施工方案_第1页
1/8
桩芯灌浆封堵施工方案_第2页
2/8
桩芯灌浆封堵施工方案_第3页
3/8
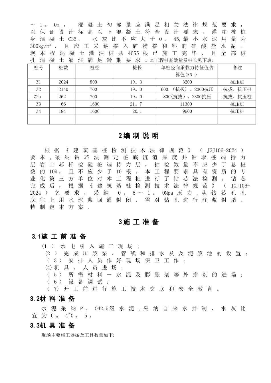
目 录1 工 程 概 况 21 。 1 工 程 简 介 1 1 。 2 工 程 概 况 1 1 。 3 桩 基 工 程 概 况 1 2 编 制 说 明 2 3 施 工 准 备 2 3 。 1 施 工 前 准 备 2 3 。 2 材 料 准 备 2 3.3 机 具 准 备 2 3.4 劳 动 力 准 备 3 4 施 工 工 艺 3 4.1 施 工 工 艺 3 4.2 注 意 事 项 4 5 工 程 质 量 保 证 措 施 5 5 。 1 质 量 保 证 体 系 5 5 。 2 材 料 质 量 保 证 5 6 安 全 文 明 施 工 5 6 。 1 安 全 保 证 措 施 5 6 。 2 文 明 施 工 保 证 措 施 7 1 工 程 概 况1 。 1 工 程 简 介1.1 。 1 工 程 名 称 :1 。 1.2 建 设 单 位 :1 。 1 。 3 代 建 单 位 :1 。 1 。 4 设 计 单 位 :1 。 1 。 5 勘 察 单 位 :1.1.6 监 理 单 位 :1 。 1.7 施 工 单 位 :1 。 1 。 8 工 程 地 址 :1 。 2 工 程 概 况1.3桩 基 工 程 概 况本 工 程 地 基 、 基 础 、 桩 基 设 计 等 级 为 甲 级 , 安 全等级为二级。桩基为钻孔灌注桩, 采纳反循环工艺.桩 长 控 制 以 进 入 持 力 层 深 度 控 制 为 主 , 以 设 计 桩 长 控制 为 辅 。 灌 注 桩 实 际 灌 注 高 度 为 桩 顶 设 计 标 高 以 上 0.8~ 1 。 0m , 混 凝 土 初 灌 量 应 满 足 相 关 法 律 规 范 要 求 , 以 保 证 设 计 标 高 以 下 混 凝 土 符 合 设 计 要 求 。 灌 注 桩 桩身 混 凝 土 C35 , 水 灰 比 不 应 大 于 0 。 45, 最 小 水 泥 用 量 为300kg/m³ , 且 应 工 采 纳 掺 入 矿 物 掺 和 料 的 硅 酸 盐 水 泥 。现 本 程 混 凝 土 灌 注 桩 共 4655 根 已 施 工 完 毕 , 且 全 部 桩孔 混 凝 土 灌 注 满 足 龄 期 要 求。本工程桩基数量及桩长见下表:桩号桩数桩径桩长单桩竖向承载力特征值估算值(KN )备注Z1202480019。33200抗压桩Z2214070019。0600 (抗拔) 、2300抗压抗拔、抗压桩Z2a26270019。0800(抗拔)、2300抗压抗拔、抗压桩Z366160021。711300抗压桩Z4184160020.19600抗压桩2 编 制 说 明根 据 《 ...

1、当您付费下载文档后,您只拥有了使用权限,并不意味着购买了版权,文档只能用于自身使用,不得用于其他商业用途(如 [转卖]进行直接盈利或[编辑后售卖]进行间接盈利)。
2、本站所有内容均由合作方或网友上传,本站不对文档的完整性、权威性及其观点立场正确性做任何保证或承诺!文档内容仅供研究参考,付费前请自行鉴别。
3、如文档内容存在违规,或者侵犯商业秘密、侵犯著作权等,请点击“违规举报”。

碎片内容

桩芯灌浆封堵施工方案

确认删除?
VIP
微信客服
  • 扫码咨询
会员Q群
  • 会员专属群点击这里加入QQ群
客服邮箱
回到顶部