电脑桌面
添加小米粒文库到电脑桌面
安装后可以在桌面快捷访问

水泥混凝土路面质量标准和检验方法

水泥混凝土路面质量标准和检验方法_第1页
1/1
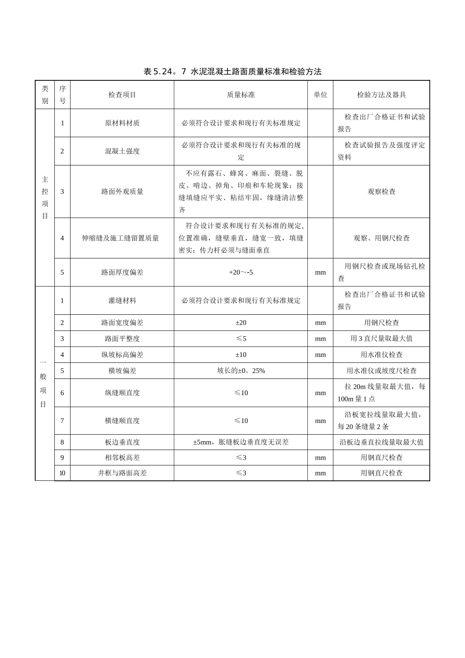
表 5.24。7 水泥混凝土路面质量标准和检验方法类别序号检查项目质量标准单位检验方法及器具主控项目1原材料材质必须符合设计要求和现行有关标准规定检查出厂合格证书和试验报告2混凝土强度必须符合设计要求和现行有关标准的规定检查试验报告及强度评定资料3路面外观质量不应有露石、蜂窝、麻面、裂缝、脱皮、啃边、掉角、印痕和车轮现象;接缝填缝应平实、粘结牢固,缘缝清洁整齐观察检查4伸缩缝及施工缝留置质量符合设计要求和现行有关标准的规定,位置准确,缝壁垂直,缝宽一致,填缝密实;传力杆必须与缝面垂直观察、用钢尺检查5路面厚度偏差+20~5mm用钢尺检查或现场钻孔检查一般项目1灌缝材料必须符合设计要求和现行有关标准规定检查出厂合格证书和试验报告2路面宽度偏差±20mm用钢尺检查3路面平整度≤5mm用 3 直尺量取最大值4纵坡标高偏差±10mm用水准仪检查5横坡偏差坡长的±0。25%用水准仪或坡度尺检查6纵缝顺直度≤10mm拉 20m 线量取最大值,每100m 量 1 点7横缝顺直度≤10mm沿板宽拉线量取最大值,每 20 条缝量 2 条8板边垂直度±5mm,胀缝板边垂直度无误差沿板边垂直拉线量取最大值9相邻板高差≤3mm用钢直尺检查10井框与路面高差≤3mm用钢直尺检查

1、当您付费下载文档后,您只拥有了使用权限,并不意味着购买了版权,文档只能用于自身使用,不得用于其他商业用途(如 [转卖]进行直接盈利或[编辑后售卖]进行间接盈利)。
2、本站所有内容均由合作方或网友上传,本站不对文档的完整性、权威性及其观点立场正确性做任何保证或承诺!文档内容仅供研究参考,付费前请自行鉴别。
3、如文档内容存在违规,或者侵犯商业秘密、侵犯著作权等,请点击“违规举报”。

碎片内容

水泥混凝土路面质量标准和检验方法

MY shop+ 关注
实名认证
内容提供者

欢迎挑选适合自己的材料。

相关文档

确认删除?
VIP
微信客服
  • 扫码咨询
会员Q群
  • 会员专属群点击这里加入QQ群
客服邮箱
回到顶部