电脑桌面
添加小米粒文库到电脑桌面
安装后可以在桌面快捷访问

汽修晋升制度

汽修晋升制度_第1页
1/9
汽修晋升制度_第2页
2/9
汽修晋升制度_第3页
3/9
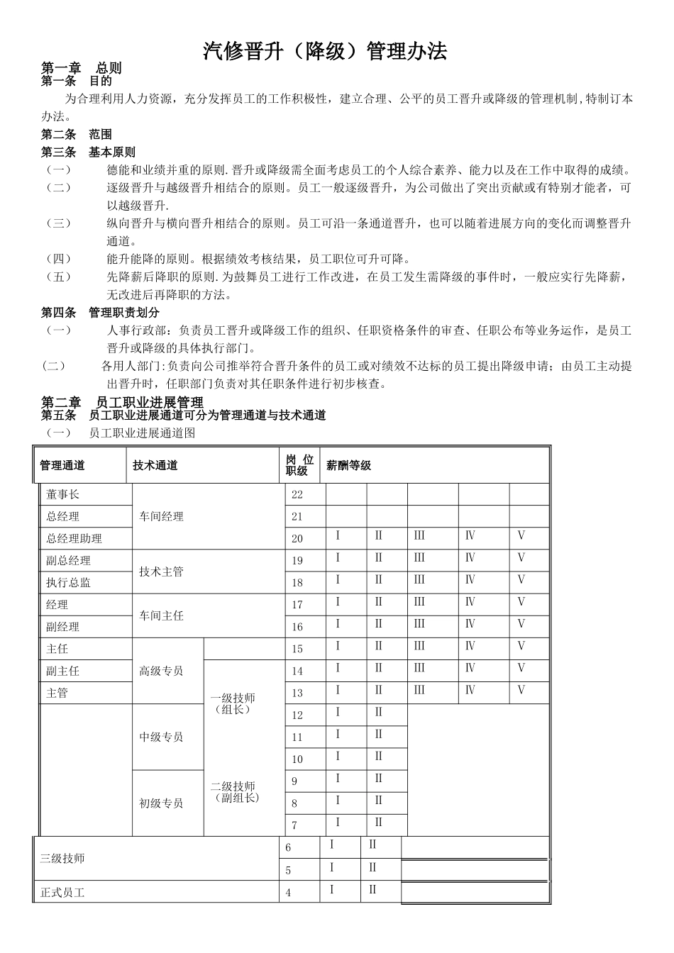
汽修晋升(降级)管理办法第一章 总则第一条 目的为合理利用人力资源,充分发挥员工的工作积极性,建立合理、公平的员工晋升或降级的管理机制,特制订本办法。第二条范围第三条基本原则(一)德能和业绩并重的原则.晋升或降级需全面考虑员工的个人综合素养、能力以及在工作中取得的成绩。(二)逐级晋升与越级晋升相结合的原则。员工一般逐级晋升,为公司做出了突出贡献或有特别才能者,可以越级晋升.(三)纵向晋升与横向晋升相结合的原则。员工可沿一条通道晋升,也可以随着进展方向的变化而调整晋升通道。(四)能升能降的原则。根据绩效考核结果,员工职位可升可降。(五)先降薪后降职的原则.为鼓舞员工进行工作改进,在员工发生需降级的事件时,一般应实行先降薪,无改进后再降职的方法。第四条管理职责划分(一) 人事行政部:负责员工晋升或降级工作的组织、任职资格条件的审查、任职公布等业务运作,是员工晋升或降级的具体执行部门。(二) 各用人部门:负责向公司推举符合晋升条件的员工或对绩效不达标的员工提出降级申请;由员工主动提出晋升时,任职部门负责对其任职条件进行初步核查。第二章 员工职业进展管理第五条员工职业进展通道可分为管理通道与技术通道(一)员工职业进展通道图管理通道技术通道岗 位职级薪酬等级董事长车间经理22总经理21总经理助理20ⅠⅡⅢⅣⅤ副总经理技术主管19ⅠⅡⅢⅣⅤ执行总监18ⅠⅡⅢⅣⅤ经理车间主任17ⅠⅡⅢⅣⅤ副经理16ⅠⅡⅢⅣⅤ主任高级专员15ⅠⅡⅢⅣⅤ副主任一级技师(组长)14ⅠⅡⅢⅣⅤ主管13ⅠⅡⅢⅣⅤ中级专员12ⅠⅡ11ⅠⅡ二级技师(副组长)10ⅠⅡ初级专员9ⅠⅡ8ⅠⅡ7ⅠⅡ三级技师6ⅠⅡ5ⅠⅡ正式员工4ⅠⅡ3ⅠⅡ实习学员2ⅠⅡ1ⅠⅡ(二) 管理通道:员工可根据岗位特征与个人职业生涯进展规划选择管理通道进行进展与提升。员工选择管理进展通道时,可采纳纵向进展或横向进展。1、 纵向进展:员工可在其部门内部或纵向设计个人职业进展通道;2、 横向进展:当公司和员工最初的岗位选择不是最适合时,公司或员工假如发现其另有所长,可以在公司内横向重新选择岗位,再晋升为某一系列岗位管理职位。(三) 技术通道:员工可通过提高专业技能,选择技术通道进行个人职业生涯进展规划。技术进展通道适用于任何岗位。第六条员工职业进展管理模式(一)人事行政部负责在人事管理系统中为员工建立职业进展档案,录入该员工的学历职称、任职状况、能力状况、培训考评记录、奖惩状况、工作经历等...

1、当您付费下载文档后,您只拥有了使用权限,并不意味着购买了版权,文档只能用于自身使用,不得用于其他商业用途(如 [转卖]进行直接盈利或[编辑后售卖]进行间接盈利)。
2、本站所有内容均由合作方或网友上传,本站不对文档的完整性、权威性及其观点立场正确性做任何保证或承诺!文档内容仅供研究参考,付费前请自行鉴别。
3、如文档内容存在违规,或者侵犯商业秘密、侵犯著作权等,请点击“违规举报”。

碎片内容

汽修晋升制度

确认删除?
VIP
微信客服
  • 扫码咨询
会员Q群
  • 会员专属群点击这里加入QQ群
客服邮箱
回到顶部