电脑桌面
添加小米粒文库到电脑桌面
安装后可以在桌面快捷访问

【桥梁方案】水中钢板桩围堰施工专项方案

【桥梁方案】水中钢板桩围堰施工专项方案_第1页
1/13
【桥梁方案】水中钢板桩围堰施工专项方案_第2页
2/13
【桥梁方案】水中钢板桩围堰施工专项方案_第3页
3/13
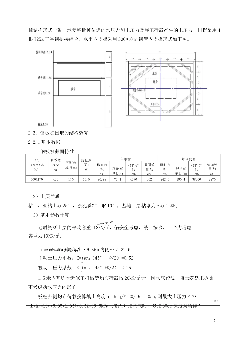
11 工程简介京杭运河泗阳四号桥 110 米主跨 15#、16#两个主墩位于运河内,桩顶标高为▽8.558m,承台尺寸为 11.7*8.6 米,承台高度 3m,顶标高为▽11.558m。15#、16#主墩尺寸为 6*4 米,顶标高 23.658m。运河最高通航水位为▽18.050m,最低通航水位为▽15.830m。水中施工为运河中搭建平台及桩基施工常水位为▽16.2m,钢板桩围堰按 17.20m 考虑。待钻孔桩施工完成后施工钢板桩围堰。2 水中钢板桩围堰的施工2.1、钢板桩围堰验算2.1.1 钢板桩围堰的尺寸钢板桩的形状及大小根据承台的形状和大小而定,同时满足承台模板安装作业人员操作的净空要求。根据此主墩承台的特点,采用矩形钢板桩围堰,每侧各留 1m 操作空间,围堰的平面尺寸为 13.7mx10.6m。围堰采用 400x170 的 u 型钢板桩,桩顶高出水面 1m 左右,钢板桩入土约 6.35m。结构见下图。2.1.2 钢板桩围堰内支撑层数的确定及结构形式钢板桩围堰内支撑层数的数量及其位置,根据钢板桩围堰的深度及钢板桩本身抗弯强度而定,充分发挥钢板桩的抗弯强度,最顶层内支撑距离围堰顶 2.15 米,第二道具承台基坑底 3.5 米。内支撑的结构形式主要考虑结构受力合理,同时不影响承台及墩身的施工。根据主墩承台的埋深及承台高度,为便于施工,钢板桩围堰设 2 道内支撑:每道内支拄唏 1承合2土层的平均内摩擦撑结构形式一致,承受钢板桩传递的水压力和土压力及施工荷载产生的土压力,围楞采用 4根 I25a 工字钢拼接组合,水平内支撑采用 300*10mn 钢管内支撑形式如下图。2.2、钢板桩围堰的结构验算2.2.1 基本数据1)钢板桩截面特性型号(宽度 X 高度)有效宽度 W]mm有效高度叫 mm腹板厚度 tmm单根材每米板面截面面积cm2理论重量 kg/m惯性矩Ixcm4截面模量 Wxcm3截面面积cm2理论重量 kg/m2惯性距Ixcm4截面模量 Wxcm3400X17040017015.596.9976.14670362242.5190.43860022702)土层性质粘土、亚粘土取 25°,淤泥质粘土取 10°,基地土层粘聚力 c 取 15KN;3)基本参数计算_二王池地质资料土层的平均容重=18KN/m3,偏安全考虑,统一按水、土合力考虑容重为 19KN/m3。--=18.4°,坑底以下 6.35m 内侧…「=22.6主动土压力系数:K=tan2(45°—©/2)=0.52a被动土压力系数:K=tan2(45°+©/2)=2.25p1.5 米内基坑附近施工机械等均布荷载按 20kN/m2计,因水深较浅,填土筑岛未拆除,不考虑动水压力的影响。板桩外侧均布荷载换算填土高度 h,h=q/Y=20/19=1.05m,则最大...

1、当您付费下载文档后,您只拥有了使用权限,并不意味着购买了版权,文档只能用于自身使用,不得用于其他商业用途(如 [转卖]进行直接盈利或[编辑后售卖]进行间接盈利)。
2、本站所有内容均由合作方或网友上传,本站不对文档的完整性、权威性及其观点立场正确性做任何保证或承诺!文档内容仅供研究参考,付费前请自行鉴别。
3、如文档内容存在违规,或者侵犯商业秘密、侵犯著作权等,请点击“违规举报”。

碎片内容

【桥梁方案】水中钢板桩围堰施工专项方案

您可能关注的文档

确认删除?
VIP
微信客服
  • 扫码咨询
会员Q群
  • 会员专属群点击这里加入QQ群
客服邮箱
回到顶部