电脑桌面
添加小米粒文库到电脑桌面
安装后可以在桌面快捷访问

消防水电气施工方案

消防水电气施工方案_第1页
1/18
消防水电气施工方案_第2页
2/18
消防水电气施工方案_第3页
3/18
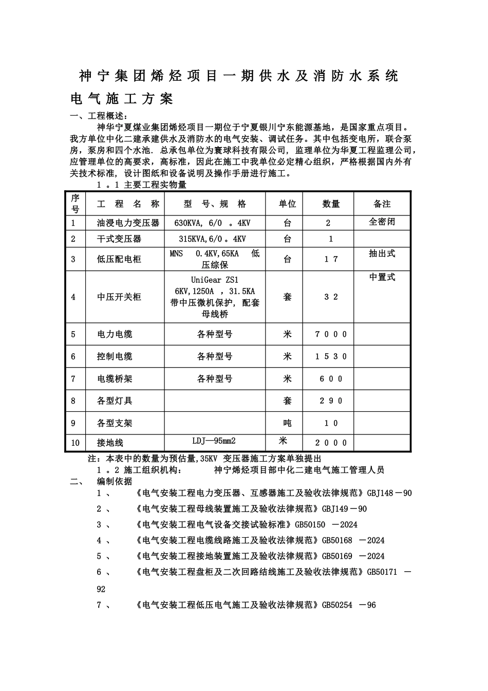
神 宁 集 团 烯 烃 项 目 一 期 供 水 及 消 防 水 系 统电 气 施 工 方 案一、工程概述: 神华宁夏煤业集团烯烃项目一期位于宁夏银川宁东能源基地,是国家重点项目。我方单位中化二建承建供水及消防水的电气安装、调试任务。其中包括变电所,联合泵房,泵房和四个水池. 总承包单位为寰球科技有限公司, 监理单位为华夏工程监理公司,应管理单位的高要求,高标准,因此在施工中我单位必定精心组织,严格根据国内外有关技术标准, 设计图纸和设备说明及操作手册进行施工。1 。1 主要工程实物量序号工 程 名 称型 号、规 格单位数量备注1油浸电力变压器630KVA, 6/0 。4KV台 2全密闭2干式变压器315KVA,6/0 。4KV台13低压配电柜MNS 0.4KV,65KA 低压综保台17抽出式4中压开关柜UniGear ZS1 6KV,1250A ,31.5KA 带中压微机保护, 配套母线桥 套32中置式5电力电缆各种型号米70006控制电缆各种型号米15307电缆桥架各种型号米6008各型灯具套2909各型支架吨1010接地线LDJ—95mm2米2000注:本表中的数量为预估量,35KV 变压器施工方案单独提出1 。2 施工组织机构: 神宁烯烃项目部中化二建电气施工管理人员二、 编制依据1 、《电气安装工程电力变压器、互感器施工及验收法律规范》GBJ148-902 、《电气安装工程母线装置施工及验收法律规范》GBJ149-903 、《电气安装工程电气设备交接试验标准》GB50150 -20244 、《电气安装工程电缆线路施工及验收法律规范》GB50168 -20245 、《电气安装工程接地装置施工及验收法律规范》GB50169 -20246 、《电气安装工程盘柜及二次回路结线施工及验收法律规范》GB50171 -927 、《电气安装工程低压电气施工及验收法律规范》GB50254 -968 、《电气安装工程电气照明施工及验收法律规范》GB50259 -969 、《建筑工程施工质量验收统一标准》GB50300-200110、《建筑电气安装工程质量检验评定标准》GB50303 -202411、《建设工程施工现场供用电安全法律规范》 GB50194-9312、《施工现场临时用电安全技术法律规范》 JGJ46—202413、 施工合同及施工图纸三、主要项目施工程序1 、主要施工工序1.1 6KV变压器安装工序施工准备基础轨道安装基础验收设备倒运设备开箱检验盘柜安装变压器安装母线桥安装器身检查接地系统安装二次回路查接线调整、试验、模拟操作试运行前检查试运行竣工验收1.2 配电柜、控制柜施工工序1 。3 桥架安装...

1、当您付费下载文档后,您只拥有了使用权限,并不意味着购买了版权,文档只能用于自身使用,不得用于其他商业用途(如 [转卖]进行直接盈利或[编辑后售卖]进行间接盈利)。
2、本站所有内容均由合作方或网友上传,本站不对文档的完整性、权威性及其观点立场正确性做任何保证或承诺!文档内容仅供研究参考,付费前请自行鉴别。
3、如文档内容存在违规,或者侵犯商业秘密、侵犯著作权等,请点击“违规举报”。

碎片内容

消防水电气施工方案

确认删除?
VIP
微信客服
  • 扫码咨询
会员Q群
  • 会员专属群点击这里加入QQ群
客服邮箱
回到顶部