电脑桌面
添加小米粒文库到电脑桌面
安装后可以在桌面快捷访问

液压传动课程设计说明书

液压传动课程设计说明书_第1页
1/6
液压传动课程设计说明书_第2页
2/6
液压传动课程设计说明书_第3页
3/6
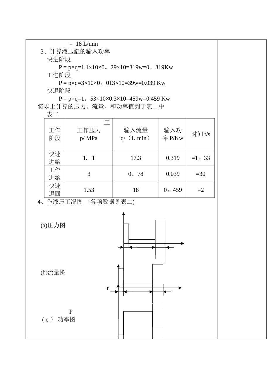
一、 确液压系统设计要求根据加工需要,该系统的工作循环是:快速前进——工作进给——死挡块停止-—快速退回——原位停止。调查讨论及计算结果表明,快进快退速度约为 75mm/s,工进速度为 1。67mm/s,最大行程为 150mm,其中工进行程 50mm,最大切削力为Ft=16KN,运动部件自重为 2×103Kg(19。6KN)。启动换向、制动时间为 Δt = 0.15s,采纳水平矩形导轨。液压缸机械效率为 0.9,静摩擦系数Fs = 0.2 , 动摩擦系数 Fd =0.1。二、 析液压系统工况液压缸在工作过程各阶段的负载为:启动加速阶段 F = ( F+ F) = ( fG+) =(0。2×19600+) = 5467N快进快退阶段 F = = ==2200N工进阶段 F = = = = 20000N将液压缸在各阶段的速度和负载值列于表一中。表一工作阶 段速度 v(m/s)负载 F/N启动加速5467快进快退0.0752200工 进0.0016720000三、 确定液压缸的主要参数(一)、初选液压缸的工作压力 由负载值大小查表,参考同类型组合机床,取液压缸工作压力为 3MPa。(二)、定液压缸的主要结构参数由表面一看出最大负载为工进阶段的负载 F = 20000N,则 D = = = 9。22×10m查设计手册,按液压缸内径系列表将以上计算值圆整为标准直径,取 D = 100mm为了实现快进速度与快退速度相等,采纳差动连接,则 d = 0.7d,《液压传动》表 9—2《液压传动设计手册》表 6—-1表 6——2〈液压传动〉 表 9——5〈液压传动〉 表 9——9所以d = 0。7×100 = 70mm同样圆整成标准系列活塞杆直径,取 d = 70mm.由 D = 100mm,d = 70mm 算出液压缸无杆腔有效作用面积为 A1 =78。5cm,有杆腔有效作用面积为 A2 = 40.1 cm。工进采纳调速阀调速,查产品样本,调速阀最小稳定流量 q = 0。05L/min ,因最小工进速度 v = 1。67mm/s(约 100mm/min),则 = cm = 5 cm<A2<A1故能满足低速稳定性要求。(三)、算液压缸工作压力1、复算工作压力查手册得,本系统的背压估量值在 0.5—0。8MPa 范围内选取,故暂定:工进时,p = 0。8MPa ;快速运动时,p = 0.5MPa;液压缸在工作循环各阶段的工作压力 p 计算如下:差动快进阶段p=P = = 1。1 MPa 工作进给阶段p= P = +×0。8×10 = 3 MPa 快速退回阶段p= P = + = 1。53 MPa2、计算液压缸的输入流量 因 快 进 、 快 退 速 度 为 v=0.075m/s , 最 大 工 进 速 度v=0。00167m/s ,则液压缸各阶段的输入流...

1、当您付费下载文档后,您只拥有了使用权限,并不意味着购买了版权,文档只能用于自身使用,不得用于其他商业用途(如 [转卖]进行直接盈利或[编辑后售卖]进行间接盈利)。
2、本站所有内容均由合作方或网友上传,本站不对文档的完整性、权威性及其观点立场正确性做任何保证或承诺!文档内容仅供研究参考,付费前请自行鉴别。
3、如文档内容存在违规,或者侵犯商业秘密、侵犯著作权等,请点击“违规举报”。

碎片内容

液压传动课程设计说明书

确认删除?
VIP
微信客服
  • 扫码咨询
会员Q群
  • 会员专属群点击这里加入QQ群
客服邮箱
回到顶部