电脑桌面
添加小米粒文库到电脑桌面
安装后可以在桌面快捷访问

深圳地铁接触网施工方案

深圳地铁接触网施工方案_第1页
1/38
深圳地铁接触网施工方案_第2页
2/38
深圳地铁接触网施工方案_第3页
3/38
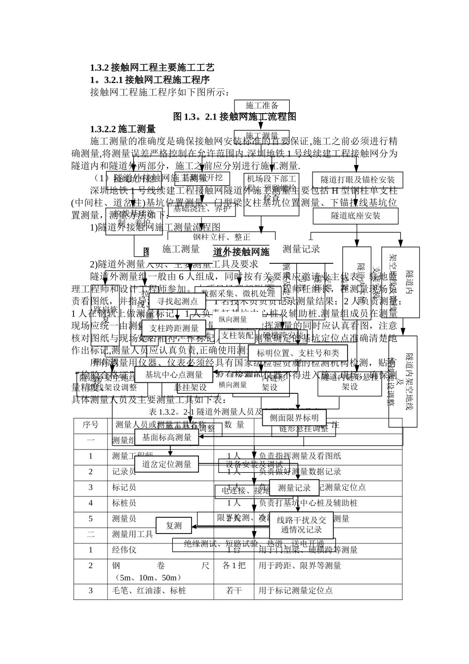
1.3.2 接触网工程主要施工工艺1。3.2.1 接触网工程施工程序接触网工程施工程序如下图所示:图 1.3。2.1 接触网施工流程图1.3.2.2 施工测量施工测量的准确度是确保接触网安装标准的首要保证,施工之前必须进行精确测量,将测量误差严格控制在允许范围内.深圳地铁 1 号线续建工程接触网分为隧道内和隧道外两部分,施工之前应分别进行施工测量.(1)隧道外接触网施工测量深圳地铁 1 号线续建工程接触网隧道外施工测量主要包括 H 型钢柱单支柱(中间柱、道岔柱)基坑位置测量、门型梁支柱基坑位置测量、下锚拉线基坑位置测量,测量方法如下:1)隧道外接触网施工测量流程图图 1.3.2。2—1 隧道外接触网施工测量流程图2)隧道外测量人员、主要测量工具及要求隧道外测量组一般由 6 人组成,同时按有关要求应邀请业主代表、驻地监理工程师和设计工程师参加。由项目经理部测量工程师任组长,在测量现场负责看图纸,并指导测量人员测量;1 名技术员负责记录测量结果;2 人负责测量;1 人在钢轨上做测量标记,1 人负责打基坑中心桩及辅助桩.测量组成员在测量现场应统一由测量工程师指挥,测量工程师在指挥测量的同时应认真看图,注意核对图纸与现场是否相符,作标记人员应把测量确定的基坑定位点准确清楚地作出标记,测量人员应认真负责,正确使用测量工具。所有测量用仪器、仪表必须经具有国家级检验资质的检测机构检测,贴有“检验合格证”,并在有效期内。没有检测的仪器不得进入施工现场,确保测量精度。具体测量人员及主要测量工具如下表:表 1.3.2。2-1 隧道外测量人员及主要测量工具表序号测量人员或测量工具名称数 量备 注一测量组人员1测量工程师1 人负责指挥测量及看图纸2记录员1 人负责做好测量数据记录3标记员1 人负责在钢轨上标记测量定位点4标桩员1 人负责打基坑中心桩及辅助桩5测量员2 人负责用测量工具进行测量二测量用工具1经伟仪1 台用于门型梁、硬横跨等测量2钢卷尺(5m、10m、50m)各 1 把用于跨距、限界等测量3毛笔、红油漆、标桩若干用于标记测量定位点施工准备施工测量拉线坑开挖基础坑开挖拉线基础浇制、养护基础浇注、养护钢柱立杆、整正数据采集、微机处理支柱装配硬横跨安装链形悬挂调整路肩恢复侧沟改移拉线、下锚装置安装隧道弓形腕臂及定位安装隧道打眼及锚栓安装隧道底座安装隧道内下锚装置安装车辆段内简单悬挂架设车辆段内链形悬挂架设隧道内链形悬挂架设隧道内架空地线及馈线支架安装隧道内架空地线...

1、当您付费下载文档后,您只拥有了使用权限,并不意味着购买了版权,文档只能用于自身使用,不得用于其他商业用途(如 [转卖]进行直接盈利或[编辑后售卖]进行间接盈利)。
2、本站所有内容均由合作方或网友上传,本站不对文档的完整性、权威性及其观点立场正确性做任何保证或承诺!文档内容仅供研究参考,付费前请自行鉴别。
3、如文档内容存在违规,或者侵犯商业秘密、侵犯著作权等,请点击“违规举报”。

碎片内容

深圳地铁接触网施工方案

您可能关注的文档

确认删除?
VIP
微信客服
  • 扫码咨询
会员Q群
  • 会员专属群点击这里加入QQ群
客服邮箱
回到顶部