电脑桌面
添加小米粒文库到电脑桌面
安装后可以在桌面快捷访问

烧结车间提高碱度稳定率的质量管理成果

烧结车间提高碱度稳定率的质量管理成果_第1页
1/12
烧结车间提高碱度稳定率的质量管理成果_第2页
2/12
烧结车间提高碱度稳定率的质量管理成果_第3页
3/12
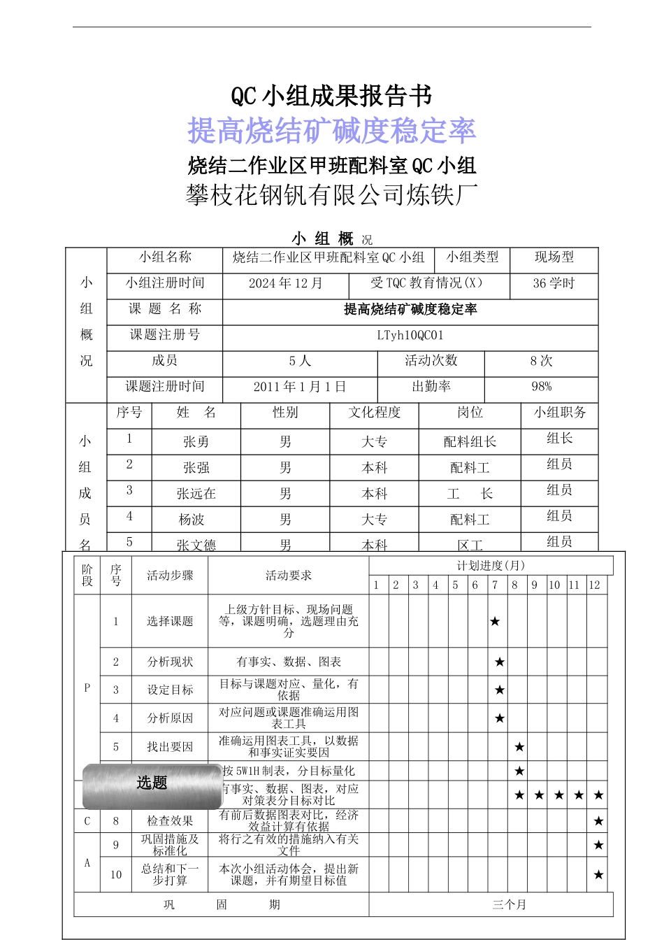
QC 小组成果报告书提高烧结矿碱度稳定率烧结二作业区甲班配料室 QC 小组攀枝花钢钒有限公司炼铁厂小 组 概 况小 组 概 况小组名称烧结二作业区甲班配料室 QC 小组小组类型现场型小组注册时间2024 年 12 月受 TQC 教育情况(X)36 学时课 题 名 称提高烧结矿碱度稳定率课题注册号LTyh10QC01成员5 人活动次数8 次课题注册时间2011 年 1 月 1 日出勤率98%小 组 成 员 名 单序号姓 名性别文化程度岗位小组职务1张勇男大专配料组长组长2张强男本科配料工组员3张远在男本科工 长组员4杨波男大专配料工组员5张文德男本科区工组员67课 题 活 动 计 划提高烧结矿碱度稳定率一、 选题理由阶段序号活动步骤活动要求计划进度(月)12345678910 11 12P1选择课题上级方针目标、现场问题等,课题明确,选题理由充分★2分析现状有事实、数据、图表★3设定目标目标与课题对应、量化,有依据★4分析原因对应问题或课题准确运用图表工具★5找出要因准确运用图表工具,以数据和事实证实要因★6制定对策按 5W1H 制表,分目标量化★D7执行对策有事实、数据、图表,对应对策表分目标对比★ ★ ★ ★ ★C8检查效果有前后数据图表对比,经济效益计算有依据★A9巩固措施及标准化将行之有效的措施纳入有关文件★10总结和下一步打算本次小组活动体会,提出新课题,并有期望目标值★巩 固 期三个月选题二、现状调查调查(一):表 1 2024 年上半年每月烧结矿碱度稳定率统计表 图 1 2024 年上半年烧结矿碱度稳定率折线图从图 1 可以看出, 2024 年上半年烧结矿碱度稳定率只有 86.92%。调查(二):小组成员通过查作业区生产调度报表和交接班记录本,对影响 2024 年上半烧结矿碱度稳定率的因素进行了统计(见表 2),并运用排列图找出了主要影响因素(见图 2)。表 2 影响烧结矿碱度稳定率因素统计表 序列项 目频数(次)频率(%)累计频率(%)1预见性差636060.002设备缺陷2019.0579。053原料波动大1413。3392.38概况本工序指标情况提高烧结矿碱度稳定率烧结矿碱度与高炉造渣制度密切相关,对高炉高产、稳定、顺行有着重要影响。国内外资源紧缺,原料品种繁杂,原料成分波动大。在烧结矿五大指标中,碱度稳定率最难控制指标之一,波动最大。碱度稳定率高低对高炉炉料结构,成本高低,以及造渣制度影响显著。 .项 目1 月2 月3 月4 月5 月6 月平均碱度稳定率(%)90。4389。788.7687。9390.5688。8286.924其...

1、当您付费下载文档后,您只拥有了使用权限,并不意味着购买了版权,文档只能用于自身使用,不得用于其他商业用途(如 [转卖]进行直接盈利或[编辑后售卖]进行间接盈利)。
2、本站所有内容均由合作方或网友上传,本站不对文档的完整性、权威性及其观点立场正确性做任何保证或承诺!文档内容仅供研究参考,付费前请自行鉴别。
3、如文档内容存在违规,或者侵犯商业秘密、侵犯著作权等,请点击“违规举报”。

碎片内容

烧结车间提高碱度稳定率的质量管理成果

您可能关注的文档

确认删除?
VIP
微信客服
  • 扫码咨询
会员Q群
  • 会员专属群点击这里加入QQ群
客服邮箱
回到顶部