电脑桌面
添加小米粒文库到电脑桌面
安装后可以在桌面快捷访问

煤矿应急救援演练计划

煤矿应急救援演练计划_第1页
1/3
煤矿应急救援演练计划_第2页
2/3
煤矿应急救援演练计划_第3页
3/3
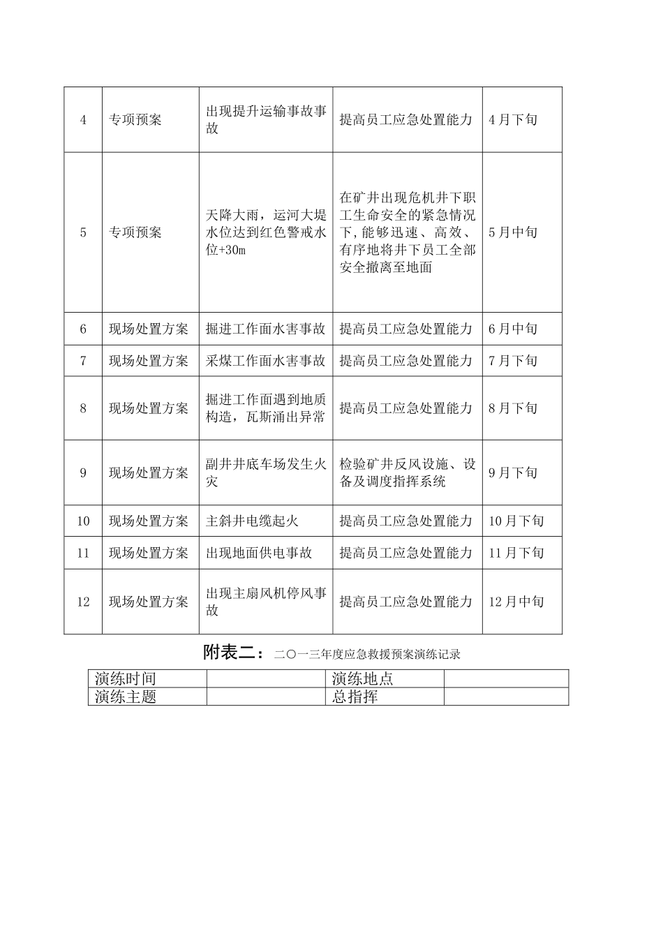
**煤矿二○一三年度应急救援演练计划根据“**”文件要求,为适应矿井突发事故应急救援的需要,进一步加强我矿应急指挥部和各部门之间的协同配合,提高应对突发事故的组织指挥、快速响应及处置能力,营造安全稳定的氛围,我矿特制定了二○一三年度应急救援演练计划。一、应急演练目的:1、检验预案.通过开展应急演练,查找应急预案中存在的问题,进而完善应急预案,提高应急预案的可用和可操作性。2、完善准备.通过开展应急演练,检查应对突发事件所需应急队伍、物资、装备、技术等方面的准备情况,发现不足及时予以调整补充,做好应急准备工作。3、锻炼队伍。通过开展应急演练,增强演练组织部门、参加部门和人员对应急预案的熟悉程度,提高其应急处置能力。4、磨合机制。通过开展应急演练,进一步明确相关部门和人员的职责和任务,完善应急机制。5、科普宣传。通过开展应急演练,普及应急知识,提高职工风险防范意识和应对突发事件的自救互救的能力。二、应急演练要求:1、结合实际,合理定位。紧密结合应急管理工作实际,明确演练目的,根据资源条件确定演练方式和规模。2、着眼实战,讲求实效。以提高应急指挥人员的指挥协调能力、应急队伍的实战能力为着重点,重视对演练效果及组织能力的评估,总结推广好经验,及时整改存在的问题。3、精心组织,确保安全。围绕演练目的,精心策划演练内容,周密组织演练活动,严格遵守相关安全措施,确保演练参加人员及演练装备设施的安全。4、要提前制定出演练方案交矿领导会审,演练方案应包括演练部门、时间、地点、演练步骤等。5、预案演练完成后应对此次演练内容进行评价和总结,填写应急预案演练记录备案。6、矿井应每年对应急预案进行一次会审,并进行修改完善。附表一:二○一三年度应急救援预案演练计划表附表二:二○一三年度应急救援预案演练记录附表一:二○一三年度应急救援预案演练计划表序号预案演练类别预案演练计划背景预案演练目的演练时间1现场处置方案矸石山事故提高员工应急处置能力1 月下旬2现场处置方案掘进工作面冒顶事故提高员工应急处置能力2 月下旬3现场处置方案采煤面局部冒顶事故提高员工应急处置能力3 月下旬4专项预案出现提升运输事故事故提高员工应急处置能力4 月下旬5专项预案天降大雨,运河大堤水位达到红色警戒水位+30m在矿井出现危机井下职工生命安全的紧急情况下,能够迅速、高效、有序地将井下员工全部安全撤离至地面5 月中旬6现场处置方案掘进工作面水害事故提高员工应...

1、当您付费下载文档后,您只拥有了使用权限,并不意味着购买了版权,文档只能用于自身使用,不得用于其他商业用途(如 [转卖]进行直接盈利或[编辑后售卖]进行间接盈利)。
2、本站所有内容均由合作方或网友上传,本站不对文档的完整性、权威性及其观点立场正确性做任何保证或承诺!文档内容仅供研究参考,付费前请自行鉴别。
3、如文档内容存在违规,或者侵犯商业秘密、侵犯著作权等,请点击“违规举报”。

碎片内容

煤矿应急救援演练计划

元素商铺+ 关注
实名认证
内容提供者

欢迎挑选合适的文档

确认删除?
VIP
微信客服
  • 扫码咨询
会员Q群
  • 会员专属群点击这里加入QQ群
客服邮箱
回到顶部