电脑桌面
添加小米粒文库到电脑桌面
安装后可以在桌面快捷访问

现场5S管理考核奖惩办法

现场5S管理考核奖惩办法_第1页
1/8
现场5S管理考核奖惩办法_第2页
2/8
现场5S管理考核奖惩办法_第3页
3/8
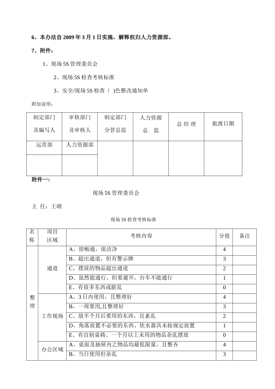
现场 5S 管理考核办法1、 目的 为推动公司 5S 管理工作的有效开展,给员工制造一个舒适、安全的工作环境,逐步提升企业形象、提高员工素养,特制定本办法。2、 范围 本文件适用于马尼托瓦克东岳重工有限公司所有部门的现场管理。3、职责3。1 运营(安全)是现场 5S 管理考核的归口管理部门,负责组织公司现场 5S 检查考核。3.2 现场 5S 推动小组负责实施现场 5S 督导和日常检查考核。3。3 各部门、各车间制定内部考核办法,实施内部考核。 3。4 人力资源部负责 5S 考核奖惩的实施。4、检查与考核4.1 检查4。1.1 运营(安全)每月组织现场 5S 检查小组对公司的生产现场(注:生产现场含办公室、仓库、试车场等,下同)进行一次不定期的全面检查,并填写《安全隐患/现场 5S日常检查记录》对查出的不合格项填写《安全/现场 5S 检查( )色整改通知单》(通知单分为黄、橙、红三种颜色,黄色为问题一般;橙色为问题比较重;红色为严重问题)。4.1.2 现场 5S 推动小组,每周对所辖的生产现场,进行一次不定期的全面检查,并填写《安全隐患/现场 5S 日常检查记录》对查出的不合格项填写《安全/现场 5S 检查( )色整改通知单》.____________________________________________________________________发布日期:2024 年 月 日 实施日期:2024 年 月 日4.1。3 运营部(安全)对生产现场每天进行巡检,并填写《安全隐患/现场 5S 日常检查记录》,对查出的不合格项填写《安全/现场 5S 检查( )色整改通知单》。4。1。4 对检查出的不合格项实行现场确认,有下列情况之一者即为确认:A 经责任者确认;B 经分管主管确认;C 经检查者三人(含三人)以上确认;D 影像记录确认。4.2 考核4。2.1 现场 5S 检查小组,对各部门的考核依照《现场 5S 考核标准》进行打分,对被检部门、车间进行月度考核,并将考核结果于当月 20 日前报人力资源部。4.2.2 对被检部门、车间进行的月度考核实行百分制,60 分为及格。4。2.3 对被检部门、车间下发的整改通知单,黄色的扣 1 分;橙色的扣 3 分;红色的扣6分.部门、车间每月累计接到 3 个红色整改通知单的为不及格单位。4。2。4 各部门、车间接到整改通知单后应组织责任者积极整改,并在规定时间内完成后及时组织验收。对拒不整改或未在规定时间内完成整改的将再次下发整改通知单,并提高通知单的颜色等级。4。2.5 各部门每月实施内部 5S 管理考核,并将考...

1、当您付费下载文档后,您只拥有了使用权限,并不意味着购买了版权,文档只能用于自身使用,不得用于其他商业用途(如 [转卖]进行直接盈利或[编辑后售卖]进行间接盈利)。
2、本站所有内容均由合作方或网友上传,本站不对文档的完整性、权威性及其观点立场正确性做任何保证或承诺!文档内容仅供研究参考,付费前请自行鉴别。
3、如文档内容存在违规,或者侵犯商业秘密、侵犯著作权等,请点击“违规举报”。

碎片内容

现场5S管理考核奖惩办法

领读文化+ 关注
实名认证
内容提供者

传播文化,铸就未来

确认删除?
VIP
微信客服
  • 扫码咨询
会员Q群
  • 会员专属群点击这里加入QQ群
客服邮箱
回到顶部