电脑桌面
添加小米粒文库到电脑桌面
安装后可以在桌面快捷访问

生产订单管理流程

生产订单管理流程_第1页
1/5
生产订单管理流程_第2页
2/5
生产订单管理流程_第3页
3/5
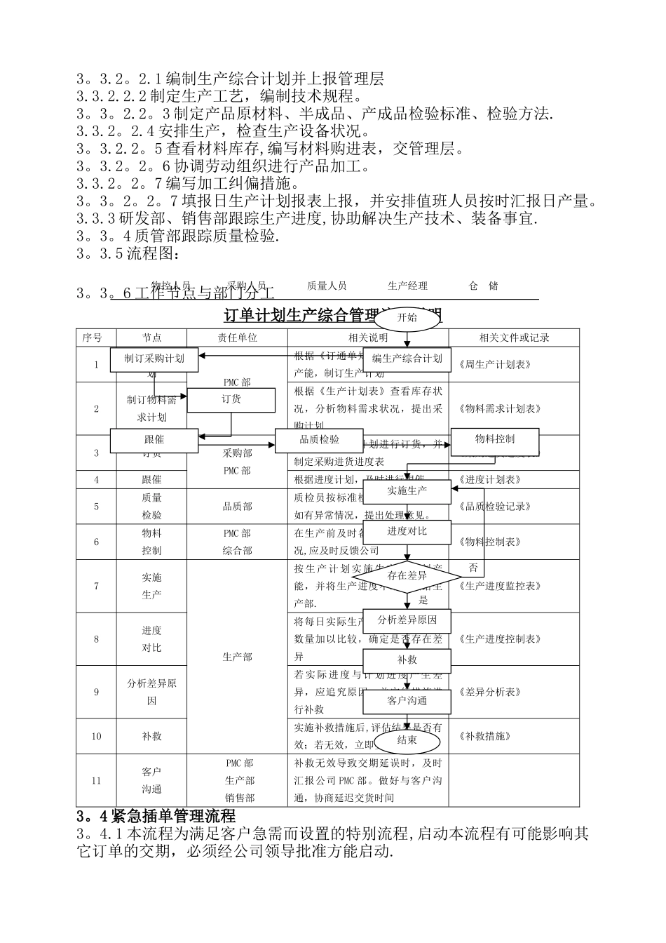
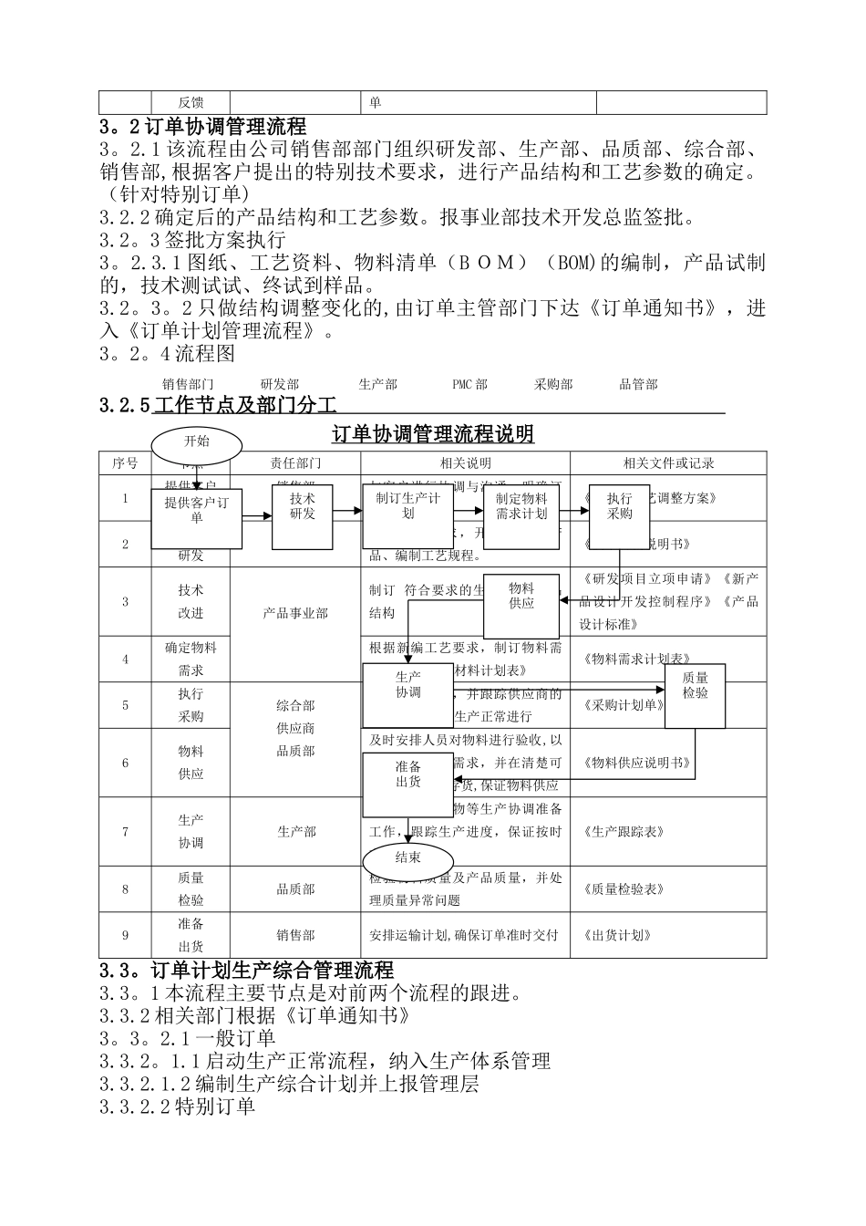
订 单 管 理 流 程1.目的加强公司生产订单流程管理,体现从销售到生产环节的更好衔接,实现产品生产过程顺利、高效、低耗、按期交货.2、适应范围:南城内衣有限公司3、流程管理层3。1 订单评审管理流程3。1。1 该流程由销售部(内、外销),设计部、生产部、材料部,品质部、跟单员等对订单进行用料及技术评审,提出处理意见。(优先考虑库存现料)3.1。2 对能满足客户(合同)要求的订单准备原材料预案,对生产难度较大的产品订单由销售部和客户进行沟通,达成处理意见,由销售部报请总经理签批。3.1.3 根据总经理签批。3。1。3。1 由销售部制定《生产通知单》,设计部制定《工艺要求表》《单件用料用量表》。3.1。3。2 设计部完成产品标准版及纸样,并按《工艺要求表》制作齐码产前样交销售部与客户确认订单产品具体细节及要求.3.1。3.3 跟单员根据与客户达成的产品具体细节及要求,确认《生产通知单》细节要求是否准确,同标准版一同交生产部.3。1.3。4 对需提前备料的,跟单员可根据与客户达成的产品要求,及设计部制作的初样和《单件用料用量表》交材料仓清料备料。(优先考虑库存现料,确保所备材料准确)3.1.3。4 对返单产品订单只报总经理签批,不再进行评审。3.1.5 流程图(图 1)3.1.6 工作节点和部门分工订单评审管理流程执行说明序号节点责任单位相关说明相关文件或记录1接收订单销售部接收客户订单,整理客户信息《订单接收登记单》2订单评审销售部组织各相关部门进行技术评审,提出处理意见《订单评审记录表》3审批公司领导对订单进行审批《订单审批规程》4订单审批处理销售部、PMC 部下达“订单通知书”、编制生产综合计划,退单。《订单审批处理意见》5制定生产计划生产部、研发部、品质部、综合部根据订单交期,制定生产周计划,并上报公司调度及相关部门《订单下达通知书》6制订生产计划根据订单要求,一般订单启动生产正常流程,特别订单制订生产新工艺,并下达到各生产车间。准确实施生产《生产计划》7生产实施根据生产计划,组织生产《生产跟踪表》8生产如不能按订单要求完成,则申请变更订《生产反馈记录表》销售部 PMC 部 综合部综合部 开发部所属相关部门 订单审批处理结束下达订单制订生产综合计划生产实施生产反馈交货后管理订单接收订单开始订单评审订单订单审批订单是否反馈单3。2 订单协调管理流程3。2.1 该流程由公司销售部部门组织研发部、生产部、品质部、综合部、销售部,根据客户提出的特别技术要求...

1、当您付费下载文档后,您只拥有了使用权限,并不意味着购买了版权,文档只能用于自身使用,不得用于其他商业用途(如 [转卖]进行直接盈利或[编辑后售卖]进行间接盈利)。
2、本站所有内容均由合作方或网友上传,本站不对文档的完整性、权威性及其观点立场正确性做任何保证或承诺!文档内容仅供研究参考,付费前请自行鉴别。
3、如文档内容存在违规,或者侵犯商业秘密、侵犯著作权等,请点击“违规举报”。

碎片内容

生产订单管理流程

确认删除?
VIP
微信客服
  • 扫码咨询
会员Q群
  • 会员专属群点击这里加入QQ群
客服邮箱
回到顶部