电脑桌面
添加小米粒文库到电脑桌面
安装后可以在桌面快捷访问

电信工器具及工装管理制度

电信工器具及工装管理制度_第1页
1/2
电信工器具及工装管理制度_第2页
2/2
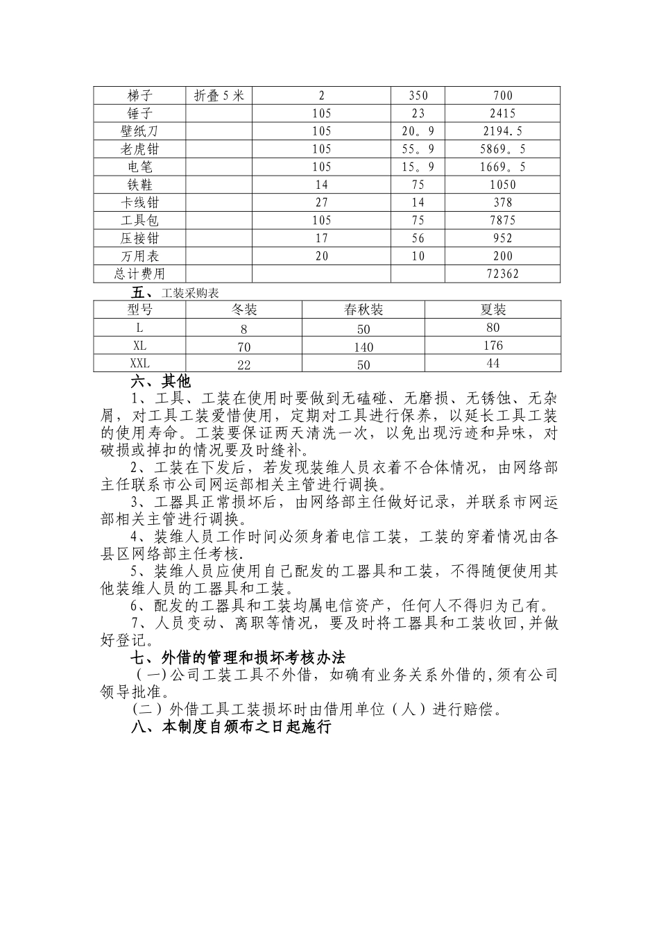
电信装维工器具及 工装管理制度一、目的 为了加强公司工器具和工装管理工作,确保公司员工按规定要求着装上岗,以干净的仪表仪容为客户提供优质服务,树立良好的企业形象,根据标准化要求,经网运部讨论决定,特制定本管理制度.二、适用范围 本管理办法适用于我公司统一配备下发的所有工器具和工装.三、职责(一)市公司网运部职责1、市网运部针对县区分公司网路部提出的工器具和工装需求申请进行审核,并制定全市统一采购计划。2、市网运部对采购工器具和工装进行质量把关,同时做好工器具和工装的发放工作,并将对发放物资进行详细记录.3、市网运部每季度对下发的工器具和工装进行盘点检查,一经发现工器具和工装出现丢失、人为损坏等现象,则要求县区分公司进行等价赔偿。4、市公司网运部对县区上报的工器具和工装正常损坏情况,进行更换或维修。(二)县公司网络部职责1、各县区分公司网络部根据实际需求向市公司网运部提交工器具和工装需求申请。2、各县区网络部主任需向市公司网运部提交物资申请单,待市公司网运部批准后方可领取相应物资。3、各县区网路部负责工器具和工装的使用工作,同时做好工器具和工装的分配统计管理工作,并安排专人定期对工器具和工装的使用情况进行检查.4、针对工器具和工装的损坏情况,属正常损坏的,按公司报废资产处理;属人为损坏的,需向市公司网运部提交报告。四、工器具采购表名称规格数量单价金额查号机109353815网线钳105353675尖嘴钳105575985斜口钳10542。94504。5测线仪105303150螺丝刀十字10514.91564。5螺丝刀平口10514。91564.5梯子折叠 4 米352809800手电钻221803960电锤2348011040梯子折叠 5 米2350700锤子105232415壁纸刀10520。92194.5老虎钳10555。95869。5电笔10515。91669。5铁鞋14751050卡线钳2714378工具包105757875压接钳1756952万用表2010200总计费用72362五、工装采购表型号冬装春秋装夏装L85080XL70140176XXL225044六、其他1、工具、工装在使用时要做到无磕碰、无磨损、无锈蚀、无杂屑,对工具工装爱惜使用,定期对工具进行保养,以延长工具工装的使用寿命。工装要保证两天清洗一次,以免出现污迹和异味,对破损或掉扣的情况要及时缝补。 2、工装在下发后,若发现装维人员衣着不合体情况,由网络部主任联系市公司网运部相关主管进行调换。3、工器具正常损坏后,由网络部主任做好记录,并联系市网运部相关主管进行调换。4、装维人员工作时间必须身着电信工装,工装的穿着情况由各县...

1、当您付费下载文档后,您只拥有了使用权限,并不意味着购买了版权,文档只能用于自身使用,不得用于其他商业用途(如 [转卖]进行直接盈利或[编辑后售卖]进行间接盈利)。
2、本站所有内容均由合作方或网友上传,本站不对文档的完整性、权威性及其观点立场正确性做任何保证或承诺!文档内容仅供研究参考,付费前请自行鉴别。
3、如文档内容存在违规,或者侵犯商业秘密、侵犯著作权等,请点击“违规举报”。

碎片内容

电信工器具及工装管理制度

您可能关注的文档

确认删除?
VIP
微信客服
  • 扫码咨询
会员Q群
  • 会员专属群点击这里加入QQ群
客服邮箱
回到顶部