电脑桌面
添加小米粒文库到电脑桌面
安装后可以在桌面快捷访问

电力系统继电保护实验报告

电力系统继电保护实验报告_第1页
1/20
电力系统继电保护实验报告_第2页
2/20
电力系统继电保护实验报告_第3页
3/20
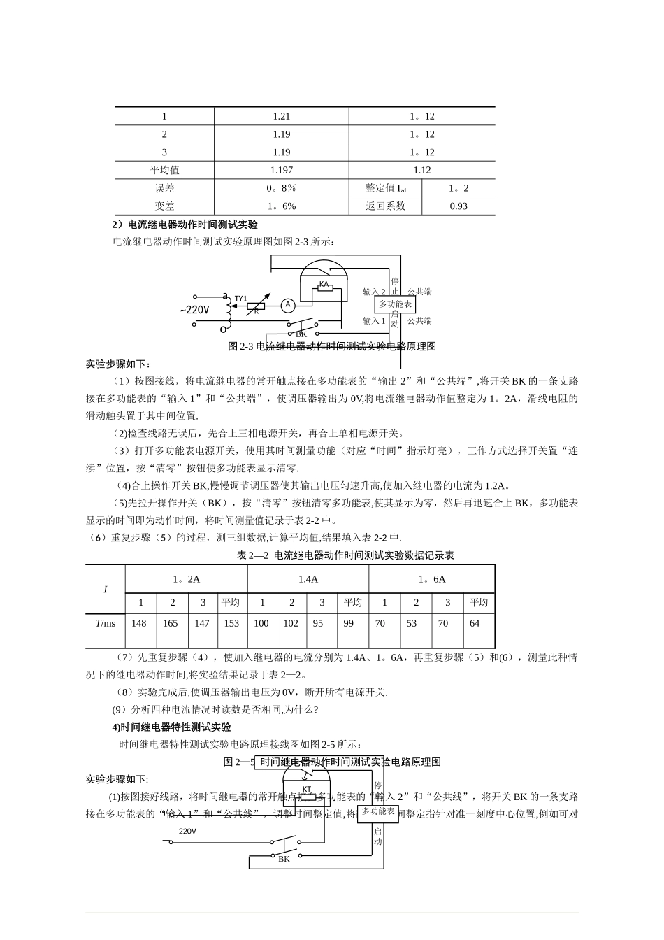
电力系统继电保护实验报告一、常规继电器特性实验(一)电磁型电压、电流继电器的特性实验1.实验目的1)了解继电器基本分类方法及其结构。2)熟悉几种常用继电器,如电流继电器、电压继电器、时间继电器、中间继电器、信号继电器等的构成原理。3)学会调整、测量电磁型继电器的动作值、返回值和计算返回系数。4)测量继电器的基本特性。5)学习和设计多种继电器配合实验。2.继电器的类型与原理继电器是电力系统常规继电保护的主要元件,它的种类繁多,原理与作用各异。3.实验内容1)电流继电器特性实验电流继电器动作、返回电流值测试实验。实验电路原理图如图 2-2 所示:虚线框为台体内部接线图 2-2 电流继电器动作电流值测试实验原理图实验步骤如下:(1)按图接线,将电流继电器的动作值整定为 1.2A,使调压器输出指示为 0V,滑线电阻的滑动触头放在中间位置。(2)查线路无误后,先合上三相电源开关(对应指示灯亮),再合上单相电源开关和直流电源开关。(3)慢慢调节调压器使电流表读数缓慢升高,记下继电器刚动作(动作信号灯 XD1 亮)时的最小电流值,即为动作值.(4)继电器动作后,再调节调压器使电流值平滑下降,记下继电器返回时(指示灯 XD1 灭)的最大电流值,即为返回值。(5)重复步骤(2)至(4),测三组数据。 (6)实验完成后,使调压器输出为 0V,断开所有电源开关。(7)分别计算动作值和返回值的平均值即为电流继电器的动作电流值和返回电流值。(8)计算整定值的误差、变差及返回系数。误差=[ 动作最小值-整定值 ]/整定值变差=[ 动作最大值-动作最小值 ]/动作平均值  100%返回系数=返回平均值/动作平均值表 2—1 电流继电器动作值、返回值测试实验数据记录表动作值/A返回值/AA~220VKA+220220RTY130 5A 2A动作信号灯ao11.211。1221.191。1231.191。12平均值1.1971.12误差0。8%整定值 Izd1。2变差1。6%返回系数0.932)电流继电器动作时间测试实验电流继电器动作时间测试实验原理图如图 2-3 所示:图 2-3 电流继电器动作时间测试实验电路原理图实验步骤如下:(1)按图接线,将电流继电器的常开触点接在多功能表的“输出 2”和“公共端”,将开关 BK 的一条支路接在多功能表的“输入 1”和“公共端”,使调压器输出为 0V,将电流继电器动作值整定为 1。2A,滑线电阻的滑动触头置于其中间位置.(2)检查线路无误后,先合上三相电源开关,再合上单相电源开关。(3)打开多功能表电源开关,...

1、当您付费下载文档后,您只拥有了使用权限,并不意味着购买了版权,文档只能用于自身使用,不得用于其他商业用途(如 [转卖]进行直接盈利或[编辑后售卖]进行间接盈利)。
2、本站所有内容均由合作方或网友上传,本站不对文档的完整性、权威性及其观点立场正确性做任何保证或承诺!文档内容仅供研究参考,付费前请自行鉴别。
3、如文档内容存在违规,或者侵犯商业秘密、侵犯著作权等,请点击“违规举报”。

碎片内容

电力系统继电保护实验报告

确认删除?
VIP
微信客服
  • 扫码咨询
会员Q群
  • 会员专属群点击这里加入QQ群
客服邮箱
回到顶部