电脑桌面
添加小米粒文库到电脑桌面
安装后可以在桌面快捷访问

电梯绝缘电阻测试记录表

电梯绝缘电阻测试记录表_第1页
1/66
电梯绝缘电阻测试记录表_第2页
2/66
电梯绝缘电阻测试记录表_第3页
3/66
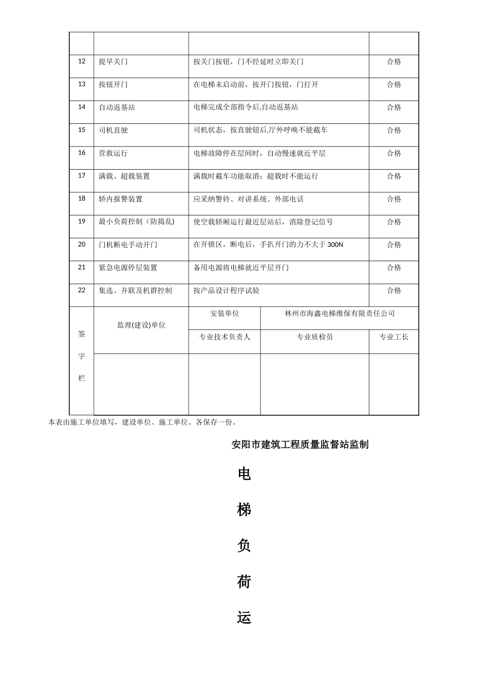
绝缘电阻测试记录表 C5—7工程名称宏盛昌家苑二期 6#楼电梯工程编号测试日期年 月 日计量单位MΩ天气状况晴仪表型号EC—25—C 型电压气温15℃层数箱盘号回路号相同相对零相对地零对地L1-L2L2-L3L3—L1L1-NL2-NL3—NL1-PEL2—PEL3-PEL3-E1113。43。23.13.53.63。43。33。53.50。52223。23。33。43.23.23.33。13。53.40.53333.23。43。43.53.23。43。53。53.40.64443。43。23.13。53.63。43。33。53.50。55553。23.33.43.23。23。33.13.53。40.56663.23。43。43。53。23。43。53。53.40。67773。43。23.13。53。63。43.33。53。50。58883.23.33.43.23.23。33。13。53.40.59993.23.43。43.53.23。43。53。53.40。61010103。43。23.13。53。63.43.33。53。50。51111113.23。33.43.23.23。33。13.53。40.51212123.23.43.43。53。23。43。53。53。40。61313133。43.23。13.53。63。43。33.53。50。51414143.23.33。43。23.23.33.13.53。40.51515153.23.43.43。53.23.43。53。53.40.6测试结论满足设计及法律规范要求施工单位林州市海鑫电梯维保有限责任公司专业技术负责人专业质检员专业工长测试人监理或建设单位河南恒大工程管理有限公司专业工程师安阳市建筑工程质量监督站监制电梯主要功能检验记录电梯主要功能检验记录表 C5-8资料编号工程名称宏盛昌家苑二期 6#楼电梯工程测试日期年 月 日序号检验项目检验内容及其法律规范标准要求检查结果1基站启用、关闭开关专用钥匙,运行、停止转换灵活可靠合格2工作状态选择开关操纵盘上司机、自动、检修钥匙开关,可靠合格3轿内照明、通风开关功能正确、灵活可靠、标志清楚合格4轿内应急照明自动充电、电源故障时自动接通,大于 1W1h合格5本层厅外开门接电梯停在某层的呼唤按钮,应开门合格6自动定向按先入为主的原则,自动确定运行方向合格7轿内指令记忆有多个选层指令时,电梯按顺序逐一停靠合格8呼梯记忆、顺向截停记忆厅外全部呼唤信号,按顺序停靠应答合格9自动换向全部顺向指令完成后,自动应答反向指令合格10轿内选层信号优先完成最后指令在门关闭前轿内优先登记定向合格11自动关门待客完成全部指令后,电梯自动关门,时间 4~10s合格12提早关门按关门按钮,门不经延时立即关门合格13按钮开门在电梯未启动前,按开门按钮,门打开合格14自动返基站电梯完成全部指令后,自动返基站合格15司机直驶司机状态,按直驶钮后,厅外呼唤不能截车合格16营救运行电梯故障停在层间时,自动慢速就近平层合格1...

1、当您付费下载文档后,您只拥有了使用权限,并不意味着购买了版权,文档只能用于自身使用,不得用于其他商业用途(如 [转卖]进行直接盈利或[编辑后售卖]进行间接盈利)。
2、本站所有内容均由合作方或网友上传,本站不对文档的完整性、权威性及其观点立场正确性做任何保证或承诺!文档内容仅供研究参考,付费前请自行鉴别。
3、如文档内容存在违规,或者侵犯商业秘密、侵犯著作权等,请点击“违规举报”。

碎片内容

电梯绝缘电阻测试记录表

阳光书坊+ 关注
实名认证
内容提供者

阳光书坊,传播未来

确认删除?
VIP
微信客服
  • 扫码咨询
会员Q群
  • 会员专属群点击这里加入QQ群
客服邮箱
回到顶部