电脑桌面
添加小米粒文库到电脑桌面
安装后可以在桌面快捷访问

电缆敷设安装施工方案51510

电缆敷设安装施工方案51510_第1页
1/9
电缆敷设安装施工方案51510_第2页
2/9
电缆敷设安装施工方案51510_第3页
3/9
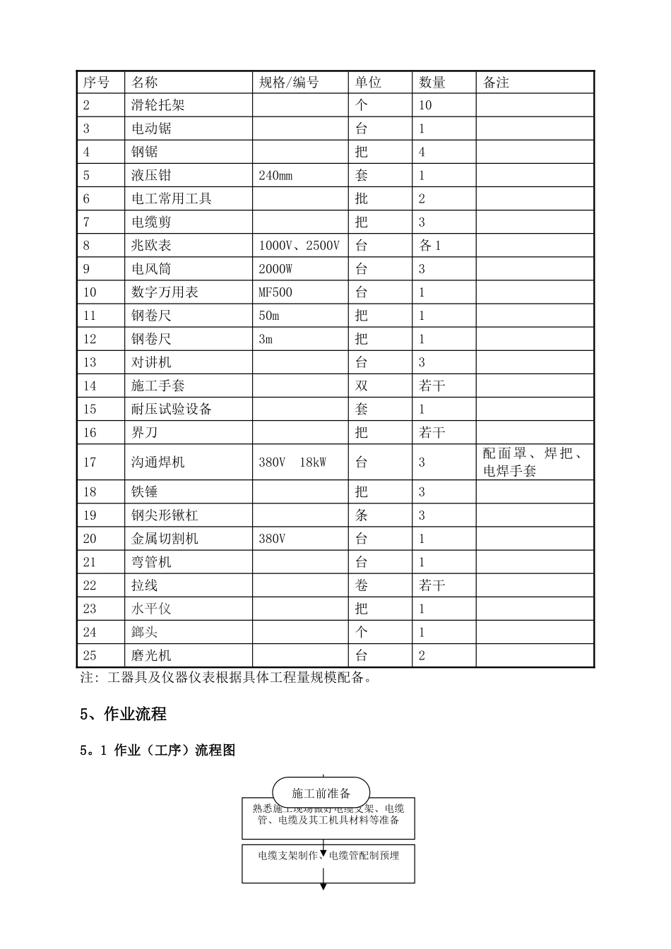
电缆敷设安装施工方案1、 编写依据表 2—1 引用标准及法律规范名称序号标准及法律规范名称1GB50150—2024《电气装置安装工程 电气设备交接试验标准》2GB 50168—2024《电气装置安装工程 电缆线路施工及验收法律规范》3DL 408-91《电业安全工作规程》(发电厂和变电所电气部分)4DL5009.3-1997《电力建设安全工作规程》(变电所部分)5Q/CSG10001-2024《变电站安健环设施标准》6Q/CSG 1 0007—2024《电力设备预防性试验规程》 7Q/CSG 10017.2—2024《110kV~500kV 送变电工程质量检验及评定标准》8Q/CSG11105。2-2024《南方电网工程施工工艺控制法律规范》9《中国南方电网公司十项重点反事故措施》2、工程概况农业部对外经济合作中心将更换从中心后院箱式变压器到配电室的备用电缆,拆除原短路电缆并安装新电缆,沿外墙安装新电缆型号 NH—YJV22,4*240+1*1203、工作前安全风险辨析及控制措施表表 6—2 危险点辨识序号安 全 风 险预 控 措 施检查结果1施工前未进行安全技术交底施工前对施工人员进行安全技术交底2施工人员违规操作岗前培训,现场悬挂操作法律规范,施工人员按章操作3特种人员未持证上岗作业前检查特种作业人员上岗证件4 触点严格按操作规程操作,法律规范施工用电,电动工具外壳接地良好,工作人员应正确使用防护用品。5焊接时发生火灾 ,火焊伤人严格执行行动火票制度,现场 配 备 足 够 合 适 的 灭 火 器材。焊接作业旁清除亦然物质,假如不能清理的现场,应该实行必要的防火措施6电缆支架不稳支架稳固,作业前现场负责人仔细检查确认(注明负责人姓名)7电缆敷设过程压伤碰伤统一指挥,相互照应.协调行动。人员禁止站在电缆内角受力侧.8电焊焊接时防弧光辐射焊接施工作业人员配备和正确使用防护用品9油漆挥发毒害气体加 强 通 风 , 尽 量 在 上 风 工作。加带戴护罩10临边洞孔无防护及时盖好盖板,不能盖好的设备围栏及悬挂标示牌4、作业准备4。1 人员配备表 4-1 作业人员配备工序名称建议工作人数负责人数监护人数熟悉施工现场并做好作业前的准备工作210电缆支架制作、电缆管配制预埋210电缆支架、桥架安装210电缆敷设1010电缆头制作110注:作业人数根据具体工程量规模配备.4.2 工器具及仪器仪表配置表 4-2 主要工器具及仪器表配置序号名称规格/编号单位数量备注1电缆放线架(千斤顶)套4带钢管轴序号名称规格/编号单位数量备注2滑轮托架个103电动锯台14钢锯把45液压钳240mm套16...

1、当您付费下载文档后,您只拥有了使用权限,并不意味着购买了版权,文档只能用于自身使用,不得用于其他商业用途(如 [转卖]进行直接盈利或[编辑后售卖]进行间接盈利)。
2、本站所有内容均由合作方或网友上传,本站不对文档的完整性、权威性及其观点立场正确性做任何保证或承诺!文档内容仅供研究参考,付费前请自行鉴别。
3、如文档内容存在违规,或者侵犯商业秘密、侵犯著作权等,请点击“违规举报”。

碎片内容

电缆敷设安装施工方案51510

确认删除?
VIP
微信客服
  • 扫码咨询
会员Q群
  • 会员专属群点击这里加入QQ群
客服邮箱
回到顶部