电脑桌面
添加小米粒文库到电脑桌面
安装后可以在桌面快捷访问

石桥水库大桥箱梁架设安装施工方案-2

石桥水库大桥箱梁架设安装施工方案-2_第1页
1/14
石桥水库大桥箱梁架设安装施工方案-2_第2页
2/14
石桥水库大桥箱梁架设安装施工方案-2_第3页
3/14
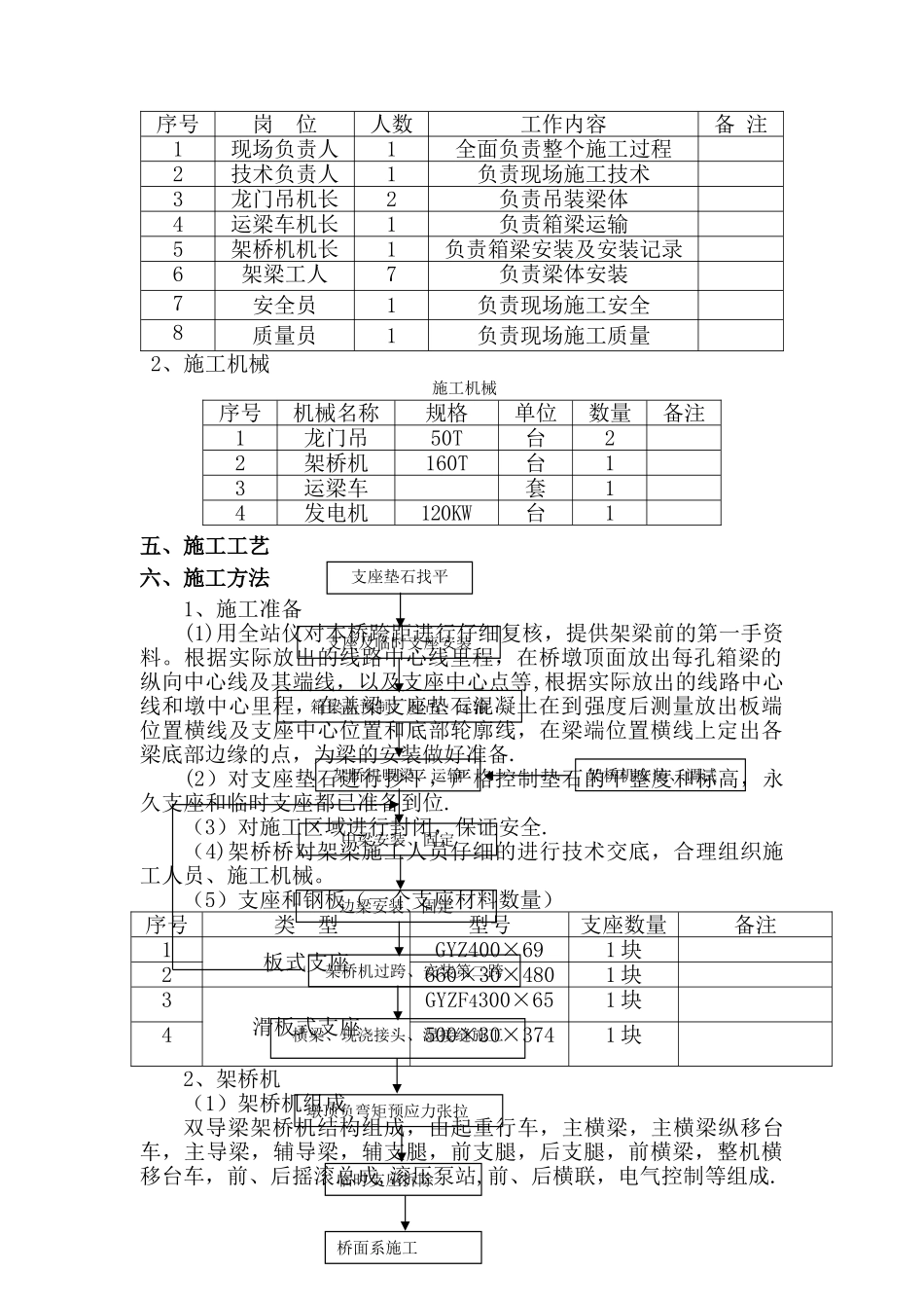
柳州至武宣公路工程总承包部第一分部预应力箱梁架设 施 工 技 术 方 案 编 制: 复 核: 审 核: 日 期: 预应力箱梁架设施工方案一、编制依据1、《公路工程技术标准》(JTG B01—2024)2、《公路工程质量评定标准》(JTG F80/1-2024)3、《公路工程施工安全技术法律规范》(JTJ076—95)4、《公路桥涵施工技术法律规范》(JTJ 041—2000)5、《公路桥梁板式橡胶支座》(JT/T4-2024)6、《实施性总体施工组织设计》二、工程概况K15+285石桥水库大桥孔跨布置为3×30+4×30+4×30+4×30+4×30+3×30u 预应力砼(后张)小箱梁、先简直后连续,箱梁高为 1.75 米,桥台采纳桩基础桥台,桥梁左幅 670.234 米、右幅 670。432 米.主要工程数量表三、施工组织及安排1、施工任务划分及人员配置序号职务姓名备注1项目经理黄振诚cheng 诚实2项目副经理李 勇3总工程师许先忠4工程部部长康 帅5技术负责人任文第6现场负责人李卫红7质检负责人张 航8试验负责人何宽达9安全负责人杨定锋四、现场施工人员及机械配置1、施工人员序号岗 位人数工作内容备 注1现场负责人1全面负责整个施工过程2技术负责人1负责现场施工技术3龙门吊机长2负责吊装梁体4运梁车机长1负责箱梁运输5架桥机机长1负责箱梁安装及安装记录6架梁工人7负责梁体安装7安全员1负责现场施工安全8质量员1负责现场施工质量 2、施工机械施工机械序号机械名称规格单位数量备注1龙门吊50T台22架桥机160T台13运梁车套14发电机120KW台1五、施工工艺六、施工方法1、施工准备(1)用全站仪对本桥跨距进行仔细复核,提供架梁前的第一手资料。根据实际放出的线路中心线里程,在桥墩顶面放出每孔箱梁的纵向中心线及其端线,以及支座中心点等,根据实际放出的线路中心线和墩中心里程,在盖梁支座垫石混凝土在到强度后测量放出板端位置横线及支座中心位置和底部轮廓线,在梁端位置横线上定出各梁底部边缘的点,为梁的安装做好准备.(2)对支座垫石进行抄平,严格控制垫石的平整度和标高,永久支座和临时支座都已准备到位.(3)对施工区域进行封闭,保证安全.(4)架桥桥对架梁施工人员仔细的进行技术交底,合理组织施工人员、施工机械。(5)支座和钢板(一个支座材料数量)序号类 型型号支座数量备注1板式支座GYZ400×691 块2660×30×4801 块3滑板式支座GYZF4300×651 块4500×30×3741 块2、架桥机(1)架桥机组成双导梁架桥机结构组成,由起重行车,主横梁,主横梁纵移台车,主导梁,辅...

1、当您付费下载文档后,您只拥有了使用权限,并不意味着购买了版权,文档只能用于自身使用,不得用于其他商业用途(如 [转卖]进行直接盈利或[编辑后售卖]进行间接盈利)。
2、本站所有内容均由合作方或网友上传,本站不对文档的完整性、权威性及其观点立场正确性做任何保证或承诺!文档内容仅供研究参考,付费前请自行鉴别。
3、如文档内容存在违规,或者侵犯商业秘密、侵犯著作权等,请点击“违规举报”。

碎片内容

石桥水库大桥箱梁架设安装施工方案-2

您可能关注的文档

确认删除?
VIP
微信客服
  • 扫码咨询
会员Q群
  • 会员专属群点击这里加入QQ群
客服邮箱
回到顶部