电脑桌面
添加小米粒文库到电脑桌面
安装后可以在桌面快捷访问

石油化工企业与相邻工厂或设施的防火间距

石油化工企业与相邻工厂或设施的防火间距_第1页
1/14
石油化工企业与相邻工厂或设施的防火间距_第2页
2/14
石油化工企业与相邻工厂或设施的防火间距_第3页
3/14
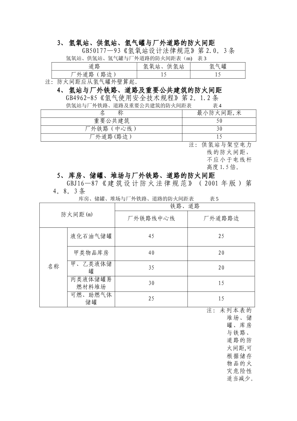
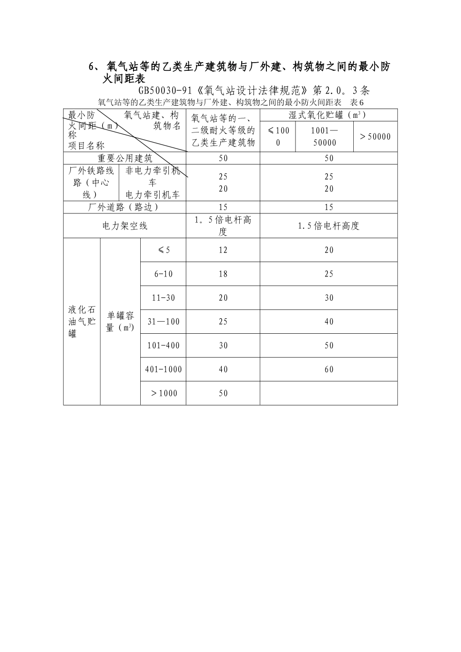
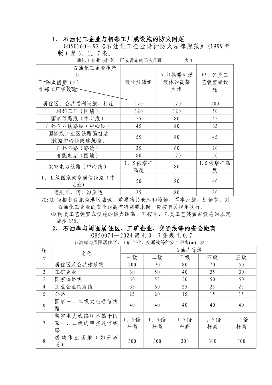
1、 石油化工企业与相邻工厂或设施的防火间距GB50160—92《石油化工企业设计防火法律规范》(1999 年版)第 3。1。7 条。 油化工企业与相邻工厂或设施的防火间距 表 1 石油化工企业生产区防火间距(m)相邻工厂或设施液化烃罐组可能携带可燃液体的高架火炬甲、乙类工艺装置或设施居住区、公共福利设施、村庄120120100相邻工厂(围墙)12012050国家铁路线(中心线)558045厂外企业铁路线(中心线)458035国家或工业区铁路编组站(铁路中心线或建筑物)558045厂外公路(路边)256020变配电站(围墙)8012050架空电力线路(中心线)1。5 倍塔杆高度801.5 倍塔杆高度I、Ⅱ级国家架空通信线路(中心线)508040通航江、河、海岸边258020注:① 当相邻设施为港区陆域、重要物品仓库和堆场、军事设施、机场等,对石油化工企业的安全距离有特别要求时,应按有关规定执行。② 丙类工艺装置或设施的防火距离,可按甲、乙类工艺装置或设施的规定减少 25%。2、 石油库与周围居住区、工矿企业、交通线等的安全距离GB50074—2024 第 4.0。7 条表 4.0.7石油库与周围居住区、工矿企业、交通线等的安全距离(m) 表 2序号名称石油库等级一级二级三级四级五级1居住区及公共建筑物100908070502工矿企业60504035303国家铁路线60555050504工业企业铁路线35602525255公路25201515156国家一、二级架空通信线路40404040407架空电力线路和不属于国家一、二级的架空通信线路1。5 倍杆高1。5 倍杆高1.5 倍杆高1。5 倍杆高1.5 倍杆高8爆 破 作 业 场 地 ( 如 采 石场)3003003003003003、 氢氧站、供氢站、氢气罐与厂外道路的防火间距GB50177—93《氢氧站设计法律规范》第 2.0。3 条氢氧站、供氢站、氢气罐与厂外道路的防火间距表(m) 表 3道路氢氧站、供氢站氢气罐厂外道路(路边)1515注:防火间距应从氢气罐外壁算起。4、 氢站与厂外铁路、道路及重要公共建筑的防火间距GB4962-85《氢气使用安全技术规程》第 2。1.2 条供氢站与厂外铁路、道路及重要公共建筑的防火间距表 表 4名 称最小防火间距,米重要公共建筑50厂外铁路(中心线)30厂外道路(路边)15注:供氢站与架空电力线的防火间距,不应小于电线杆高度 1.5 倍。5、 库房、储罐、堆场与厂外铁路、道路的防火间距GBJ16—87 《 建 筑 设 计 防 火 法 律 规 范 》 ( 2001 年 版 ) 第4。8。3 条库房、储罐、堆场与厂外铁路、道路的防火间距表 表 5防火间...

1、当您付费下载文档后,您只拥有了使用权限,并不意味着购买了版权,文档只能用于自身使用,不得用于其他商业用途(如 [转卖]进行直接盈利或[编辑后售卖]进行间接盈利)。
2、本站所有内容均由合作方或网友上传,本站不对文档的完整性、权威性及其观点立场正确性做任何保证或承诺!文档内容仅供研究参考,付费前请自行鉴别。
3、如文档内容存在违规,或者侵犯商业秘密、侵犯著作权等,请点击“违规举报”。

碎片内容

石油化工企业与相邻工厂或设施的防火间距

一帆文传+ 关注
实名认证
内容提供者

欢迎光临店铺,各类公文供您挑选。

确认删除?
VIP
微信客服
  • 扫码咨询
会员Q群
  • 会员专属群点击这里加入QQ群
客服邮箱
回到顶部