电脑桌面
添加小米粒文库到电脑桌面
安装后可以在桌面快捷访问

站内管网施工组织设计

站内管网施工组织设计_第1页
1/17
站内管网施工组织设计_第2页
2/17
站内管网施工组织设计_第3页
3/17
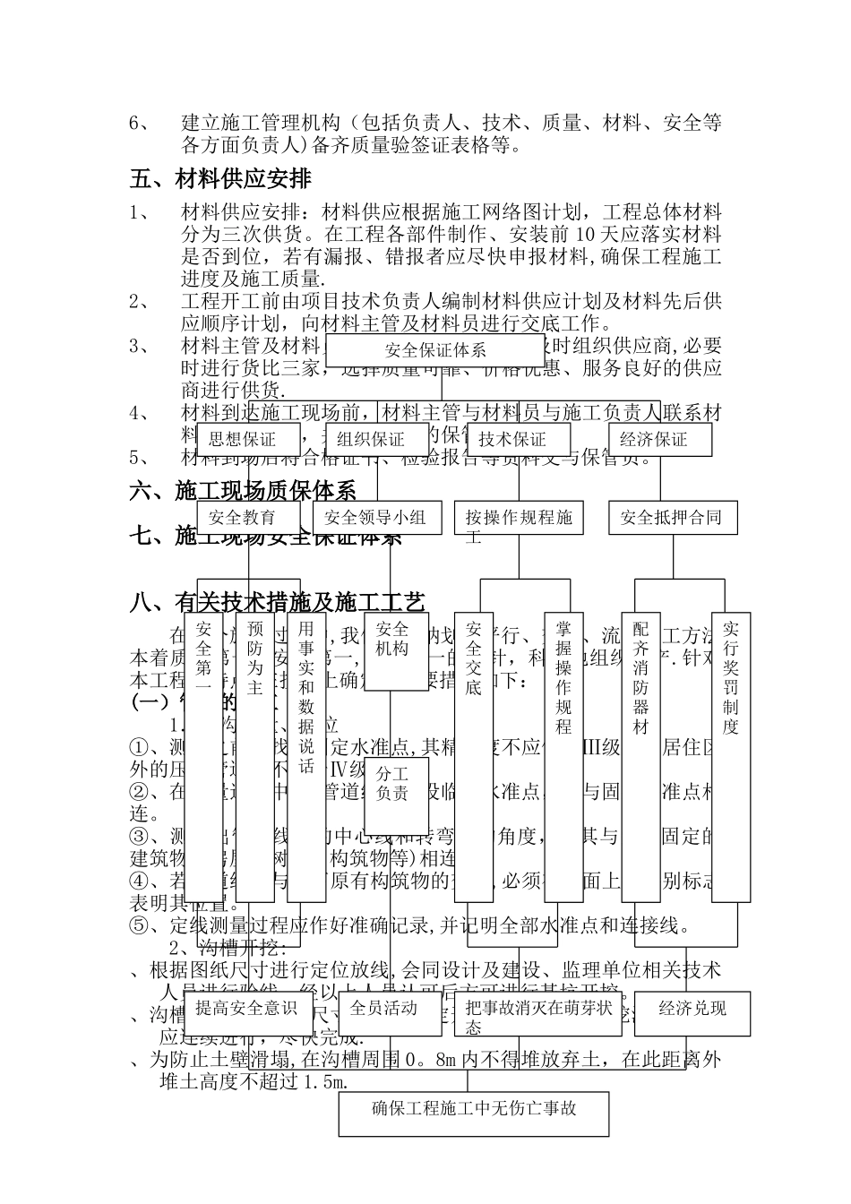
施工组织设计编 制: 审 核:批 准:一、工程概况该工程无论从管道选材方面还是从整体设计方面,与普通管网安装形成了不同的风格,对安装工艺要求较高,为达到工程的顺利按时实施,必须做到组织严密,措施得当。要求所有项目管理人员在现场的施工与项目协调等方面体现我公司“内抓管理,外树形象”的管理理念,“以质量求进展,以信誉嬴市场”的企业宗旨.二、 施工人员及劳动力安排计划1、施工人员组织项 目 经理: 项目技术负责人: 项目负责人: 现 场 负 责 人: 技 术 员: 安 全 员: 质 检 员: 材 料 员: 2、投入的工程技术力量:工程技术力量:高级工程师 1 人、助理工程师 2 人技术员 1 名、钳工 3 人、管工 3 人焊工 2 人、起重工 2 人。三、施工机械设备的配备: 序号设备名称规格型号数量使用年限生产能力1双卧砼搅拌机JZE—50013 年2砂浆搅拌机VJE—20011 年3钢筋弯曲机CW4012 年4钢筋切断机CQ4013 年5蛙式打夯机24 年1电子经纬仪DJ6台1 年2水准仪DS3台1 年3焊缝检测尺把1 年4柜式水平仪台1 年5钢水平尺600MM只3 年6液体连通器测量用只2 年7量具直尺,卡尺,千分表只3 年8硬度测定仪台4 年9测厚仪台3 年10划规个2 年11地规个2 年12线垂个1 年四、施工准备1、熟悉图纸,参加图纸会审。2、施工人员的组织:根据工程要求,组织以土建、管工、钳工、焊工、水暖工、起重工、防腐工等施工队伍,学习熟悉图纸和有关技术文件,由技术员进行技术和安全交底。3、施工机具准备,根据现场条件和工期要求,参照机具计划,作机具调配,布置现场用的机具要及早进入施施工场地点,自制小型工具要准备齐全。4、施工现场布置:积极协助建设单位做好三通一平,落实临时设施,工程负责人根据施工现场具体情况确定材料堆放、现场加工、施工机具设备布置等.5、办理好施工前的一切开工的手续。6、建立施工管理机构(包括负责人、技术、质量、材料、安全等各方面负责人)备齐质量验签证表格等。五、材料供应安排1、材料供应安排:材料供应根据施工网络图计划,工程总体材料分为三次供货。在工程各部件制作、安装前 10 天应落实材料是否到位,若有漏报、错报者应尽快申报材料,确保工程施工进度及施工质量.2、工程开工前由项目技术负责人编制材料供应计划及材料先后供应顺序计划,向材料主管及材料员进行交底工作。3、材料主管及材料员接到材料申请计划后,及时组织供应商,必要时进行货比三家,选择质量可靠、价格...

1、当您付费下载文档后,您只拥有了使用权限,并不意味着购买了版权,文档只能用于自身使用,不得用于其他商业用途(如 [转卖]进行直接盈利或[编辑后售卖]进行间接盈利)。
2、本站所有内容均由合作方或网友上传,本站不对文档的完整性、权威性及其观点立场正确性做任何保证或承诺!文档内容仅供研究参考,付费前请自行鉴别。
3、如文档内容存在违规,或者侵犯商业秘密、侵犯著作权等,请点击“违规举报”。

碎片内容

站内管网施工组织设计

您可能关注的文档

确认删除?
VIP
微信客服
  • 扫码咨询
会员Q群
  • 会员专属群点击这里加入QQ群
客服邮箱
回到顶部