电脑桌面
添加小米粒文库到电脑桌面
安装后可以在桌面快捷访问

宁夏卫宁北山地区金场子金矿床区域成矿地质背景

宁夏卫宁北山地区金场子金矿床区域成矿地质背景_第1页
1/5
宁夏卫宁北山地区金场子金矿床区域成矿地质背景_第2页
2/5
宁夏卫宁北山地区金场子金矿床区域成矿地质背景_第3页
3/5
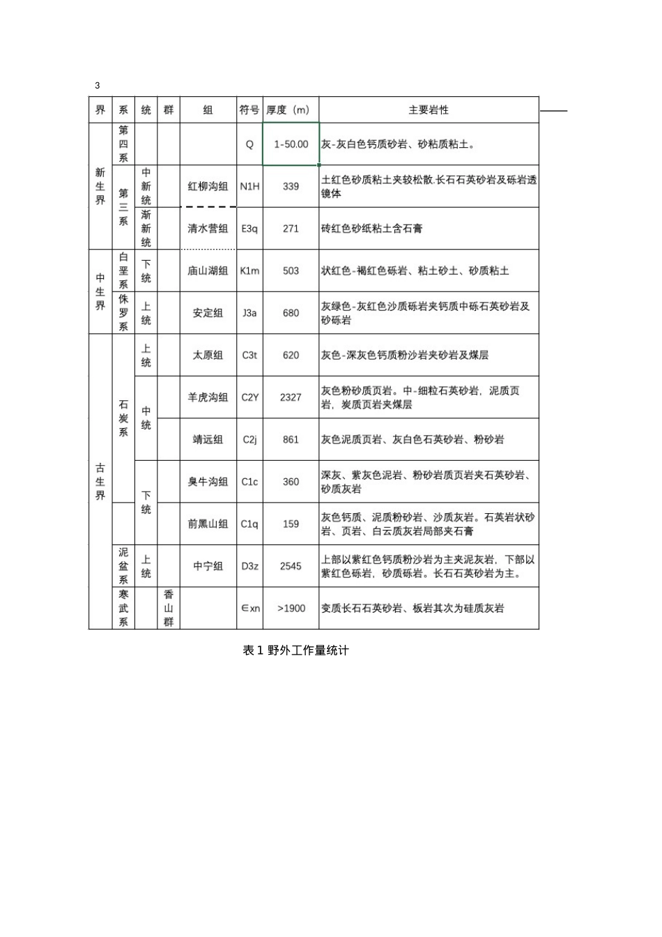
1宁夏卫宁北山地区金场子金矿床区域成矿地质背景1 大地构造背景2 区域地层宁夏卫宁北山地区金场子金矿床位于秦祁昆造山系北祁连造山带东段,其北与中朝准地台阿拉善地块相接,其东与中朝准地台鄂尔多斯地块毗邻,属构造活动带与稳定地块交接部的构造活动带边缘,具明显的活动性。早古生代时期,该区属北祁连加里东弧后盆地的一部分,形成了次深海斜坡相陆源碎屑-泥质沉积为主浊积岩系(香山群),加里东末期,北祁连弧后盆地褶皱回返,构成本区晚古生代各类建造的基底层。泥盆纪演化为前陆盆地,沉积了一套陆相磨拉石建造(老君山组),不整合覆于基底层之上;早石炭纪在泥盆纪前陆盆地的基础上演化为伸展型上叠盆地,形成一套咸化泻湖-陆棚海沉积建造,与下伏地层平行不整合接触(泥盆系)或角度不整合接触(下古生界);晚石炭纪形成一套海陆交互相含煤建造,与下伏臭牛沟组平行不整合接—触。二叠三叠系为过渡性间歇陆相沉积,在本区域未保留。三叠纪末的印支运动,以近南北向挤压为主,在本地区形成了近东西向展布的褶皱、断裂构造,奠定了工作区的基本构造格架。燕山运动,在继承了印支运动形成的构造格架的基础上,主要以近东西向挤压为主,对原构造格架进行了适当的改造,在区域上形成了侏罗系、白垩系和古近系与下伏地层间的不整合接触;同时,在本地区伴生有中酸性岩浆侵入,形成了较多隐伏和出露地表的花岗闪长岩-闪长岩体(脉)及岩浆热液蚀变岩。喜马拉雅运动虽然以整体抬升为主,但在本区表现不强烈,仅对华力西-印支期形成的构造形迹进行微弱的改造。2中统照花井组、上统旱峡组;泥盆系中统石峡沟组、上统老君山组;石炭系下统前黑山-臭牛沟组、上统土坡组;中生界侏罗系中统延安-直罗组、上统安定组;白垩系下统庙山湖组及新生界盖层。调查区出露有奥陶系中上统狼嘴子组;泥盆系上统老君山组;石炭系下统前黑山-臭牛沟组、上统土坡组;白垩系下统庙山湖组及新生界盖层,地层序列见表 1。——卫宁北山地区属华北地层大区秦祁昆地层区祁连-北秦岭—地层分区宁夏南部地层小区。区域上出露古生界奥陶系下统马家沟组、中下统米缽山组、中上统徐家圈、狼嘴子、磨盘井组;志留系3表 1 野外工作量统计4中国地质大学学士学位论文3 区域构造4 区域岩浆岩 该区构造复杂,褶皱,断裂,裂隙均极为发育,根据其力学成因可以初步划分为东西向,北东向,北西向及南北向构造系,其中东西向构造组成该区基本构造轮廓。1、单梁山复背斜(9):轴向...

1、当您付费下载文档后,您只拥有了使用权限,并不意味着购买了版权,文档只能用于自身使用,不得用于其他商业用途(如 [转卖]进行直接盈利或[编辑后售卖]进行间接盈利)。
2、本站所有内容均由合作方或网友上传,本站不对文档的完整性、权威性及其观点立场正确性做任何保证或承诺!文档内容仅供研究参考,付费前请自行鉴别。
3、如文档内容存在违规,或者侵犯商业秘密、侵犯著作权等,请点击“违规举报”。

碎片内容

宁夏卫宁北山地区金场子金矿床区域成矿地质背景

您可能关注的文档

文章天下+ 关注
实名认证
内容提供者

各种文档应有尽有

确认删除?
VIP
微信客服
  • 扫码咨询
会员Q群
  • 会员专属群点击这里加入QQ群
客服邮箱
回到顶部