电脑桌面
添加小米粒文库到电脑桌面
安装后可以在桌面快捷访问

能力验证计划

能力验证计划_第1页
1/2
能力验证计划_第2页
2/2
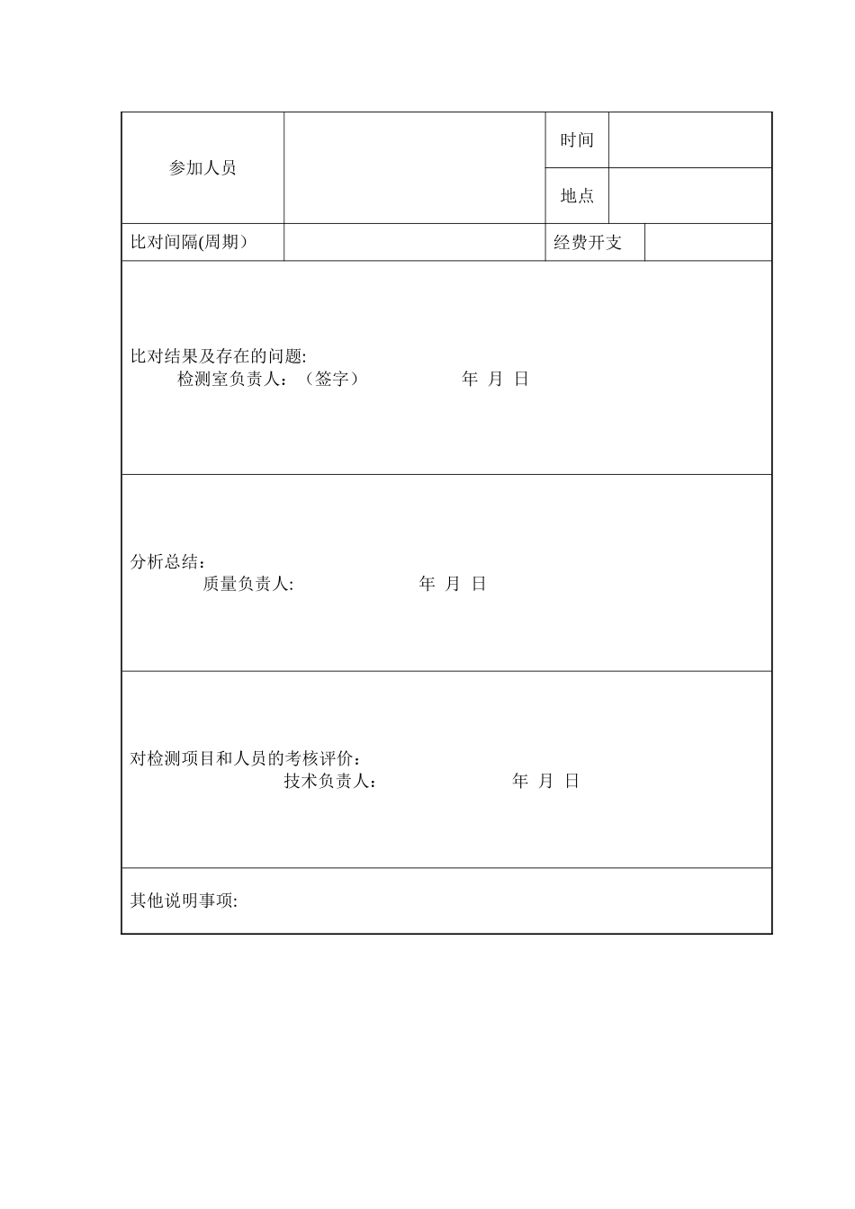
比对和能力验证计划表 KXJG/CB031。1序号比对项目比对时间比对科室比对方式制表人: 审批: 日期: 比对与能力验证记录表KXJG/CB031。2项 目设备名称型号参加人员时间地点比对间隔(周期)经费开支比对结果及存在的问题: 检测室负责人:(签字) 年 月 日分析总结: 质量负责人: 年 月 日对检测项目和人员的考核评价:技术负责人: 年 月 日其他说明事项:

1、当您付费下载文档后,您只拥有了使用权限,并不意味着购买了版权,文档只能用于自身使用,不得用于其他商业用途(如 [转卖]进行直接盈利或[编辑后售卖]进行间接盈利)。
2、本站所有内容均由合作方或网友上传,本站不对文档的完整性、权威性及其观点立场正确性做任何保证或承诺!文档内容仅供研究参考,付费前请自行鉴别。
3、如文档内容存在违规,或者侵犯商业秘密、侵犯著作权等,请点击“违规举报”。

碎片内容

能力验证计划

确认删除?
VIP
微信客服
  • 扫码咨询
会员Q群
  • 会员专属群点击这里加入QQ群
客服邮箱
回到顶部