电脑桌面
添加小米粒文库到电脑桌面
安装后可以在桌面快捷访问

落地式钢管扣件脚手架搭设验收表

落地式钢管扣件脚手架搭设验收表_第1页
1/1
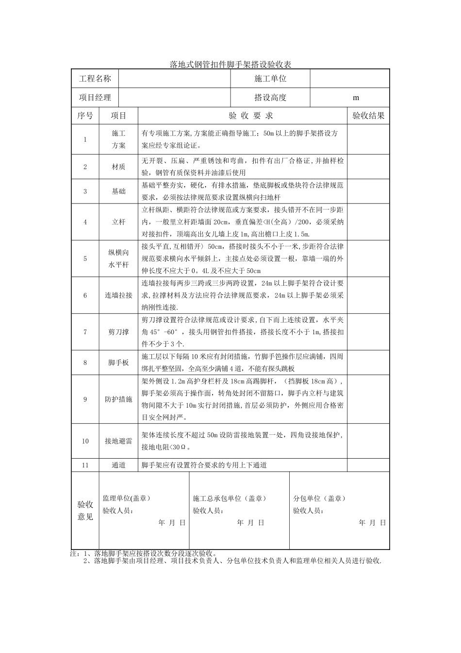
落地式钢管扣件脚手架搭设验收表工程名称施工单位项目经理搭设高度 m序号项目验 收 要 求验收结果1施工方案有专项施工方案,方案能正确指导施工;50m 以上的脚手架搭设方案应经专家组论证。2材质无开裂、压扁、严重锈蚀和弯曲,扣件有出厂合格证,并抽样检验,钢管有质保资料并油漆后使用3基础基础平整夯实,硬化,有排水措施,垫底脚板或垫块符合法律规范要求,必须按法律规范要求设置纵横向扫地杆4立杆立杆纵距、横距符合法律规范或方案要求,接头错开不在同一步距内,一般里立杆距墙面 20cm,垂直偏差

1、当您付费下载文档后,您只拥有了使用权限,并不意味着购买了版权,文档只能用于自身使用,不得用于其他商业用途(如 [转卖]进行直接盈利或[编辑后售卖]进行间接盈利)。
2、本站所有内容均由合作方或网友上传,本站不对文档的完整性、权威性及其观点立场正确性做任何保证或承诺!文档内容仅供研究参考,付费前请自行鉴别。
3、如文档内容存在违规,或者侵犯商业秘密、侵犯著作权等,请点击“违规举报”。

碎片内容

落地式钢管扣件脚手架搭设验收表

确认删除?
微信客服
  • 扫码咨询
会员Q群
  • 会员专属群点击这里加入QQ群