电脑桌面
添加小米粒文库到电脑桌面
安装后可以在桌面快捷访问

视频监控系统技术协议-1215

视频监控系统技术协议-1215_第1页
1/10
视频监控系统技术协议-1215_第2页
2/10
视频监控系统技术协议-1215_第3页
3/10
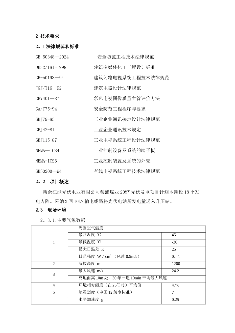
新余江能光伏电业有限公司棠浦煤业 20MW 光伏发电项目 (视频监控技术法律规范)采购方: 供货方: 2024 年 12 月1 范围1.1 总则1。1.1 本技术法律规范书适用于新余江能光伏电业有限公司棠浦煤业 20MW 光伏发电项目的安防监控系统。 1.1.2 本技术法律规范书提出的是最低限度的要求,并未对所有技术细节作出规定,也未详尽陈述与之有关的法律规范和标准.供方应提供符合本技术法律规范书和国家有关工业标准要求的优质产品。对国家有关安全、环保等方面的强制性标准,必须完全按其执行。1。1.3 本技术法律规范书所使用的标准如与供方所执行的标准发生矛盾时,按较高标准执行。1.1.4 本法律规范书作为订货合同的技术附件,与合同正文具有同等法律效力.1。1。5 供方对整套系统负全责,即包括分包(采购)的产品。确定分包(或采购)产品的制造商需由需方认可。1。1.6 本法律规范书未尽事宜,由供、需双方协商解决.1。1.7 供货文件要求: 供方在供货时,必须至少提供以下技术要文件 3 套供需方审查:A.供货技术说明书;B.所提供设备及系统的详细说明,包括系统性能,系统结构以及其它有关技术文件和产品样本;C.全套设备的供货范围,包括所有硬件、软件、施工、服务和有关图纸资料等;D.本工程组织计划、质量控制与计划保证;E.所提供的安防监控系统在同类型电厂应用业绩清单;F.本技术条件书所要求的其它说明、资料等.1。1.8 合同签定后六日内需方提供给需方设计部门资料(5 套纸质版,1 套电子U 盘版),至少包含: a、系统各设备安装图、接线资料 b、系统各设备安装、运行、注意事项、维护使用说明书。 c、设计与用指导资料。 d、电缆联系图。 e、各盘(柜)的面板布置图,底脚开孔尺寸、外型尺寸等。1。1.9 供方在组织设计前需了解项目现场,摄像机安装地点,地质等情况.合理配置摄像机等设备,本项目室外设备能适应当地多风沙、冬季低温等气候条件。。1。2 供方的工作范围1。2。1 供给完成本技术法律规范书规定的功能、满足其技术指标要求的整套监视设备和安装材料。1。2.2 完成整套设备的现场安装施工和调试工作,并按期随光伏系统投入正常运行.1.2.3 需方运行及维护人员的培训工作。1.2.4 设备保修期内的技术服务工作以及备品备件的供应。1。3 需方的工作范围1.3。1 系统的安装协调。1.3.2 对供方最终完成的系统进行验收。1。3.3 协调解决现场仓库,物品保管和施工工作电源。2 技术要求2。1 法律规范和标...

1、当您付费下载文档后,您只拥有了使用权限,并不意味着购买了版权,文档只能用于自身使用,不得用于其他商业用途(如 [转卖]进行直接盈利或[编辑后售卖]进行间接盈利)。
2、本站所有内容均由合作方或网友上传,本站不对文档的完整性、权威性及其观点立场正确性做任何保证或承诺!文档内容仅供研究参考,付费前请自行鉴别。
3、如文档内容存在违规,或者侵犯商业秘密、侵犯著作权等,请点击“违规举报”。

碎片内容

视频监控系统技术协议-1215

确认删除?
VIP
微信客服
  • 扫码咨询
会员Q群
  • 会员专属群点击这里加入QQ群
客服邮箱
回到顶部