电脑桌面
添加小米粒文库到电脑桌面
安装后可以在桌面快捷访问

设备监造计划

设备监造计划_第1页
1/3
设备监造计划_第2页
2/3
设备监造计划_第3页
3/3
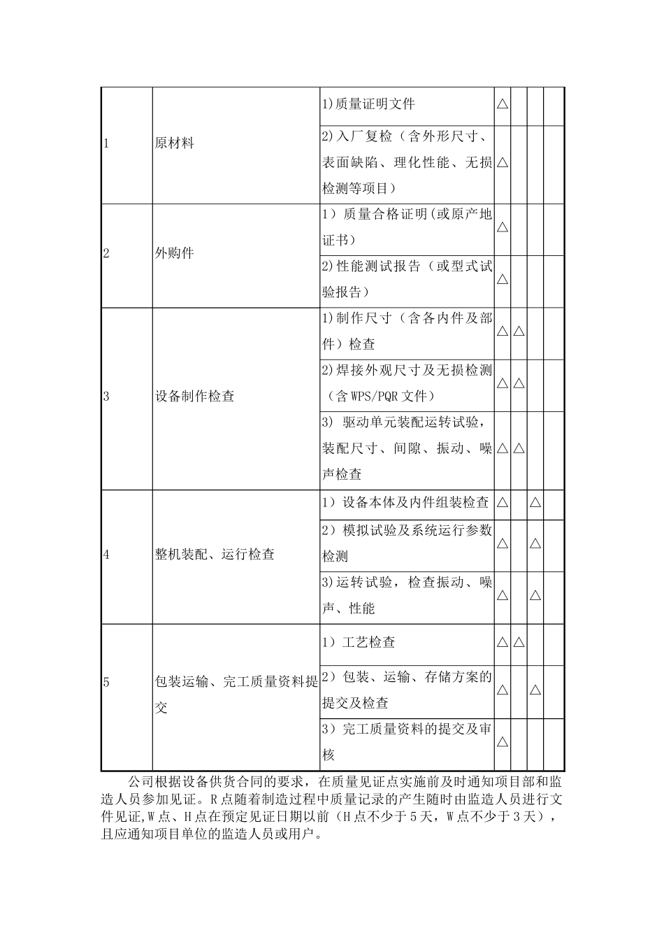
设备监造计划1 总则1。1 为了确保设备制造质量,对重要设备制造进行有效监造,保证设备到达现场后能顺利安装、调试和运行,实现设备一次成功投运和安全可靠运行.1.2 设备监造是指根据设备供货合同,根据国家有关法规、规章、技术标准和客户要求,对设备制造过程的质量实施监督。1。3 设备的制造质量由我公司全面负责,在设备监造环节进行的同时必须确保设备的质量监督,设备监造不会代替对设备的最终质量验收。2 监造依据2。1 监造委托合同;2.2 项目单位与我公司签订的设备采购合同(含技术协议等附件);2.3 设备相关的国际/国家/行业标准/公司标准;2.4 监造大纲、监造实施细则以及制造单位企业标准。3 监造范围和内容3.1 监造范围:对监造设备在制造过程中进行质量、进度、付款控制,审核设备制造过程中的试验大纲和方案,参加设备制造过程的试验与检验,以及协助项目单位进行设备采购合同的信息管理和协调有关单位的工作关系。3。2 监造内容针对具体监造设备根据技术协议及相关技术文件制订《监造实施细则》,提交项目单位并与我公司议定后实施.4 监造目标保证项目单位设备采购合同中技术协议的技术参数全部达到要求,制造质量责任得到完全的履行。见证率 100%,总结率 100%,信息沟通率 95%以上。5 监造见证方式及相关检查通知说明5.1 文件见证 R 点监造人员审查设备制造单位提供的文件。内容包括原材料、元器件、外购外协件的质量证明文件,施工组织设计、技术方案、人员资质证明、进度计划,制造过程中的检验、试验记录等。由监造人员对符合要求的资料予以签认。 5。2 现场见证 W 点对复杂的关键工序、测试、试验要求进行旁站监造,提前通知监造人员,监造人员到达现场进行见证和监造,现场见证项目应有监造人员在场对设备的试验、检验等过程进行现场监督检查,对符合要求的予以签认.5.3 停工待检 H 点指重要工序节点 、隐蔽工程、关键的试验验收点或不可重复试验验收点。停工待检项目必须有监造人员参加,现场检验签证后方能转入下道工序。5。4 监造内容见下表: 序号监造部份监造内容监造方式R W H备注1原材料1)质量证明文件△2)入厂复检(含外形尺寸、表面缺陷、理化性能、无损检测等项目)△2外购件1)质量合格证明(或原产地证书)△2)性能测试报告(或型式试验报告)△3设备制作检查1)制作尺寸(含各内件及部件)检查△ △2)焊接外观尺寸及无损检测(含 WPS/PQR 文件)△ △3) 驱动单元装配运转试验,...

1、当您付费下载文档后,您只拥有了使用权限,并不意味着购买了版权,文档只能用于自身使用,不得用于其他商业用途(如 [转卖]进行直接盈利或[编辑后售卖]进行间接盈利)。
2、本站所有内容均由合作方或网友上传,本站不对文档的完整性、权威性及其观点立场正确性做任何保证或承诺!文档内容仅供研究参考,付费前请自行鉴别。
3、如文档内容存在违规,或者侵犯商业秘密、侵犯著作权等,请点击“违规举报”。

碎片内容

设备监造计划

确认删除?
VIP
微信客服
  • 扫码咨询
会员Q群
  • 会员专属群点击这里加入QQ群
客服邮箱
回到顶部