电脑桌面
添加小米粒文库到电脑桌面
安装后可以在桌面快捷访问

1电气设备、材料进场验收记录

1电气设备、材料进场验收记录_第1页
1/26
1电气设备、材料进场验收记录_第2页
2/26
1电气设备、材料进场验收记录_第3页
3/26
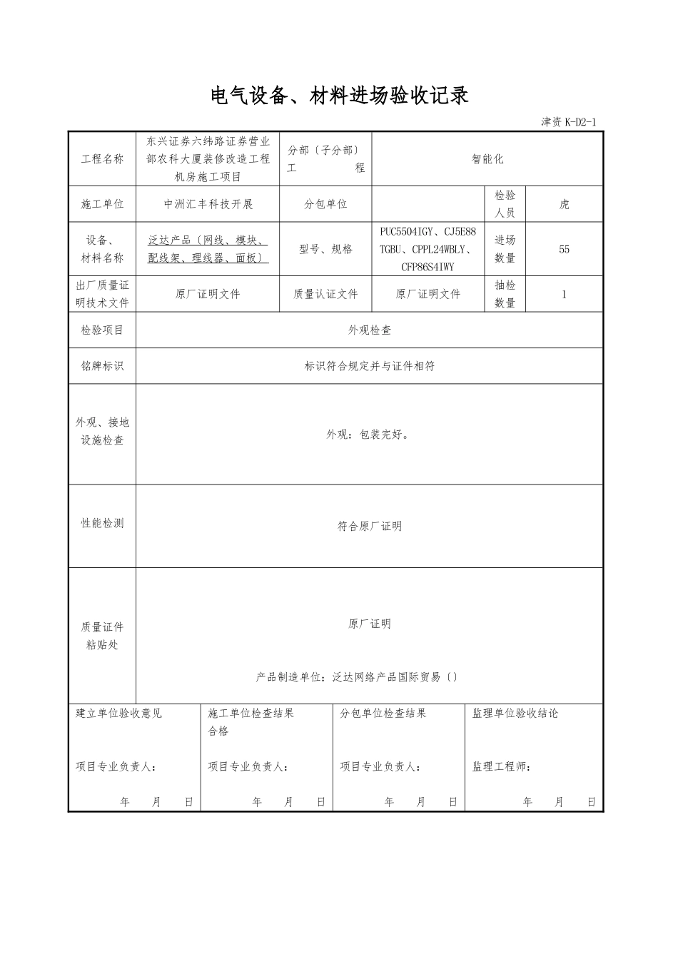
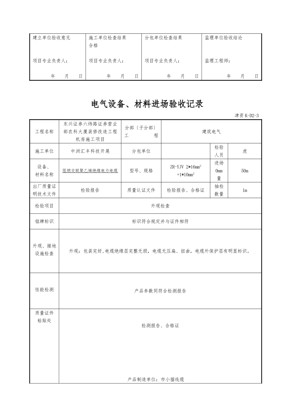
电气设备、材料进场验收记录津资 K-D2-1工程名称东兴证券六纬路证券营业部农科大厦装修改造工程机房施工项目分部〔子分部〕工 程智能化施工单位中洲汇丰科技开展分包单位检验人员虎设备、材料名称泛达产品〔网线、模块、配线架、理线器、面板〕 型号、规格PUC5504IGY、CJ5E88TGBU、CPPL24WBLY、CFP86S4IWY进场数量55出厂质量证明技术文件原厂证明文件质量认证文件原厂证明文件抽检数量1检验项目外观检查铭牌标识标识符合规定并与证件相符外观、接地设施检查外观:包装完好。性能检测符合原厂证明质量证件粘贴处原厂证明产品制造单位:泛达网络产品国际贸易〔〕建立单位验收意见项目专业负责人:年 月 日施工单位检查结果合格项目专业负责人:年 月 日分包单位检查结果项目专业负责人:年 月 日监理单位验收结论监理工程师:年 月 日电气设备、材料进场验收记录津资 K-D2-2工程名称东兴证券六纬路证券营业部农科大厦装修改造工程机房施工项目分部〔子分部〕工 程建筑电气施工单位中洲汇丰科技开展分包单位检验人员补小兵设备、材料名称阻燃交联聚乙烯绝缘电力电缆 型号、规格ZB-YJV4X50+1X25mm2进场数量20m出厂质量证明技术文件检测报告质量认证文件检测报告、合格证抽检数量1检验项目外观检查铭牌标识标识符合规定并与证件相符外观、接地设施检查外观:包装完好,电缆绝缘层完整无损,电缆无压扁、扭曲,电缆外保护层有明显标识。性能检测产品参数同符合检测报告质量证件粘贴处检测报告、合格证产品制造单位:市小猫线缆建立单位验收意见项目专业负责人:年 月 日施工单位检查结果合格项目专业负责人:年 月 日分包单位检查结果项目专业负责人:年 月 日监理单位验收结论监理工程师:年 月 日电气设备、材料进场验收记录津资 K-D2-3工程名称东兴证券六纬路证券营业部农科大厦装修改造工程机房施工项目分部〔子分部〕工 程建筑电气施工单位中洲汇丰科技开展分包单位检验人员虎设备、材料名称阻燃交联聚乙烯绝缘电力电缆 型号、规格ZR-YJV 2*16mm2 +1*10mm2进场0mm量50m出厂质量证明技术文件检验报告质量认证文件检验报告、合格证抽检数量1m检验项目外观检查铭牌标识标识符合规定并与证件相符外观、接地设施检查外观:包装完好,电缆绝缘层完整无损,电缆无压扁、扭曲,电缆外保护层有明显标识。性能检测产品参数同符合检测报告质量证件粘贴处检测报告、合格证产品制造单位:市小猫线缆建立单位验收意见项目专业负责人:年...

1、当您付费下载文档后,您只拥有了使用权限,并不意味着购买了版权,文档只能用于自身使用,不得用于其他商业用途(如 [转卖]进行直接盈利或[编辑后售卖]进行间接盈利)。
2、本站所有内容均由合作方或网友上传,本站不对文档的完整性、权威性及其观点立场正确性做任何保证或承诺!文档内容仅供研究参考,付费前请自行鉴别。
3、如文档内容存在违规,或者侵犯商业秘密、侵犯著作权等,请点击“违规举报”。

碎片内容

1电气设备、材料进场验收记录

确认删除?
VIP
微信客服
  • 扫码咨询
会员Q群
  • 会员专属群点击这里加入QQ群
客服邮箱
回到顶部