电脑桌面
添加小米粒文库到电脑桌面
安装后可以在桌面快捷访问

2024年西门子杯中国智能制造挑战赛

2024年西门子杯中国智能制造挑战赛_第1页
1/7
2024年西门子杯中国智能制造挑战赛_第2页
2/7
2024年西门子杯中国智能制造挑战赛_第3页
3/7
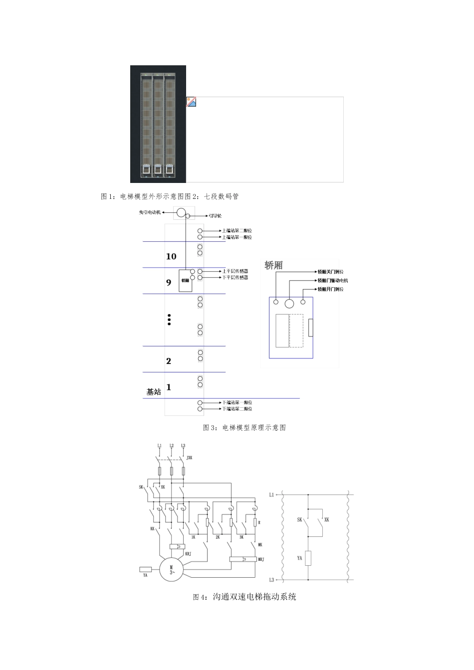
2024 年“西门子杯”中国智能制造挑战赛(原全国大学生工业自动化挑战赛)逻辑控制应用实施赛项 决赛说明与 IO 列表2024 年“西门子杯”中国智能制造挑战赛逻辑控制应用实施赛项将于 8 月下旬在应用技术大学进行,为方便广阔参赛队准备竞赛,特针对决赛赛题、规则、练习等重点须知做如下说明:一、竞赛环节1、 在决赛环节,应用实施赛项由上机竞赛与操作实施两部分组成。2、 竞赛时会有两份工程文件,“练习工程”和“竞赛工程”。练习工程供调试练习时使用(练习时也可随时查看分数);竞赛工程供评分时使用。3、 在操作实施环节,入围参赛队伍需要针对选定工作站的具体任务要求以与参考相关技术文档进行 PLC项目开发与调试。备注:以上容具体参见《2024 年”西门子杯”中国智能制造挑战赛逻辑控制应用实施赛项决赛竞赛细则》文件。二、赛前练习1、 全国竞赛组委会一如既往地支持各个分赛区以与有设备的院校开放设备给参赛队伍进行练习。各个参赛队可自行联系、预约练习。2、 在各个分赛区开放预约练习后,组委会下发最新的“赛前练习工程”供参赛队员使用。此工程中的电梯对象参数(注意不是乘客!)均与正式竞赛的工程一致。3、 赛题在竞赛现场公布,请参赛队员在竞赛时务必认真读题!三、工艺对象参数与要求1、 对象模型电梯对象主要包括:电梯整体(包括轿厢、电机、限位开关,等)、各个楼层按钮(上下行呼梯按钮与指示灯,等)、电梯部设备(轿厢开关门按钮、轿厢选层按钮与指示灯,等),等等。电梯模型采纳三部十层结构,其外形与示意图如下所示:图 1:电梯模型外形示意图图 2:七段数码管图 3:电梯模型原理示意图图 4:沟通双速电梯拖动系统符号含义符号含义JXK电机启动信号SK上行接触器1K1 级制动减速XK下行接触器2K2 级制动减速KK高速运行3K3 级制动减速MK低速运行YA抱闸电梯模型中各 IO 参数均可与 PLC 通过以太网通信相连接,实施自动控制。(特别注意!)2、 设计参数名称设计参数名称设计参数客梯数量3 部客梯层数10 层单部载重1050kg单部定员14 人3、 安全与群控指标评分细则序号评分项具体要求分值说明1载客量评分期间,所运输的乘客的总数量。当乘客成功到达目的地时才进行统计。该指标越大越好。842运行监控1) 运行过程中,需要始终对当前运行方向、当前楼层(采纳七段数码管显示)进行实时监控与显示。2) 乘客会根据当前电梯运行方向与电梯状态来推断是否上车,当没有运行方向指向信号...

1、当您付费下载文档后,您只拥有了使用权限,并不意味着购买了版权,文档只能用于自身使用,不得用于其他商业用途(如 [转卖]进行直接盈利或[编辑后售卖]进行间接盈利)。
2、本站所有内容均由合作方或网友上传,本站不对文档的完整性、权威性及其观点立场正确性做任何保证或承诺!文档内容仅供研究参考,付费前请自行鉴别。
3、如文档内容存在违规,或者侵犯商业秘密、侵犯著作权等,请点击“违规举报”。

碎片内容

2024年西门子杯中国智能制造挑战赛

办公文档专营+ 关注
实名认证
内容提供者

大量办公文档,欢迎选择

相关文档

确认删除?
VIP
微信客服
  • 扫码咨询
会员Q群
  • 会员专属群点击这里加入QQ群
客服邮箱
回到顶部