电脑桌面
添加小米粒文库到电脑桌面
安装后可以在桌面快捷访问

A6-1风险分级管控清单

A6-1风险分级管控清单_第1页
1/44
A6-1风险分级管控清单_第2页
2/44
A6-1风险分级管控清单_第3页
3/44
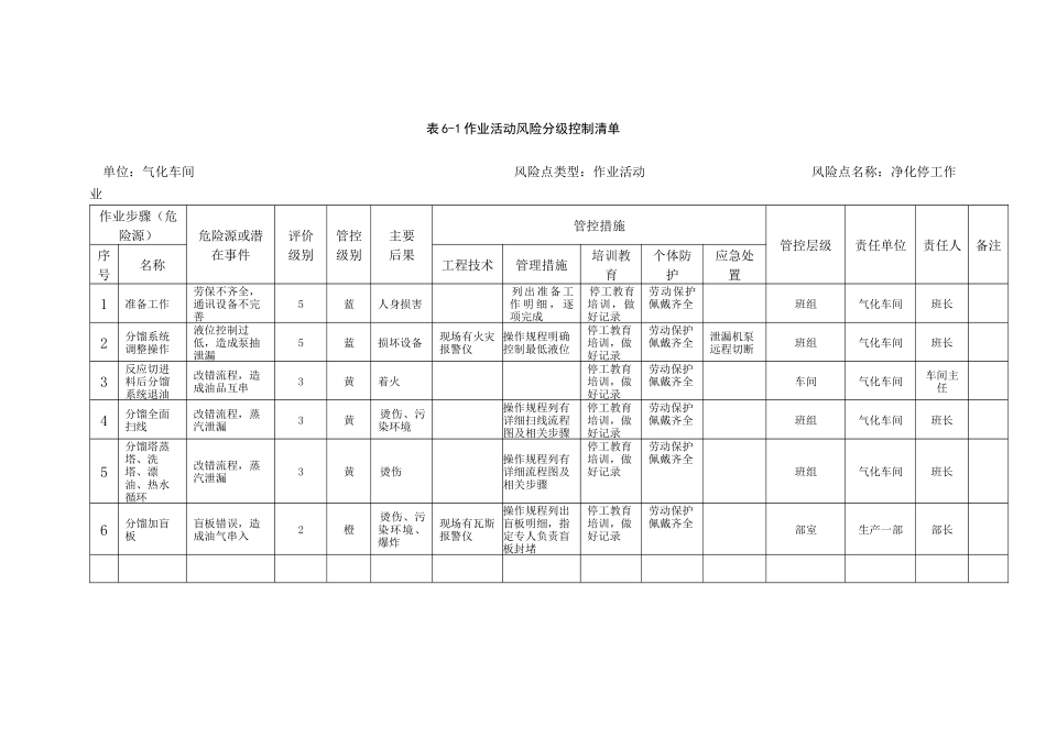
A.6 风险分级管控清单表 6-1 作业活动风险分级控制清单单位:气化车间 风险点类型:作业活动 风险点名称:气化停工作业作业步骤(危险源)危险源或潜在事件评价级别管控级别主要后果管控措施管控层级责任单位责任人备注序号名称工程技术管理措施培训教育个体防护应急处置1准备工作劳保不齐全,通讯设备不完善5蓝人身损害列出准备工作 明 细 , 逐项完成停工教育培训,做好记录劳动保护佩戴齐全班组气化车间班长2降温降量降温速度过快设备泄漏3黄着火作业法律规范中 明 确 要 求降 温 、 降 量速度停工教育培训,做好记录劳动保护佩戴齐全班组气化车间班长3切断进料改错流程,反应器串油,设备超压泄漏3黄着火现有管线写字,阀门挂牌停工教育培训,做好记录劳动保护佩戴齐全启动联锁车间气化车间车间主任4氧气泄压阀门关不到位3黄着火作规程明确操作要求停工教育培训,做好记录劳动保护佩戴齐全关闭器壁阀 , 切 断泄漏部位班组气化车间班长5工 艺 烧 嘴拔出烧嘴温度高,负压不稳3黄烫伤操作规程明确列 出 装 盲 前需动改阀门停工教育培训,做好记录劳动保护佩戴齐全班组气化车间班长6管线置换管线积攒物料3黄着火操作规程明确卸剂温度停工教育培训,做好记录劳动保护佩戴齐全关闭器壁阀 , 切 断泄漏部位车间气化车间车间主任7合 成 气 盲板隔离盲板错误2橙爆炸操作规程列出盲 板 明 细 ,指 定 专 人 负责盲板封堵停工教育培训,做好记录劳动保护佩戴齐全部室生产一部部长表 6-1 作业活动风险分级控制清单单位:气化车间 风险点类型:作业活动 风险点名称:净化停工作业作业步骤(危险源)危险源或潜在事件评价级别管控级别主要后果管控措施管控层级责任单位责任人备注序号名称工程技术管理措施培训教育个体防护应急处置1准备工作劳保不齐全,通讯设备不完善5蓝人身损害列出准备工作 明 细 , 逐项完成停工教育培训,做好记录劳动保护佩戴齐全班组气化车间班长2分馏系统调整操作液位控制过低,造成泵抽泄漏5蓝损坏设备现场有火灾报警仪操作规程明确控制最低液位停工教育培训,做好记录劳动保护佩戴齐全泄漏机泵远程切断班组气化车间班长3反应切进料后分馏系统退油改错流程,造成油品互串3黄着火停工教育培训,做好记录劳动保护佩戴齐全车间气化车间车间主任4分馏全面扫线改错流程,蒸汽泄漏3黄烫伤、污染环境操作规程列有详细扫线流程图及相关步骤停工教育培训,做好记录劳动保护佩戴齐全班组气...

1、当您付费下载文档后,您只拥有了使用权限,并不意味着购买了版权,文档只能用于自身使用,不得用于其他商业用途(如 [转卖]进行直接盈利或[编辑后售卖]进行间接盈利)。
2、本站所有内容均由合作方或网友上传,本站不对文档的完整性、权威性及其观点立场正确性做任何保证或承诺!文档内容仅供研究参考,付费前请自行鉴别。
3、如文档内容存在违规,或者侵犯商业秘密、侵犯著作权等,请点击“违规举报”。

碎片内容

A6-1风险分级管控清单

确认删除?
VIP
微信客服
  • 扫码咨询
会员Q群
  • 会员专属群点击这里加入QQ群
客服邮箱
回到顶部