电脑桌面
添加小米粒文库到电脑桌面
安装后可以在桌面快捷访问

三菱PLC可编程控制器概况

三菱PLC可编程控制器概况_第1页
1/56
三菱PLC可编程控制器概况_第2页
2/56
三菱PLC可编程控制器概况_第3页
3/56
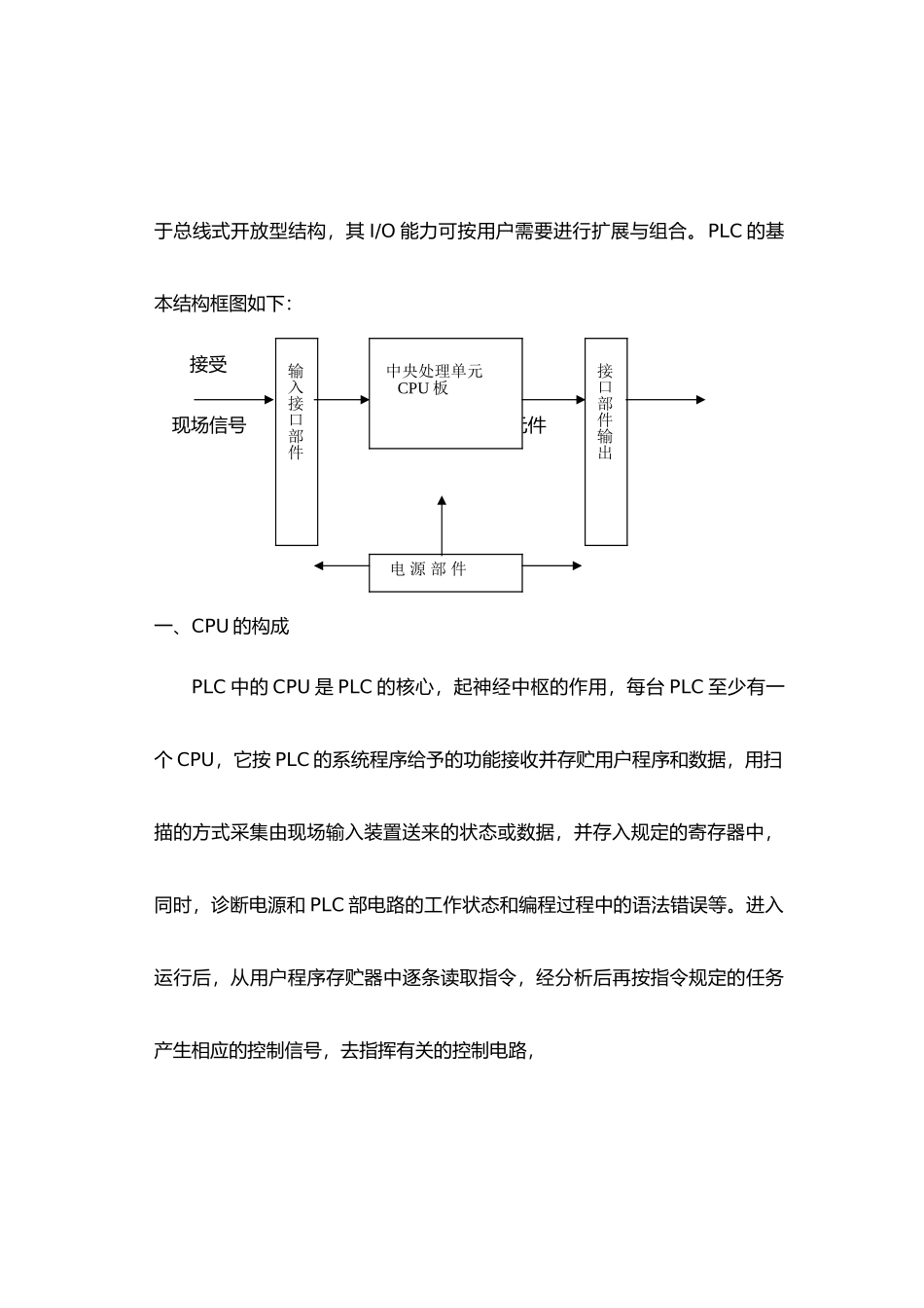
第一章可编程控制器概况 可编程控制器(PROGRAMMABLE CONTROLLER,简称 PC)。与个人计算机的 PC 相区别,用 PLC 表示。PLC 是在传统的顺序控制器的基础上引入了微电子技术、计算机技术、自动控制技术和通讯技术而形成的一代新型工业控制装置,目的是用来取代继电器、执行逻辑、记时、计数等顺序控制功能,建立柔性的程控系统。国际电工委员会(IEC)颁布了对 PLC 的规定:可编程控制器是一种数字运算操作的电子系统,专为在工业环境下应用而设计。它采纳可编程序的存贮器,用来在其部存贮执行逻辑运算、顺序控制、定时、计数和算术运算等操作的指令,并通过数字的、模拟的输入和输出,控制各种类型的机械或生产过程。可编程序控制器与其有关设备,都应按易于与工业控制系统形成一个整体,易于扩充其功能的原则设计。PLC 具有通用性强、使用方便、适应面广、可靠性高、抗干扰能力强、编程简单等特点。可以预料:在工业控制领域中,PLC 控制技术的应用必将形成世界潮流PLC 程序既有生产厂家的系统程序,又有用户自己开发的应用程序,系统程序提供运行平台,同时,还为 PLC 程序可靠运行与信息与信息转换进行必要的公共处理。用户程序由用户按控制要求设计。第二章 PLC 的结构与基本配置 一般讲,PLC 分为箱体式和模块式两种。但它们的组成是一样的,对箱体式 PLC,有一块 CPU 板、I/O 板、显示面板、存块、电源等,当然按 CPU性能分成若干型号,并按 I/O 点数又有若干规格。对模块式 PLC,有 CPU 模块、I/O 模块、存、电源模块、底板或机架。无任哪种结构类型的 PLC,都属于总线式开放型结构,其 I/O 能力可按用户需要进行扩展与组合。PLC 的基本结构框图如下: 接受 驱动 现场信号 受控元件一、CPU 的构成PLC 中的 CPU 是 PLC 的核心,起神经中枢的作用,每台 PLC 至少有一个 CPU,它按 PLC 的系统程序给予的功能接收并存贮用户程序和数据,用扫描的方式采集由现场输入装置送来的状态或数据,并存入规定的寄存器中,同时,诊断电源和 PLC 部电路的工作状态和编程过程中的语法错误等。进入运行后,从用户程序存贮器中逐条读取指令,经分析后再按指令规定的任务产生相应的控制信号,去指挥有关的控制电路, 输入接口部件 中央处理单元 CPU 板 电 源 部 件接口部件输出与通用计算机一样,主要由运算器、控制器、寄存器与实现它们之间联系的数据、控制与状态总线构成,还有外围芯片、总线...

1、当您付费下载文档后,您只拥有了使用权限,并不意味着购买了版权,文档只能用于自身使用,不得用于其他商业用途(如 [转卖]进行直接盈利或[编辑后售卖]进行间接盈利)。
2、本站所有内容均由合作方或网友上传,本站不对文档的完整性、权威性及其观点立场正确性做任何保证或承诺!文档内容仅供研究参考,付费前请自行鉴别。
3、如文档内容存在违规,或者侵犯商业秘密、侵犯著作权等,请点击“违规举报”。

碎片内容

三菱PLC可编程控制器概况

不二商店+ 关注
实名认证
内容提供者

我是你的不二选择

确认删除?
VIP
微信客服
  • 扫码咨询
会员Q群
  • 会员专属群点击这里加入QQ群
客服邮箱
回到顶部