电脑桌面
添加小米粒文库到电脑桌面
安装后可以在桌面快捷访问

品管七大手法培训讲义全

品管七大手法培训讲义全_第1页
1/40
品管七大手法培训讲义全_第2页
2/40
品管七大手法培训讲义全_第3页
3/40
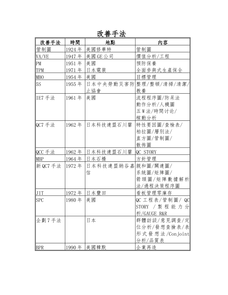
改善手法改善手法時間地點內容管制圖1924 年 美國修華特管制圖VA/VE1947 年 美國 GE 公司價值分析/工程PMTPM1951 年1971 年美國日本電裝預防保養全面參與式生產保全MBO1954 年 美國目標管理5S1955 年 日本中央勞動災害防止協會整理/整頓/清掃/清潔/教養IE7 手法1961 年 美國流程程序圖/防呆法動作分析/人機圖五 W 法/時間讨论/稼動分析QC7 手法1962 年 日本科技連盟石川馨 特性要因圖/查檢表/柏拉圖/層別法/直方圖/管制圖/散佈圖QCC 手法1962 年 日本科技連盟石川馨 QC STORYMBP1964 年 日本石橋方針管理新 QC7 手法1972 年 日本科技連盟納谷嘉信親和圖/關連圖/系統圖/矩陣圖/箭頭圖/矩陣數據解析法/過程決策程序圖JIT1972 年 日本豐田看板管理零庫存SPC1980 年 美國QC 工程表/管制圖/ QC STORY / 製 程 能 力 分析/GAUGE R&R企劃 7 手法日本群體訪談/意見調查/定位分析/發想查撿表/表形 式 發 想 法 /Conjoint分析/品質表BPR1990 年 美國韓默企業再造數據的整理1.查檢表A.何謂查檢表查檢表是以簡單數據用容易了解的方式作成圓形或表格,只要記上檢查記號,並加以統計整理,作為進一步分析或核對檢查用。B.查檢表的種類記錄用查檢表點檢用查檢表作機不日期業良者械種類月日月日月日月日月日尺寸1缺點材料其他A尺寸2缺點材料其他B查檢表10000KM 時定期保養顧客名:日期:車牌號碼:費用:車種:行駛公里:作業者:□電瓶液量□空氣濾淨器□水箱□機油□胎 壓□分電盤蓋□火星塞□化油器□風扇皮帶註:檢查○調整×更換定期保養點檢表C.查檢表的製作方法a.決定所要蒐集的數據与希望把握的項目b.決定查檢表的格式c.決定記錄形式d.決定蒐集數據的方法D.查檢表的作用數據蒐集完成應馬上使用,首先觀察整數數據是否代表某些事實?數據是否集中在某些項目或各項目之間有否差異?是否因時間的經過而產生了變化?2 月3 月4 月合計實體圖形記錄畫 沒有畫面42面 沒有彩色9電 天線老舊29波 天線方向83沒有聲音15其他22合計746264200電視故障訴願狀況查檢表2.柏拉圖A.何謂柏拉圖?所謂柏拉圖是根據所蒐集的數據,以不良原因、不良狀況、不良發生位置或客戶抱怨的種類等不同區分標準,找出比率最大的項目或原因並且以所構成的項目依照大小順序排列,再加上累積值的圖形。電視故障訴願狀況柏拉圖B.柏拉圖的製作方法a.決定不良的分類項目結果分類。原因別分類。最好不要超過 6 項。b.決定...

1、当您付费下载文档后,您只拥有了使用权限,并不意味着购买了版权,文档只能用于自身使用,不得用于其他商业用途(如 [转卖]进行直接盈利或[编辑后售卖]进行间接盈利)。
2、本站所有内容均由合作方或网友上传,本站不对文档的完整性、权威性及其观点立场正确性做任何保证或承诺!文档内容仅供研究参考,付费前请自行鉴别。
3、如文档内容存在违规,或者侵犯商业秘密、侵犯著作权等,请点击“违规举报”。

碎片内容

品管七大手法培训讲义全

您可能关注的文档

确认删除?
VIP
微信客服
  • 扫码咨询
会员Q群
  • 会员专属群点击这里加入QQ群
客服邮箱
回到顶部